深圳市顺源科技有限公司
卢想想
电话:0755-21661131
传真:075583116652
手机:13590334406
特点:
0-5V输入,100-250-500Ω电阻串联输出
输出4-20mA供电范围(12—32V)
4-20mA量程内高精度(0.1级、0.2级、0.5级)
全量程内高线性度(非线性度 < 0.2%)
低成本、小体积、标准DIP 24Pin 阻燃封装
信号输入/输出/辅助电源 3000VDC 三隔离
可向用户提供5V/3.5mA的隔离电源,信号输入端可提供2.5V基准电压源
工业级宽温度(-45—+85 ℃)工作范围
应用:
PLC、DCS、PC机等现场模拟信号隔离、分配及配电
工业现场温度、压力、位移等传感器两线制4-20mA信号隔离、变送及配电
模拟信号地线环流隔离及干扰抑制
模拟信号信号远程无失真传输
仪器仪表与传感器之间信号收发、隔离控制
电力监控、医疗设备中信号高隔离安全栅
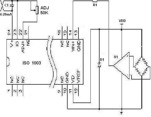
产品说明:两线制4-20mA信号隔离变送器(ISO 1003)是单片两线制隔离接口芯片,该芯片内部包含有一个电流信号调制电路,光电耦合隔离变换电路及解调电路。 该芯片有4-20mA的供电电压范围宽(16.5V-36V),输入等效电阻小,线性度高等特点。该芯片可提供5V/3.5mA的隔离电压输出、2.5V基准电源。输入信号的电压为0-0.8V,相对应输入侧信号路中电流的变化。输入及输出侧宽爬电距离及内部特殊绝缘的隔离措施使该芯片可达到3KVDC绝缘电压。产品的安装方式有PCB板上(DIP 24封装)焊接和 DIN 35导轨式卡槽固定两种,安装尺寸图请参考本网站中的《应用信息》栏目。


(转载)



