陆地矿产资源的无节制开采已加快了人类可利用资源的逐渐枯竭,海洋矿产资源必将是人类开发和利用的下一目标,深海采矿的开采技术及开采设备已成为各发达国家的重要研究课题。由于深海环境的特殊性,人类对其认识还十分有限,对于深海矿产资源的开采还有诸多难题亟待解决,其中深海采矿系统动力输配的水下大功率设备的启动控制就是要解决的关键技术问题之一。
目前,深海采矿总体系统基本上由集矿子系统、提升子系统、水面支持子系统、测控子系统和动力子系统构成。集矿子系统负责深海水下矿产资源的采集;提升子系统是把水底集矿子系统采集的矿产资源提升至水上;水面支持子系统一般是带有配套设施的综合大型船舶,主要支持集矿、提升等子系统,提供各子系统动力,装载采集上来的矿产资源,同时又协调指挥各子系统的工作,既是指挥中心又负责后勤保障;测控子系统则负责各子系统运转状态的监控和控制;动力子系统负责供给配置各子系统运行所需的动力。动力子系统根据所需供给的对象不同可划分为三个部分:集矿子系统动力配置、提升子系统动力配置和水面支持子系统动力配置。集矿子系统工作在生产链最下端的6000m水下进行采矿作业,工作环境特殊、动力传输距离远,要求故障率低,因为一旦动力系统发生故障,不可能进行现场维修,而要将重达几十吨的采矿车从6000m海底提出水面,绝对不是一件简单工作,需要几乎所有子系统长达数小时的协作。因此,可靠、稳定的动力供给,是使采矿车能安全可靠、高效率运转的基本保证,而深海采矿设备的平稳启动又是这些基本保证的重要一环。
2 负载及负载的应用环境特点
长沙矿山研究院研制的深海采矿车的动力来源是水面支持系统的柴油发电机组,柴油发电机组功率为580kva,发出400v / 50hz三相交流电压.在水下深海采矿车的主要用电设备是两台深海中压驱动电机,功率为150kw,电压为3kv/50hz,功率因素0.85。两台深海电机分别驱动两台液压泵,由液压系统驱动深海采矿车在水下的行驶,采集矿石、破碎矿石及其它辅助动作。由于海洋环境下工作与陆地相比具有一定的特殊性,有两点是要考虑的,其一、海洋深处的水温常年保持在4c°左右,液压油基本处于凝固状态,加大了负载启动力矩。其二,采矿车的启动过程中,如何减少对正在运行的其他子系统用电设备的负载冲击影响,也是必须要重点考虑的问题。
3 深海采矿车电动机的启动
3.1 电动机的启动特性
电动机的启动特性中,最主要的是它的起动力矩m,为了机组能转动起来,m必须大于拖动机械在n=0时的净负载力矩加上静摩擦阻力距。图1中曲线1表示异步机的力矩与转差m-s曲线,曲线2和3表示二种不同的负载特性曲线,为了能转动起来,必须要求a在b点或c点的上面,否则机组将转动不起来。

图1 异步机的m-s曲线
根据力矩平衡关系:
m-(mf+m0)=mj=j(dω/dt)
式中:
m——电磁力矩;
mf——静摩擦力矩;
m0——静负载力矩;
mj——加速力矩;
j——机组惯量;
(dω/dt)——电机加速度。
可以看出,为了保证能顺利加速到额定转速,在整个启动过程中,必须保持正的加速度(dω/dt)也就要求电动机的电磁力矩m在整个启动过程中大于负载的制动力矩。在相同的惯量下,力矩的差额越大,加速越快,惯量大的机械,启动就较慢。
电动机启动特性的另一问题是启动电流,异步机在额定电压下的起动电流常大于额定电流好几倍。起动电流太大的影响是:一方面将影响电源的电压,太大的起动电流将产生较大的线路压降,使得电源电压在启动时下降,特别当电源容量较小时电压降更多,可能影响电源上其他电机的运行。另一方面,大的起动电流将在线路及电机中产生损耗引起发热,特别是当加速力矩m较小,机组的惯量j较大,启动很慢的情况下,损耗将更多而发热也更严重。
3.2 对电动机启动的要求
由前述可以看出,对电动机启动的要求是不同的,须看负载的特性,电网的情况等因素而定。有时要求有大的起动力矩,有时要求限制起动电流的大小,有时2个要求需同时满足。总的来说,要考虑下列各问题:
(1)应该有足够大的起动力矩,适当的机械特性曲线;
(2)尽可能小的起动电流;
(3)启动的操作应该很方便,所用的起动设备应该尽可能简单经济;
(4)启动过程中的功率损耗应尽可能的少。
3.3 启动方法
目前,常用的启动方法有以下几种:
(1)直接启动;
(2)自耦变压器降压启动;
(3)星—三角变换启动;
(4)变频调速器启动;
(5)软启动器启动。
由于电机工作在深水下6000m,如此长的传输距离,解决电缆压降问题是重点考虑的因素之一,上述启动方式中,(1)、(2)、(3)种启动方式都会产生较大冲击电流,会使压降和功率都消耗在传输电缆上。第4种变频器启动是可以从零频零压开始启动电动机,实现无冲击启动,但高压变频器造价高昂,且水下电机启动进入运行后,并无变速要求。
软启动器体积小,转矩可以设置调节、启动平稳冲击小并具有诸多的保护功能,可靠性高,性价比高于变频器。
深海采矿车工作在6000m水下,为减小线路损耗采用3kv三相交流电给深海采矿车两台电机供电。动力来源是水面支持系统的柴油发电机组,柴油发电机组发出400v / 50hz三相交流电压,为减小造价,经多种设计方案进行比较,最终确定采用发电机组、低压软启动装置、升压隔离变压器到采矿车电机供电方式。这种技术方案既降低了线路损耗,也减小了传输电缆线径和重量,同时避开了高压变频,使得整套供电系统的可靠性和成本性价比大为提高。
3.4 软启动器选型
除了技术、性能、价格比较外,还要考虑设备现场的电网容量、设备启动负荷轻重、启动频繁程度等具体条件。
(1)选型:目前市场上常见的软启动器有旁路型、无旁路型、节能型等。根据采矿车的工作负载特性质选择旁路型的软启动器。
(2)规格选择:根据电动机的标称功率,电流负载性质选择启动器,一般软启动器容量稍大于电动机工作电流。选标称功率175kw。
(3)功能选择:选具有缺相保护、短路保护、过载保护、逆序保护、过压保护、欠压保护等保护功能完备的软起动器。
(4)适合海上工作环境的软启动器。
3.5 莱克森马软启动器的特点
莱克森马软启动器启动时采用专利技术的转矩控制。转矩斜坡上升更快速,损耗更低。具有电动机和软启动器综合保护功能,能全时连续检测电机工作电流,提供电机可靠和完整保护,这种保护功能在启动结束旁路后仍能起作用,这是其它软启动器都不具备的,启动特性如图2所示。

图2 软启动电压——断流特性曲线
莱克森马在保持加速力矩的同时,实时计算定子和转子的功率。在整个加速周期连续计算电机功率因数和定子损耗,通过检测电压和电流来计算功率因数,并扣除定子损耗,得到实际的转子功率和电机力矩。

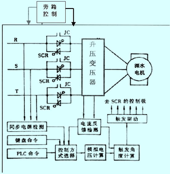
图3 软启动器控制原理图
采用莱克森马软启动器的控制电路如图3所示,两台深海电机设计采用两套相同的启动方案。
(1) 启动过程:首先选择一台电动机在软启动器拖动下按所选定的启动方式逐渐提升输出电压,达到工频电压后,旁路接触器接通。然后,由另一套软启动器启动下一台电机。
(2) 停止过程:由于是液压泵负载,停机时可同时停止启动软启动器与旁路接触器。
4 软启动器在深海采矿系统上的应用
深海采矿车的动力输配结构如图4所示,水面支持系统的柴油发电机组发出400v / 50hz三相交流电压,该电压经机组控制屏、低压软启动装置,送至升压隔离变压器,变压器输出高压绕组接至高压控制配电柜,经6000m电力通信组合电缆,电缆绞车,采矿车上的接线仓,向集矿机液压泵站驱动电机提供动力。

图4 深海采矿车的动力输配结构图
5 应用效果
通过一年的运行,表明该装置可靠性高,性能完善,能满足采矿车生产要求。主要体现在以下几点:
(1)在低压侧使用软启动器可满足深海采矿车的供电要求,与高压侧使用软启动器相比减少大量投资;
(2) 使用软启动器启动时,启动电流较小,减少配电容量与增容投资;
(3) 软启动器实现平稳启动,对正在运行的其他子系统用电设备无冲击影响;
(4) 完整的保护功能融于一体,防止事故的产生;
(5) 多种的启动模式,简单的调试过程使得深海采矿车的供电系统操作简单又耐用。
6 结束语
在深海采矿控制领域,采用传统控制结构和启动方式存在诸多缺陷,对于大功率负载,其问题就显得更为突出,软启动器加升压变压器控制结构克服了传统控制技术的不足,使陆地通用软启动器控制技术成功地移植到海底应用领域。随着深水设备控制技术的不断研究改进,将使软启动器在海洋采矿的应用更成熟,因此,软启动器广泛应用于深水大中型电动机的启动是必然的趋势。
(转载)



