李方园 宁波捷创技术有限公司
1 前言
短纤维产品如涤纶中空纤维、三叶纤维、七孔中空纤维、十孔中空纤维本、以及各类阻燃纤维、抗菌纤维、加硅纤维(PP棉)等,它具有手感好、弹性、蓬松度高的特点,产品适用于生产喷胶棉、无纺布、针刺布、服装、玩具、枕芯填充料、踏花被、人造毛皮等等。由于该产品畅销国内国际市场,很多企业都在对老线进行技术改造或是引进新的生产设备。本文就是针对该系列设备推出的成熟的变频技术方案。
短纤维设备包括前纺处理和后纺处理两大设备。其中后纺设备和工序包括:集束----牵伸浸油----卷曲-----热定型----切断----打包-----检验----成品----出厂。其中最为重要的是从牵伸到卷曲的工艺过程,该流程中共有4个传动机构(一道牵伸、二道牵伸、三道牵伸、卷曲),在传统的工艺中采用一台大电机通过机械齿轮来单轴控制4个传动。由于单轴传动的弱点逐渐凸显出现,如齿轮箱损坏率高、牵伸比调节困难、单轴容易断裂等。因此在目前进口的化纤后纺设备中基本上都采用独立变频传动的方式来实现。
在采用独立变频传动的同时,有二个最重要的问题必须要加以解决:(1)发电及能量反馈的问题;(2)同步牵伸的问题。二者都是由于化纤后纺工艺的需要,后纺的一个重要任务就是要使纤维丝通过牵伸速度的不同来达到工艺要求,这就导致了一道和二道牵伸经常处于发电状态;同时必须保证4个独立传动在加减速和恒速中同比例升速,这就引出了同步牵伸的问题。
2 多电机传动系统的建构
在化纤后纺的4个独立传动辊中,为保持一定的牵伸比,通常一道牵伸和二道牵伸处于发电状态,三道牵伸和卷曲则处于电动状态。
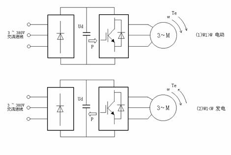
2.1 电动和发电
通常从变频器调速系统的二种运行状态,即电动和发电。在变频调速系统中,电机的降速和停机是通过逐渐减小频率来实现的,在频率减小的瞬间,电机的同步转速随之下降,而由于机械惯性的原因,电机的转子转速未变。当同步转速w1小于转子转速w时,转子电流的相位几乎改变了180度,电机从电动状态变为发电状态;与此同时,电机轴上的转矩变成了制动转矩Te,使电机的转速迅速下降,电机处于再生制动状态。电机再生的电能P经续流二极管全波整流后反馈到直流电路。由于直流电路的电能无法通过整流桥回馈到电网,仅靠变频器本身的电容吸收,虽然其他部分能消耗电能,但电容仍有短时间的电荷堆积,形成“泵升电压”,使直流电压Ud升高。过高的直流电压将使各部分器件受到损害。
图一 变频器调速系统的二种运行状态
如何处理再生电能呢?最简单的办法就是能耗制动,它采用的方法是在变频器直流侧加放电电阻单元组件,将再生电能消耗在功率电阻上来实现制动,但是由于一道和二道牵伸传动始终处于发电状态,其发电功率是相当可观的,在实际操作中,需要有庞大的制动电阻群。因此如何将该电能利用起来,是一个急需解决的问题。
2.2 多电机传动控制的建构
对于频繁启动、制动,或是四象限运行的电机而言,如何处理制动过程不仅影响系统的动态响应,而且还有经济效益的问题。于是,回馈制动成为人们讨论的焦点,然而目前大部分的通用变频器还不能通过单独的一台变频器来实现再生能量。为解决这个问题,本文介绍了一种共用直流母线方式的再生能量回馈系统,通过这种方式,它可以将制动产生的再生能量进行充分利用,从而起到既节约电能又处理再生电能的功效。
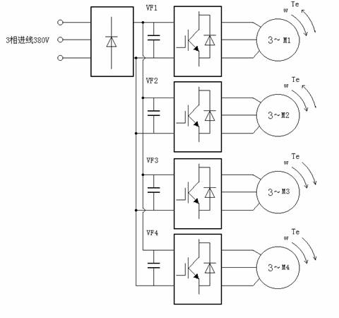
多传动控制回路包括直流输入回路、直流母线供电回路、若干个逆变器(或是具有输入缺相保护的通用变频器),其中电机需要的能量是以直流方式通过PWM逆变器输出。在多传动方式下,制动时感生能量就反馈到直流回路。通过直流回路,这部分反馈能量就可以消耗在其他处在电动状态的电机上,制动要求特别高时,只需要在共用母线上并上一个共用制动单元即可。
图二接线是典型的共用直流母线的制动方式,根据化纤后纺设备的特点,一道牵伸M1和二道牵伸M2在正常工作时处于发电状态,三道牵伸M3和卷曲M4则处于电动状态。由于M1和M2发电是由于3道牵伸的电动所引起的,该2台电机所产生的回馈能量足以消耗到处于电动状态下的M3和M4中,而不会引起直流回路母线电压的升高,这样就完全解决了再生能量的制动问题,从而使系统始终处于比较稳定的状态。
图二 共用直流母线的多电机传动方式
2.3 直流输入回路
直流输入回路负责提供多电机传动系统的直流电源,其主要部件为整流器。但是我们知道,当AC/DC电源启动时,将产生一个高达系统标称电流50倍的启动电流对输入电容(本文主要是指VF1-VF4变频器的电解电容)充电。该启动电流会导致主电源上电压降的产生,从而影响连接到同一个电源网络上的其它设备的正常工作,甚至熔断输入线路熔丝。通常情况下离线电源的前端由一个桥式整流器和一个大容量滤波电容组成,启动时对大容量滤波电容的充电会在输入端产生一个称之为启动电流的浪涌电流。如果不限制这一启动电流,那么输入熔丝就可能熔断或者可能触发电路保护断路器。因此直流输入回路的核心问题是控制启动电流。解决该问题的一种方案是将阻抗与一个硅通路元件或者机电继电器并联,再与整流器串连,这样就可以大大降低冲击电流,以保证直流输入回路的可靠性。
2.4 多电机传动的特点
化纤后纺设备采用共用直流母线的多电机传动控制方式,具有以下显著的特点:
a. 共用直流母线和共用制动单元,可以大大减少整流器和制动单元的重复配置,结构简单合理,经济可靠。
b. 共用直流母线的中间直流电压恒定,电容并联储能容量大;
c. 各电动机工作在不同状态下,能量回馈互补,优化了系统的动态特性;
d. 提高系统功率因数,降低电网谐波电流,提高系统用电效率。
3 多电机传动牵伸同步的控制
在化纤后纺设备的四道传动(三道牵伸加卷曲)中,其牵伸比的确定必须以四个传动电机的速度同步为基准。通常情况下,有一个主给定信号,同步控制的目标就是将这个信号按照牵伸比的要求均匀分配到M1、M2、M3、M4四个变频器中去,保证四传动无论在加速、恒速或者减速过程中都能保持同步的比例性。
以下主要讨论目前较为常用的三种同步控制方案。
图三 化纤后纺传动的同步控制方案
3.1 模拟量同步控制
当一台整机或一条生产线中各个传动单元分别由独立的变频器驱动时,为了保证整机在一个主令转速的设置下,各单元同步协调工作(这里为固定的牵伸比),需要配置同步控制器。该同步控制器可对各单元传动速度分别整定,以实现各单元以一定的比例速度同步工作,总的主令设定电压(由电位器决定)通过给定积分器输出,可实现软起动和软停车。
该同步控制器能输出多路模拟量信号给变频器(这里为VF1-VF4)。模拟量输入设定方法是一种控制精度较高的方法,一般情况下可达电压“11bit+符号”或电流“10bit”级别的分辨率。
3.2 脉冲信号同步控制
在电子技术中,脉冲信号是一个按一定电压幅度,一定时间间隔连续发出的脉冲信号。我们将第一个脉冲和第二个脉冲之间的时间间隔称为周期;而将在单位时间(如1秒)内所产生的脉冲个数称为频率。
通常情况下,最大输入脉冲频率可以在0.1KHz到50KHz之间选择。VF1变频器在主令电位器的控制下输出同步脉冲数给VF2,VF2接受脉冲数进行运转并同时输出同步脉冲数给VF3,直到VF4。由于脉冲信号的数字处理技术和抗干扰能力强,因此在同步控制中也被广泛使用。
3.3 通讯总线同步控制
通过网络设定频率是一种高精度的频率设定,其具有通讯速率高,稳定可靠,接线简单等优点,而且在模拟量控制时,输出端经过一个数模转换器,经过导线,进入输入端(变频器)又需要经过一个模数转换器才能参与控制。两个转换器位数不同和导线损耗都可能造成一定误差,而通讯传递直接是数字量不需要转换,没有误差,在传输过程中不会造成损耗,而且响应速度率也会很高。
通常情况下,同步控制可采用RS485总线的异步通讯控制方式,如图(3)所示。选用变频器标准内置的RS485可以方便实现与上位机的通讯,同时也可挂现场总线或局域网,通过网络进行信息交换,主要有PROFIBUS、Modbus、FF等对应不同的网络及总线形式,但必须配用专用接口卡。
4 结束语
化纤后纺设备的变频技术应用应结合工艺本身的要求,选择具有共用直流母线方式的多电机传动控制结构能够很好地解决一道和二道的持续发电问题,同时采用同步控制来实现恒定的牵伸比。本方案已经在多家短纤维后纺设备的技术改造中得到成功应用。
(转载)



