一、引言
目前国内市场上的滚齿机有数控型和普通型的,适于汽车、拖拉机、摩托车行业成批大量生产直齿和斜齿圆柱齿轮、蜗轮及链轮和短键轴的加工。
数控型滚齿机有一轴的伺服控制,控制X轴的径向进给运动轴;最多也有六轴的伺服控制,控制A轴的刀架转角运动轴,B轴的滚刀主轴回转运动轴,C轴的工作台回转运动轴,X轴的径向进给运动轴,Y轴的切向进给运动轴,Z轴的轴向进给运动轴。
数控型滚齿机国内有重庆机床集团的等,普通型的国内有陕西第二机床厂等。
二、滚齿机的主要组成部分
滚齿机有机床、工件台,刀架台,操作台四个部分组成。
机床固定整个滚齿机机架,完成各种驱动的变速调节,链条传动等;
工件台完成工件回转运动和径向进给运动;
刀架台完成滚刀主轴回转运动,刀架转角运动和刀具的切向进给运动;
操作台完成加工件的参数设定,系统运行情况的监控和系统运行的相关操作。如下图普通型和数控型的滚齿机。
三、滚齿机的控制原理
滚齿机通过工件的旋转和刀具的旋转及上下运动,运用先进剃齿机技术,使得工件的旋转和刀具的转角形成一定的角度完成不同齿型工件的加工。采用伺服系统,执行径向进给位置量的控制,提高了径向进给轴的绝对定位精度和重复定位精度;操作、编程方便,具有中英文菜单显示,内置PLC实现自动控制,具有粗-精剃齿、径向进给量预选、光整、微量回程、工作台定点停位等功能。提高可靠性及生产效率,减少调整辅助时间。

广泛用于加工外啮合直齿、斜齿圆柱齿轮和鼓形齿、小锥度齿齿轮。适合成批大量生产的汽车、摩托车、拖拉机和机床等行业使用。机床借鉴当代世界水平的剃齿机技术,具有国内先进水平。
四、系统控制解决方案
1)电气控制方案
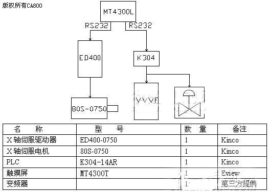
由触摸屏作为主站,通过RS232与PLC通讯控制,实现各种工件参数的设定,同时通过触摸屏独立的双串口协议功能与伺服通讯,完成对X轴径向进给运动控制。
通过我们的伺服回原点功能,采用绝对定位控制模式,可以提高径向进给轴的绝对定位精度和重复定位精度。

说明:刀具架(配刀具)的进给由变频器带动齿轮变速箱驱动。
工件架由伺服电机80S带动丝杆控制X轴向的进给量。
2)电气方案配置
电气原理框架图如下:

五、结束语
滚齿机上有用单轴的伺服系统,也有用多轴的伺服系统,还有采用多轴的CNC数控系统。其中多轴的伺服系统中,七轴四轴联动的,六轴三轴联动的。其中多轴单动的是我们目前的主要推广市场。滚齿机目前在国内有一定的伺服市场,同样也是我们整体解决方案的市场所在。目前Siemens,FANUC具有一定的市场份额,但是将来也是我们CNC数控系统的市场所在。
(转载)



