昆明世纪城是云南最大的居民区,该项目开发竣工时,将有十余万人口居住,其沐浴用的热水是采掘地下温泉抽到地面储水罐,再经恒压供水系统送到各住户,抽水的地下深度为100M,地面上抽水点与变频柜的距离为200m,潜水泵是采用天津甘泉集团QJR系列潜热水电泵,此前该项目分别采用ABB与上海日普变频器,多次烧坏潜水泵,后来,分析了前者失败的原因后,我们为该项目配置一套潜水泵的变频系统,经过一段时间的运行,证明是成功的,可行的。为进一步在该项目中应用打下了良好的基础。
一、前者失败的原因:
1.选型的错误。由于地下水有较强的压力阻力,选型时一定放大一个功率段,即30KW电机应选37KW变频器,旦一定设置为P型。
2.对于这种长距离传输的变频器,应当在变频器输出端加电抗器,以防止线路的电压降落,维持电机端子足够的功率。
3.变频器必须进行自调谐,以保证控制性能,即满足力矩特性和保护功能。
4.参数设置不当。导致变频器的潜力没有得到充分的挖掘。
针对上述情况,我们采取了相应的措施。
二、我们的对策
1.选用艾默生EV2000-4T0370P型变频器拖动30KW潜水泵。
2.配置上海鹰峰电子公司的YFT-OCL型90A电抗器。
3.做静态电机自调谐(因电机在水下,无法旋转调谐)。
4.合理的设置变频器控制参数。
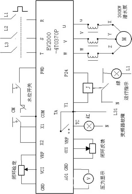
三、控制原理图:

此方案采用VCI作为闭环给定信号,CCI作闭环反馈信号,由Xι作为开环工频给定,X2作为闭环失效命令。
四、主要参数设置

(转载)



