| 在FANUC数控系统中,数控车床螺纹切削循环加工有两种加工指令:G92直进式切削和G76斜进式切削。由于切削刀具进刀方式的不同,使这两种加工方法有所区别,各自的编程方法也不同,工件加工后螺纹段的加工精度也有所不同。
一、 编程指令介绍 1. G92 (1)指令格式 G92 X(U)_Z(W)_R_F_ (2)指令功能 切削锥螺纹(包含圆柱螺纹),刀具从循环起点,按图1所示的走刀路线,最后返回到循环起点。图中虚线表示按R快速移动,实线按F指定的进给速度移动。 (3)指令说明 X、Z表示螺纹终点坐标值;U、W表示螺纹终点相对循环起点的坐标分量;R表示锥螺纹始点与终点在X轴方向的坐标增量(半径值),圆柱螺纹切削循环时R为零,可省略;F表示螺纹导程。
(4)进刀方式 在G92螺纹切削循环中,螺纹刀以直进的方式进行螺纹切削。总的螺纹切削深度(牙高)一般以常量值进行分配,螺纹刀双刃参与切削。每次的切削深度一般由编程人员在编程时给出,如图2所示。
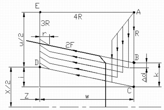
图2 直进式加工 2. G76 (1)指令格式 G76 P m r a QΔdmin Rd (2)指令功能 该螺纹切削循环的工艺性比较合理,编程效率较高,螺纹切削循环路线如图3所示。 (3)指令说明 m表示精加工重复次数;r表示斜向退刀量单位数(0.01~9.9f,以0.1f为一个单位,用00~99两位数字指定);a表示刀尖角度;Δdmin表示最小切削深度,当切削深度Δdn小于Δdmin,则取Δdmin作为切削深度;X表示D点的X坐标值;U表示由A点至D点的增量坐标值;Z表示D点Z坐标值;W表示由C点至D点的增量坐标值;i表示锥螺纹的半径差;k表示螺纹高度(X方向半径值);d表示精加工余量;F表示螺纹导程;Δd 表示第一次粗切深(半径值)。 切削深度递减公式计算: 。
图3 G76螺纹切削循环路线 (4)进刀方式 在G76螺纹切削循环中,螺纹刀以斜进的方式进行螺纹切削。总的螺纹切削深度(牙高)一般以递减的方式进行分配,螺纹刀单刃参与切削。每次的切削深度由数控系统计算给出,如图4所示。
图4 斜进式加工 二、加工精度分析及相关指令应用 G92螺纹切削循环采用直进式进刀方式,由于刀具两侧刃同时切削工件,切削力较大,而且排削困难,因此在切削时,两切削刃容易磨损。在切削螺距较大的螺纹时,由于切削深度较大,刀刃磨损较快,从而造成螺纹中径产生误差。但由于其加工的牙形精度较高,因此一般多用于小螺距高精度螺纹的加工。由于其刀具移动切削均靠编程来完成,所以加工程序较长。由于刀刃在加工中易磨损,因此在加工中要经常测量。 G76螺纹切削循环采用斜进式进刀方式,由于单侧刀刃切削工件,刀刃容易损伤和磨损,使加工的螺纹面不直,刀尖角发生变化,而造成牙形精度较差。但由于其为单侧刃工作,刀具负载较小,排屑容易,并且切削深度为递减式,因此,此加工方法一般适用于大螺距低精度螺纹的加工。此加工方法排屑容易,刀刃加工工况较好,在螺纹精度要求不高的情况下,此加工方法更为简捷方便。如果需加工高精度、大螺距的螺纹,则可采用G92、G76混用的办法,即先用G76进行螺纹粗加工,再用G92进行精加工。需要注意的是粗精加工时的起刀点要相同,以防止螺纹乱扣的产生。 三、编程举例 如图5所示,分别运用G92、G76螺纹切削循环指令编程。
图5 加工示例零件图 1.G92 编程 N10 G50 X100. Z50. 2. G76 编程 N10 G50 X100. Z50. 四、结束语 以上我们通过实例介绍了G92、G76螺纹切削循环指令的区别以及它们各自不同的编程方式和应用场合。在实际生产过程中应根据工件的加工特点与要求正确灵活地运用这些切削循环指令。 |
(转载)












