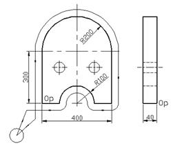
| 例题1 用直径为20mm的立铣刀,加工如图1所示零件。要求每次最大切削深度不超过20mm。

图1
工艺分析
零件厚度为40mm,根据加工要求,每次切削深度为20mm,分2次切削加工,在这两次切深过程中,刀具在XY平面上的运动轨迹完全一致,故把其切削过程编写成子程序,通过主程序两次调用该子程序完成零件的切削加工,中间两孔为已加工的工艺孔,设图示零件上表面的左下角为工件坐标系的原点。
加工程序
|
程 序 |
注 释 |
|
O1000 |
程序号 |
|
N010 G90 G92 X0 Y0 Z300 |
使用绝对坐标方式编程,建立工件坐标系 |
|
N020 G00 X-50 Y-50 S800 M03 |
快速进给至X=-50,Y=-50,主轴正转,转速800r/min |
|
N030 G01 Z-20 F150 |
Z轴工进至Z=-20,进给速度150mm/min |
|
N040 M98 P1010 |
调用子程序O1010 |
|
N050 Z-45 F300 |
Z轴工进至Z=-45,进给速度300mm/min |
|
N060 M98 P1010 |
调用子程序O1010 |
|
N070 G00 X0 Y0 Z300 |
快速进给至X=0,Y=0,Z=300 |
|
N100 M30 |
主程序结束 |
|
O1010 |
子程序号 |
|
N010 G42 G01 X-30 Y0 F300 H02 M08 |
切削液开,直线插补至X=-30,Y=0,刀具半径右补偿H02=10mm |
|
N020 X100 |
直线插补至X=100,Y=0 |
|
N030 G02 X300 R100 |
顺圆插补至X=300,Y=0 |
|
N040 G01 X400 |
直线插补至X=400,Y=0 |
|
N050 Y300 |
直线插补至X=400,Y=300 |
|
N060 G03 X0 R200 |
逆圆插补至X=0,Y=300 |
|
N070 G01 Y-30 |
直线插补至X=0,Y=-30 |
|
N080 G40 G01 X-50 Y-50 |
直线插补至X=-50,Y=-50,取消刀具半径补偿 |
|
N090 M09 |
切削液关 |
|
N100 M99 |
子程序结束并返回主程序 |
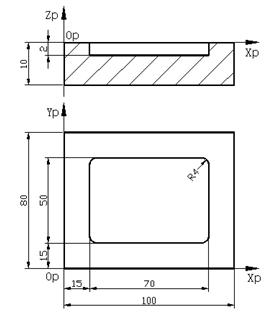
例题2 用直径为8mm的立铣刀,粗铣如图2所示工件的形腔。

图2
图3
工艺分析
1 确定工艺路线 如图3所示,采用行切法,刀心轨迹B→C→D→E→F作为一个循环单元,反复循环多次,设图示零件上表面的左下角为工件坐标系的原点。
2 计算刀心轨迹坐标、循环次数及步进量(Y方向步距)如图4-6-3所示,设循环次数为n,Y方向步距为y,步进方向槽宽为B,刀具直径为d,则各参数关系如下:
循环1次 铣出槽宽y+d
循环2次 铣出槽宽3y+d
循环3次 铣出槽宽5y+d
┇
循环n次 铣出槽宽(2n-1)y+d=B
根据图纸尺寸要求,将B=50,d=8代入式(2n-1)y+d=B,即(2n-1)y=42,取n=4,得Y=6,刀心轨迹有1mm重叠,可行。
加工程序
|
程 序 |
注 释 |
|
O1100 |
程序号 |
|
N010 G90 G92 X0 Y0 Z20 |
使用绝对坐标方式编程,建立工件坐标系 |
|
N020 G00 X19 Y19 Z2 S800 M03 |
快速进给至X=19,Y=19,主轴正转,转速800r/min |
|
N030 G01 Z-2 F100 |
Z轴工进至Z=-2 |
|
N040 M98 P10104 |
重复调用子程序O1010四次 |
|
N050 G90 G00 Z20 |
Z轴快移至Z=20 |
|
N060 X0 Y0 M05 |
快速进给至X=0,Y=0,主轴停 |
|
N070 M30 |
主程序结束 |
|
O1010 |
子程序号 |
|
N010 G91 G01 X62 F100 |
使用相对坐标方式编程,直线插补,X坐标增量62 |
|
N020 Y6 |
直线插补,Y坐标增量6 |
|
N030 X-62 |
直线插补,X坐标增量-62 |
|
N060 Y6 |
直线插补,Y坐标增量6 |
|
N070 M99 |
子程序结束并返回主程序 |
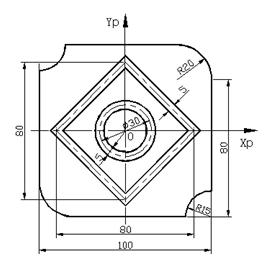
例题3 用直径为8mm的立铣刀,加工如图4所示零件的槽,要求每次切深不超过4mm。

图4
图中A(-33,-9)、B(-33,16)、C(-21,28)、D(12,28)、E(37,3)、 F(37,-30)、G(25,-42)、H(15.68,-42)、I(4.404,-34.104)、J(2.872,-29.896)、K(-8.405,-22)、L(-20,-22)
工艺分析
将刀心运动轨迹A→B→C→D→E→F→G→H→I→J→K→L→A编写成子程序,设每次切削深度4mm,主程序两次调用该子程序完成槽的切削加工,槽的切削深度用相对坐标表示其增量,设零件上表面的对称中心为工件坐标系的原点。
加工程序
|
程 序 |
注 释 |
|
O1000 |
程序号 |
|
N010 G90 G92 X0 Y0 Z100 |
使用绝对坐标方式编程,建立工件坐标系 |
|
N020 G00 X-33 Y-9 Z2 S800 M03 |
快速进给至X=-33,Y=-9,Z=2,主轴正转,转速800r/min |
|
N030 G01 Z0 F100 |
Z轴工进至工件表面,进给速度100mm/min |
|
N040 M98 P10102 |
重复调用子程序O1010两次 |
|
N050 G90 G00 Z100 |
Z轴快移至Z=100 |
|
N060 X0 Y0 M05 |
快速进给至X=0,Y=0,主轴停 |
|
N070 M30 |
主程序结束 |
|
O1010 |
子程序号 |
|
N010 G91 G01 Z-4 |
增量值输入,Z向切深4mm |
|
N020 G90 X-33 Y16 |
绝对值输入,直线插补至B点 |
|
N030 G02 X-21 Y28 R12 |
圆弧插补至C点 |
|
N040 G01 X12 |
直线插补至D点 |
|
N050 G02 X37 Y3 R25 |
圆弧插补至E点 |
|
N060 G01 Y-30 |
直线插补至F点 |
|
N070 G02 X25 Y-42 R12 |
圆弧插补至G点 |
|
N080 G01 X15.68 |
直线插补至H点 |
|
N090 G02 X4.404 Y-34.104 R12 |
圆弧插补至I点 |
|
N100 G01 X2.872 Y-29.896 |
直线插补至J点 |
|
N110 G03 X-8.405 Y-22 |
圆弧插补至K点 |
|
N120 G01 X-20 |
直线插补至L点 |
|
N130 G02 X-33 Y-9 R13 |
圆弧插补至A点 |
|
N140 M99 |
子程序结束并返回主程序 |
例题4 用直径为5mm的立铣刀,加工如图5所示零件,其中方槽的深度为5mm,圆槽的深度为4mm,外轮廓厚度为10mm。

图5
工艺分析
该零件的工艺过程由三个独立的工序组成,为了便于程序的检查、修改和工序的优化,把各工序的加工轨迹编写成子程序,主程序按工艺过程分别调用各子程序,设零件上表面的对称中心为工件坐标系的原点。
加工程序
|
程 序 |
注 释 |
|
O1100 |
程序号 |
|
N010 G90 G92 X0 Y0 Z20 |
使用绝对坐标方式编程,建立工件坐标系 |
|
N020 G00 X40 Y0 Z2 S800 M03 |
快速进给至X=40,Y=0,主轴正转,转速800r/min |
|
N030 M98 O1010 |
调用子程序O1010 |
|
N040 G00 Z2 |
Z轴快移至Z=2 |
|
N050 X15 Y0 |
快速进给至X=15,Y=0 |
|
N060 M98 O1020 |
调用子程序O1020 |
|
N070 G00 Z2 |
Z轴快移至Z=2 |
|
N080 X60 Y-60 |
快速进给至X=60,Y=-60 |
|
N090 M98 O1030 |
调用子程序O1030 |
|
N100 G00 Z20 |
Z轴快移至Z=20 |
|
N110 X0 Y0 M05 |
快速进给至X=0,Y=0,主轴停 |
|
N120 M30 |
主程序结束 |
|
O1010 |
子程序号 |
|
N010 G01 Z-5 F100 |
Z轴工进至Z=-5,进给速度100mm/min |
|
N020 X0 Y-40 |
直线插补至X=0,Y=-40 |
|
N030 X-40 Y0 |
直线插补至X=-40,Y=0 |
|
N040 X0 Y40 |
直线插补至X=0,Y=40 |
|
N050 X40 Y0 |
直线插补至X=40,Y=0 |
|
M99 |
子程序结束并返回主程序 |
|
O1020 |
子程序号 |
|
N010 G01 Z-4 F150 |
Z轴工进至Z=-4,进给速度150mm/min |
|
N020 G02 X15 Y0 R15 |
顺圆插补至X=15,Y=0 |
|
N030 M99 |
子程序结束并返回主程序 |
|
O1030 |
子程序号 |
|
N010 G00 Z-10 |
Z轴快移至Z=-10 |
|
N020 G41 G01 X35 Y-50 F80 H05 |
直线插补至X=35,Y=-50,刀具半径左补偿H05=2.5mm |
|
N030 X-30 |
直线插补至X=-30 |
|
N040 G02 X-50 Y-30 R20 |
顺圆插补至X=-50,Y=-30 |
|
N050 G01 Y35 |
直线插补至Y=35 |
|
N060 G03 X-35 Y50 R15 |
逆圆插补至X=-35,Y=50 |
|
N070 G01 X30 |
直线插补至X=30 |
|
N080 G02 X50 Y30 R20 |
顺圆插补至X=50,Y=30 |
|
N090 G01 Y-35 |
直线插补至Y=-35 |
|
N100 G03 X-35 Y-50 R15 |
逆圆插补至X=-35,Y=-50 |
|
N110 G40 G01 X-60 Y-60 |
直线插补至X=-60,Y=-60,取消刀具半径补偿 |
|
N120 M99 |
子程序结束并返回主程序 | |