一、变频器工作原理及技术规范
1、变频器原理介绍
变频器是利用电力半导体器件的通断作用将工频电源变换为另一频率的电能控制装置。低压变频器主要采用交—直—交方式,先把工频交流电源通过整流器转换成直流电源,然后再把直流电源转换成频率、电压均可控制的交流电源以供给电动机。变频器的电路一般由整流、中间直流环节、逆变和控制4个部分组成。整流部分为三相桥式不可控整流器,逆变部分为IGBT三相桥式逆变器,且输出为PWM波形,中间直流环节为滤波、直流储能和缓冲无功功率。通过变频器可以自由调节电机的速度。如图1为变频器内的控制电路框图。

图1 变频器内的控制电路框图

图1 变频器内的控制电路框图
2、变频器技术规范
|
控制 |
控制方法 |
空间电压矢量控制方式 | |||
|
频率设定分辩率 |
数字 : 0.01 Hz (100 Hz以下), 0.1 Hz ( 100 Hz以上)
模拟 : 0.05 Hz / 50 Hz, 输出频率范围:0 – 300 Hz | ||||
|
频率精度 |
数字 : 最大输出频率的0.01 %
模拟 : 最大输出频率的0.1 % | ||||
|
V/F 比率 |
线性, 平方根, 任意 V/F | ||||
|
过载能力 |
额定电流150 % -1 分钟, 额定电流200% - 0.5 秒。(特性与时间成反比) | ||||
|
转矩补偿 |
手动转矩补偿 (0 - 20 %), 自动转矩补偿 | ||||
|
运行 |
输入信号 |
运行方式 |
键盘/ 端子 /RS485 通讯 | ||
|
频率设定 |
模拟 : 0 - 10V / 4 - 20 mA /, 子板的另外端口(0 - 10V/4 - 20 mA)
数字 : 键盘/RS485 通讯 | ||||
|
启动信号 |
正转,反转 | ||||
|
多段速度 |
至多可以设定8个速度 (使用多功能端子) | ||||
|
加减速时间 |
0-6000秒,加减速时间可切换
加减速方式:线性, S型 | ||||
|
紧急停止 |
中断变频器的输出 | ||||
|
寸动 |
慢速运行 | ||||
|
自动运行 |
通过设定的参数自动运行(7段速度) | ||||
|
故障复位 |
当保护功能处于有效状态时,可以自动复位故障状态。 | ||||
|
输出信号 |
运行状态 |
频率检测等级,过载报警,过电压,欠电压,变频器过热, 运行,停止,恒速,自动程序运行 | |||
|
故障输出 |
触点输出 – 交流250V 1A, 直流30V 1A | ||||
|
模拟输出 |
从输出频率,输出电流,输出电压,直流电压中选择
(输出电压: 0 - 10V) | ||||
|
运行功能 |
直流制动,频率限制,跳频,滑差补偿,反转保护,PID 控制等 | ||||
|
保护功能 |
变频器保护 |
过电压,欠电压, 过电流, 保险丝断,接地故障, 变频器过热, 电机过热, 缺相,过载保护,外部故障1,2, 通讯错误,速度指令丢失, 硬件故障, 选件错误等。 | |||
|
变频器报警 |
堵转防护,过载报警, 温度传感器故障。 | ||||
|
瞬间掉电 |
小于15 毫秒:连续运行
大于15 毫秒:允许自动重新启动 | ||||
|
显示 |
键盘 |
运行信息 |
输出频率,输出电流,输出电压,设定频率,运行速度,直流电压 | ||
|
错误信息 |
当故障保护时的运行状态, 保存有3个故障历史信息。 | ||||
|
环境 |
环境温度 |
-10 ℃ ~ 40 ℃ | |||
|
储存温度 |
-20 ℃ ~ 65 ℃ | ||||
|
环境湿度 |
最大90 % RH .(不结露) | ||||
|
高度/振动 |
1,000 m 以下,5.9m/秒²(=0.6g)以下 | ||||
|
应用地点 |
无腐蚀气体、易燃气体、油雾或粉尘及其它 | ||||
|
冷却方式 |
强制风冷 | ||||
二、节能分析
变频调速技术的基本原理是根据电机转速与工作电源输入频率成正比的关系: n =60 f(1-s)/p,(式中n、f、s、p分别表示转速、输入频率、电机转差率、电机磁极对数);通过改变电动机工作电源频率达到改变电机转速的目的。通过流体力学的基本定律可知:风机、泵类设备均属平方转矩负载,其转速n与流量Q,压力H以及轴功率P具有如下关系:Q∝n ,H∝n2,P∝n3;即,流量与转速成正比,压力与转速的平方成正比,轴功率与转速的立方成正比。如下图示为压力H-流量Q曲线特性图:风机、泵类在管路特性曲线R1工作时,工况点为A,其流量压力分别为Q1、H1,此时风机、泵类所需的功率正比于H1与Q1的乘积,即正比于AH1OQ1的面积。由于工艺要求需减小流量到Q2,实际上通过增加管网管阻,使风机、泵类的工作点移到R2上的B点,压力增大到H2,这时风机、泵类所需的功率正比于H2与Q2的乘积,即正比于BH2OQ2的面积。显然风机、泵
类所需的功率增大了。这种调节方式控制虽然简单、但功率消耗大,不利于节能,是以高运行成本换取简单控制方式。

三、改造前设备工况
四、变频改造方案

n1-代表电机在额定转速运行时的特性;
n2-代表电机降速运行在n2转速时的特性;
R1-代表风机、泵类管路阻力最小时的阻力特性;
R2-代表风机、泵类管路阻力增大到某一数组时的阻力特性。
若采用变频调速,风机转速由n1下降到n2,这时工作点由A点移到C点,流量仍是Q2,压力由H1降到H3,这时变频调速后风机所需的功率正比于H3与Q2的乘积,即正比于CH3OQ2的面积,由图可见功率的减少是明显的。对于风机、泵类设备采用变频调速后的节能效果,通常采用以下两种方式进行计算:若采用变频调速,风机转速由n1下降到n2,这时工作点由A点移到C点,流量仍是Q2,压力由H1降到H3,这时变频调速后风机所需的功率正比于H3与Q2的乘积,即正比于CH3OQ2的面积,由图可见功率的减少是明显的。
节能效果计算
尾矿循环水泵110KW,额定电流199A,实际运行电流160A。 对于风机、泵类设备采用变频调速后的节能效果,根据风机平方转矩负载关系式:P / P0=(n / n0)3计算,变频控制在46HZ,则节电率1-(46 / 50)3=22.1%。
三、改造前设备工况
(1)电气控制直接起动,启动时电流对电网冲击大,需要的电源(电网)容量大,功率因素较低;(2)起动时机械冲击大,设备使用寿命低;(3)电气保护特性差,当负载出现机械故障时不能瞬间动作保护设备等。采用变频器可实现大的电动机的软停、软起,避免了启动时的电压冲击,减少电动机故障率,延长使用寿命,同时也降低了对电网的容量要求和无功损耗。
四、变频改造方案
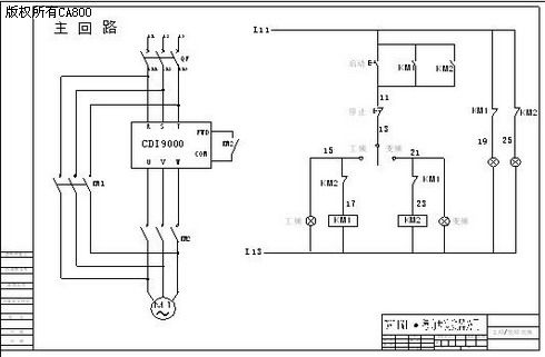
变频柜具有工/变频切换功能,电机由相应变频器驱动,在变频器出现故障时可选择工频启动,以保证生产的连续性。变频器采用恒压控制,保持供水管道的压力恒定。变频柜控制电气图如下:

五、总结

五、总结
实践证明,变频改造具有显著的节电效果,是一种理想的调速控制方式。既提高了设备效率,又满足了生产工艺要求,并且还大大减少了设备维护、维修费用,另外当采用变频调速时,由于变频装置内的直流电抗器能很好的改善功率因数,也可以为电网节约容量。直接和间接经济效益十分明显。
(转载)



