本文描述了用英威腾CHV110一体化节能柜(矢量控制技术)在自动扶梯上的节能改造方案。
关键词语:
自动扶梯 CHV110一体化节电柜(扶梯专用) 光电传感器 工/变频切换 多段速控制
引言
随着城市地产建筑行业的迅猛发展,电梯的安装使用率越来越高。据统计,目前全国在使用的电梯数量达到50万台以上,年耗电量超过300亿千瓦时。因此如何采用高效节能的电梯控制技术,已成为电梯商家及用户十分关注的话题。
目前,国内安装的自动扶梯多采用单速交流电机作为主机,链轮链条式传动,梯级额定速度大多为0.5m/s。这种扶梯即使在无乘客使用时仍以额定速度运行,具有耗能大、机械磨损严重、使用寿命低等缺点。下面将针对这种电梯的不足之处提出具体节能方案。
全自动扶梯节能改造
在不对扶梯的正常使用产生任何负面影响的前提下,引入无速度传感器矢量变频调速的概念。即变频器根据传感器产生的信号,在有人乘坐时,扶梯以原有速度运行(50Hz);当无人时,扶梯减速到低速或停止运行。
系统要求变频器启动运行平稳,加速性能好,启动转矩大,过载能力强,同时应具备当变频器调速系统出现故障时,控制系统自动切换到工频运行,保障扶梯输送功能的正常实施。所以选择了深圳市英威腾电气有限公司的矢量控制技术的CHV110系列一体化节电柜(扶梯专用),该控制柜内部设计了工/变频切换,同时,集成了扶梯节能运行的专用控制功能模块,方便用户的使用。
对于客用自动扶梯,一般使用高峰期出现在下午及晚间时段,其余时段使用率较低,具有相当节能空间。根据以上改造原则,从投资成本及自动化水平两方面考虑,拟使用以下变频拖动方案:采用英威腾CHV110一体化变频节能柜(扶梯专用)驱动电梯主机,变频器采用多段速控制模式,并设置主频率(低速)、多段速频率1(高速)两种运行频率;
● 在电梯首尾处各安装一支红外传感器开关,乘客通过电梯时,红外传感器开关被触发并发出开关信号给变频器;
● 有客流时,红外传感开关被触发,变频器立即加速到多段速频率2,并使电梯高速运行;
● 电梯高速运行时,变频器内置计时器开始计时,若在计时的时间段内再无乘客通过电梯,计时结束后变频器将自动切换到多段速频率1,进行低速运行;
● 若在计时器计时期间,有乘客重新触发光电开关,计时器将重新计时;
● 对电梯上行和下行,外围控制采用开关互锁,保证扶梯系统的正常工作;
● 为消耗下行,或者制动过程产生的多余能量,需在变频器上加装制动电阻。
该方案示意图如下,可做上行,也可做下行,二者互锁控制:
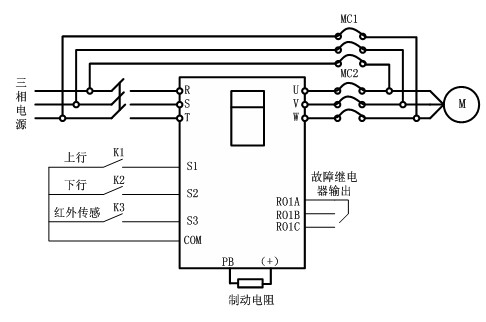
变频系统电气接线图如下:
如上图,电机的电路上都加装了“市电”、“节电”接触器,这样可以有“自动”、“手动”两种工作模式选择:手动模式下,变频器不工作,整套系统手动起停、工频运行;自动模式下,电机由变频器直接拖动,变频运行。当出现故障,系统自动切换到工频运行。
功能参数的设置
自动扶梯专用功能介绍:
调试过程:
1. Pd.00:设置为1,启动扶梯专用功能;
2. Pd.01:运行频率1为电梯平常无人时低速运行的频率设定,频率设定的100﹪对应最大频率(P0.07);
3. Pd.02:运行频率2为扶梯有人时高速运行的频率设定,频率设定的100﹪对应最大频率(P0.07)。一般Pd.02设置为50Hz;
4. 从P5.02~P5.11端子输入中选择一端子,作为电梯脉冲检测口,当检测到脉冲信号时,电梯就运行频率2进行运行,并在所检测的最后一脉冲信号开始延时,当延时到达频率2运行时间时,电梯又返回运行频率1的频率进行运行;
5. 加速时间P0.11设置为1~2秒,保证客人在登上扶梯之前就加速完成;减速时间设置为5~10秒较为合适;
变频系统特点
该方案采用CHV110一体化变频节能柜,在开环矢量控制模式下具有低频启动扭矩大、响应速度快等特点,在0.5Hz启动时其输出转矩可达150%额定转矩,完全能够满足电梯的工艺要求;
变频器的软启动功能可消除电机启动时的电流冲击;
变频器为容性负载,可有效改善电机的功率因数,减少无功损耗;
变频器具有过流、过压、过载、过热等多种电子保护装置,并具有丰富的故障报警输出功能,可有效保证整个系统的正常运作;
无客流量时电梯运行速度很低,机械磨损大为降低;
变频拖动系统的启动、停止及速度转换过程平稳顺畅,舒适感较好。
有“手动”“自动”两种工作模式,在变频器出现故障的情况下,仍可按手动工作方式继续运行。
结束语
该方案采用英威腾CHV一体化变频节能柜(扶梯专用),不但能够满足系统启动运行平稳、启动转矩大、过载能力强、转速调节精度高的要求;而且电机通过变频拖动,可减少机械磨损,延长使用寿命,工作更加安全可靠,因为调节电机转速空间大,使得系统节能效果更为显著。
参考文献
《CHV110系列矢量变频器说明书》 深圳市英威腾电气有限公司
《扶梯控制原理及日常维护丛书》



