关键词:可编程控制器 远程监控系统 无线数据传输
1. 引言
可编程控制器[1](Programmable Logic Controller,简称PLC)作为工业控制专用的计算机,由于其结构简单、性能优良,抗干扰性能好,可靠性高,编程简单,调试方便,在机械、化工、橡胶、电力、石油天然气等行业工业控制现场已日趋广泛地得到应用,成为工控现场进行实时控制的最主要的控制装置。同时利用PLC所具有的串行通信和计算机的远程通信功能,可实现计算机对多台PLC控制装置的远程集中监控。
在石油、天然气远程输送管线上,大口径油气管道阀门是重要的基础设备之一,具有截止、开启、配送和调压等多种功能,一旦出现故障轻则影响管线的输送功能,重则导致管线的严重破坏甚至造成人生安全,因此对油气管道及阀门的全程状态监控显得尤为重要。远程油气管道监控系统就是为提高油气远程输送的安全可靠性而提出来的,该系统允许系统操作员通过位于监控中心的计算机终端,进行对一定区域的阀门站进行远程,具有较高的可靠性和运行效率。
2. 监控系统的组成结构
远程油气管线监控系统硬件组成示意图如图1所示。该系统是以PLC作为远程控制终端,以工控PC机作为上位机的主从式一点对多点的远程无线监控网络,采用串行异步通讯协议。下位机PLC安装在各阀门站,根据上位机的指令或自身的控制程序控制阀门的开启或关闭,并配置各种传感器等辅助设备,组成数据采集和控制系统。上位机安装于油气调度控制中心,以半双工轮询方式同各阀门站PLC通讯,以此形成SCADA(数据采集与监控)系统。无线数传电台采用透明方式工作,只起数据传输作用,整个网络数据收发采用同一频率,通讯时,站点的识别是通过PLC的不同地址编号来实现的。
各阀门站采用PLC作为系统的基本RTU单元,完成各种测量和控制任务,主要由PLC本体、AD转换模块、传感器组与智能驱动装置四部分组成。

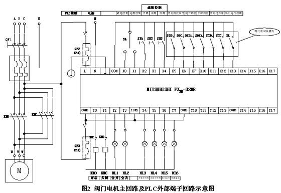
2.1 阀门电机主回路
图2为阀门电机主回路及PLC外部端子回路示意图。三相交流电动机M分别由交流接触器KMO和KMC的通断来驱动阀芯顺、逆时针转动实现阀门的开启或关闭。

2.2 PLC外部端子回路
系统选用三菱电机公司生产的FX2N-32MR作为RTU单元。智能驱动装置是引进美国Limitorque技术的SMC多回转型阀门电动装置,它可以单台控制,也可集中控制,可现场操作,也可远程控制,除能驱动阀门动作外同时还能将自身的状态以标准信号的方式送出供PLC进行状态检测[2]。考虑阀门站兼有就地和远程两种控制方式,PLC共管理12路输入信号和8路输出信号。其输入输出信号及端子分配如表1所示。
表1 PLC输入/输出信号及端子分配表

2.3 A/D转换模块
A/D转换模块选用与PLC本体配套的FX2N-4AD,其有四路独立的差分输入通道。每个通道可选择为电流型(±20mA)或电压型(±10VDC)信号输入。在每个阀门站管线或阀门的适当位置装上温度、压力和流量传感器,以采集油气管线的工作状态。参数信号经传感器变送后分别与FX2N-4AD各独立通道相连,经AD转换后放到相应的数据寄存器中,供PLC程序定时读取。
2.4 数传电台选型与设置
计算机与PLC之间采用无线数传电台方式进行通讯,采用交错编码、收后重发技术,提高无线通讯的抗干扰能力,确保阀门站无线远程控制的安全可靠运行。数据传输模块选用美国的MDS2710数字传输电台,它可为两点之间的数据传输提供全透明的半双工通讯连接[3]。它一端与嵌入在PLC内的通讯FX2n-485-BD通过RS485接口方式相连,另一端则通过标准的RS232接口与监控中心服务器的串口连接,组成准双向的数据发送与接收无线通讯网络,网络的最大节点数可达32个。
电台数据帧格式设置为7位数据位、1位停止位、偶校验的方式,传输速率为9600bit/s。电台发射功率为25W,采用收、发同频方式(235MHz),主站架设全向天线,阀门站架设定向八木式天线后,数据传输距离可达15Km以上,在地势平坦地区,通讯距离可达20Km。与之相适应PLC通讯格式特殊数据寄存器D8120设置为-8058,D8121寄存器用来设置各阀门站ID号。为了安全,除在天线安装了避雷针外,天线到电台之间的馈线也加装了避雷器。
3. 监控系统软件实现
系统对阀门的监控能实现就地控制和远程控制两种控制方式。系统控制过程流程为:传感器将测得信号通过屏蔽信号电缆传送到A/D转换模块的输入端,经过A/D转换模块转换后存入指定的数据寄存器供PLC读取。PLC将数据通过无线数传电台送出,最后到监控中心供系统处理,完成一次数据采集过程。系统控制信号当为就地控制方式时由操作者通过阀门站控制箱内的按钮直接控制;当为远程控制时则由监控中心发出,PLC接收到信号后通过输出端口控制智能驱动装置使阀门动作。
系统软件由两部分组成:一是PLC端实时测控软件;二是监控中心计算机测控数据实时处理软件。
3.1 阀门站PLC软件设计
PLC端阀门站实时测控软件控制过程流程图如图3所示。它采用梯形图逻辑编制,编程方便且直观。因篇幅原因,下面给出PLC本体从FX2N-4AD给取AD转换结果及部分控制程序梯形图[1,4],如图4所示。


3.2 系统监控中心软件
本监控系统软件是利用KingView6.5[5]编写。能充分利用Windows的图形编辑功能,方便地构成监控画面,以动画图形方式显示控制设备的状态,具有数据库ODBC接口、DDE功能、可便利地生成各种曲线和用户报表,也可将数据以Excel格式输出。系统软件主要由实时监控、曲线动态生成、数据报表管理、数据库管理、报警及用户管理六大功能模块组成。
用户通过系统可随时清楚了解网内各阀门站的状态参数与阀门状态,对阀门实施远程控制,对所监测的各种参数均设有上、下限值,具有越限报警、紧急处理功能。系统将历史数据以多种方式保存,便于管理者进行阀门站运行数据的分析统计和故障分析[6]。图5为监控系统主画面。

图5 监控系统主画面
4. 结语
系统监控中心通过数据传输电台对油气管线中多阀门站参数同时实时采集、对异常情况及时报警,消除了安全隐患,极大改善了我国目前油气管线监管不力的现状,系统有较强的数据处理功能,实现了数据报表的自动生成、数据库的访问、排序、查询等多种功能。系统经半年多实际运行,其性能稳定,运行可靠,人机界面友好,易操作,使用维护方便,具有很好的可扩展性和较高的实用价值。
参考文献:
[1] 廖常初.可编程序控制器的编程方法与工程应用[M].重庆:重庆大学出版社,2001.
[2] 天津百利二通机械有限公司.阀门驱动装置技术手册[M],2000.
[3] 深圳华夏盛科技有限公司. 2710/4710系列数据传输电台安装和使用指南[M],2003.
[4] 钟肇新,彭侃.可编程控制器原理及应用(第二版)[M]. 广州:华南理工大学出版社,1999.
[5] 北京亚控科技发展有限公司. Kingview 6.5使用手册[M],2003.
[6] 杨富强.PLC及无线网络技术在污水收集泵站监控系统中的应用[J].广东自动化与信息工程,2001,2:6-10.



