在电力系统的运行中,曾经发生过由于发电机变压器组高压断路器一相未断开而烧坏发电机的事故,这种故障发生在的内部(例如拉杆折断而跳不开闸等),此时利用控制屏台上的信号灯或失灵保护往往不能反应这种故障,因此运行人员不能及时发现。
由于一相断线而引起电动机烧坏的事故,更是屡见不鲜。
本文提出的断相保护是利用三个高灵敏度的电流元件(最小起动电流为0.1 A)来反应被保护设备的三相电流,当一相或两相电流为零时保护动作,而当三相均有电流或均无电流时则不动作。即使是在被保护设备空载运行的状态下,由输电线路的电容电流、变压器或电动机的空载励磁电流也足以使电流元件可靠动作,因此它实质上是利用鉴别电流的有无来判断是否发生了断相,这一特性是机电型继电器所难以达到的。构成断相保护的框图如图1。

图1 电气设备断相保护框图
1 高灵敏度的电流元件[1]
保护中所用电流元件的原理框图如图2所示。从被保护设备的电流互感器取得电流送入中间变流器,从变流器二次侧的电阻上取得电压,为了限制在短路电流的作用下出现危险的高电压,在电阻两端并联了限幅的稳压管。

图2 电流元件原理接线图
经整流后的输出再经电压放大(调节定值)后作为比较电路的输入信号,与门槛电压进行比较。为了提高动作的安全性,防止干扰信号的影响,设计中考虑了整流后电压的瞬时值在门槛电压之上的持续时间必须2 ms时,才能动作输出。由于这种输出信号是每隔10 ms出现一次,因此还需要一个脉冲展宽12 ms的回路,将它展宽为连续信号的输出。刚好符合起动条件时的各点电压波形如图3所示。

图3 电流元件动作时的波形图
被保护设备正常运行时,高灵敏度的电流元件一直处于动作状态,输出为“1”态高电位的信号,断相保护并不动作。此时每相的功率损耗<0.5 VA。
2 保护装置的逻辑回路
根据要求,本保护装置只在被保护设备一相或两相断开时才应动作发出信号,因此采用了如图1所示的逻辑回路接线。当三相均有电流时,“与非门1”输出0态;而当三相均无电流时,“或门2”输出0态。在这两种状态下“与门3”均输出0态,表示保护装置不动作。只有当任一相或两相的电流为0时,“与门3”才输出1态,经延时0.5~2 s后动作发出信号。增加延时的目的,是为了考虑让被保护设备的继电保护与单相重合闸相配合,只在发生真正的断相故障时才有选择性地动作。
3 保护装置的应用举例
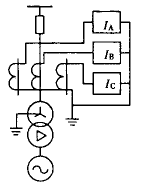
当被保护的电气设备每相均装有电流互感器时,本保护装置和常规的电流保护一样,应分别接入三相,进行按相的电流监视和鉴别。当应用于发电机变压器组的保护时,应将保护装置接入高压侧的,如图4所示。

图4 断相保护用于发电机变压器组时的接线示意图
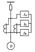
对于电动机的断相保护,由于电动机一般只装设两个电流互感器,因此为了反应B相的断相故障,可采用如图5所示的接线,此时B相电流元件中流入的电流为IA+IC。当电动机正常运行时,此电流等于-IB,而当B相断开时,由于在电动机中IA=-IC,因此通过电流互感器反应到二次侧B相电流元件中的电流也等于零, 断相保护能够正确动作,但此时电流元件的起动电流应躲开由于两个TA误差而产生的不平衡电流。这一接线方式也同样适用于采用两个TA的各种电气设备的断相保护。

图5 断相保护用于电动机时的接线示意图
作者简介:赵中堂,男,天津大学自动化系副教授,从事电力系统自动化方面研究;唐宇,女,硕士生,从事电力系统自动化方面研究;宋从矩,男,天津大学自动化系教授,长期从事电力系统自动化方面的研究;宁景云,男,高级工程师,从事电力系统自动化方面研究。
作者单位:赵忠堂 唐宇 宋从矩 天津大学自动化系,天津300072
宁景云 天津奇神电力高新技术公司,天津 300402
参考文献
1 宋从矩,王笑然.电力自动化设备,1988,8(3):31~33
(转载)



