1 引言
当直流电压作用于绝缘物上时,所产生的电流是由充电电流、吸收电流和泄漏电流三部分组成的,其中充电电流及吸收电流随时间而由大变小,只有泄漏电流与时间无关。
绝缘电阻测试就是通过仪表测量电气设备的泄漏电流值,通常仪表将这一电流值显示为绝缘电阻值(MΩ)。为了减小测试初始充电电流的影响,一般取加压1min后的绝缘电阻值为测量值R60;如果同时读出加压15s时的数值R15,则可求出吸收比K=R60/R15,吸收比对反映大型电力变压器局部缺陷较为灵敏,如变压器油内含有水分,套管及线圈局部弱点或脏污等。
绝缘电阻和吸收比均是判断绝缘物是否受潮的灵敏指标。
绝缘电阻试验使用的仪器主要是兆欧表,俗称摇表。传统兆欧表通过手摇发电机发出的直流电压有500V,1000V,2500V等几种,绝缘电阻的测量范围也因兆欧表型号而异,试验时应根据需要选用不同型号或者不同电压等级的兆欧表。在使用手摇式兆欧表时,使用者还应尽量保持手摇速度在额定转速120r/min左右,因此,使用时多有不便。
本文提到的便携式绝缘电阻测试仪用12V蓄电池供电,经单端反激式开关电源可产生稳定的500V,1000V,1500V,2000V和2500V系列电压,另由单片机系统进行测量采样,数据处理和显示控制。具有体积小,重量轻,响应快等特点。下面主要介绍其电源部分的电路原理和制作方法。
2 电源电路的组成和工作原理
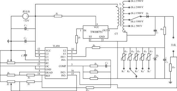
图1所示为数字绝缘电阻测试仪用高压直流电源的电路原理。电源为12V蓄电池,要求在10V以上时仍能保证系统正常工作,开关器件选用了TWH8751型开关集成电路。针对电路输出功率小,输出电压高,体积小等特点,采用了单端反激式的变换器拓扑,高频开关变压器的次级绕组有对应直流500V,1000V,1500V,2000V和2500V的5组抽头,可由用户根据需要选择联动多投旋钮开关的档位,以对次级绕组抽头和相对应的输出电压采样电阻进行同时切换。根据对输出电压和电流的采样,控制电路将及时改变开关器件的导通宽度,从而稳定地输出期望电压,并提供了过压过流保护。

图1 绝缘电阻特性测试仪用高压直流电源原理图
2.1 TWH8751开关集成电路
TWH8751功率开关集成电路采用TOP-220封装形式,内电路由输入级,缓冲放大器和达林顿功率输出级组成,并设有反馈环路和减流型输出保护电路,通用性强。共有5个引出脚,如图1中相应部分的标识所示,管脚功能分别为:输入端(IN),选通端(ST),地端(GND),输出端(OUT)和电源正端(VCC)。当脚2选通端电平≥1.6V时,脚1输入端对输出端(脚4)无控制作用,即末级达林顿管截止,电路无输出;只有脚2为低电平(<1.2V)时,加在脚1上的信号才能有效地控制脚4输出端的电平。
TWH8751的输入端和选通端所需输入控制电流很小,仅100~200μA,而输出端允许通过的最大电流为2A。内部另设有减流型保护电路,当输出电流超过3A时,保护电路能自动使输出电流减至1A左右,在使输出截止后,集成开关电路将重新恢复至2A的输出负载能力。
本例中,将脚2接地,使得脚4的输出受脚1直接控制。脚5和电源之间的电阻R6起限流作用,是必须使用的,约50Ω左右。TL494的开关控制信号也经过了限流电阻R7,起到减小芯片工作功率,以利于散热的作用。
由于系统本身功率较小,只要求开关器件能够承受两倍于电源电压的反向电压,因此,开关管的选择范围很大,也可以选用MOS管或IGBT,但由于它们栅漏极间都存在较大结电容,对开关速度造成了较大影响,而且还需要保持较高的驱动电压,并必须考虑栅漏极间的静电保护。实验对比也表明TWH8751在本系统条件下具有良好的开关特性和宽阔的输入电压适应范围,电路也相当简洁。因此,选用TWH8751开关集成电路是适宜的。
2.2 脉宽调制控制电路部分
TL494是一成熟的定频脉冲宽度调制集成电路,芯片内部结构及其具体功能不再赘述。结合图1对本系统中相应部分做一简单介绍。
系统脉冲频率可由C1和R1根据式(1)近似确定,

合理搭配计时电阻和电容的值可提高基准电压的精度和系统带负载的能力。本例中C1取0.01μF,fosc调整为30kHz左右。芯片脚13输出控制端接地,使其内部两个输出晶体管以同步方式双端输出,保证了输出电流。若开关管选用IGBT,则驱动信号无需放大而由其直接驱动;脚4的死区控制电压则用于限制开关器件的最大导通时间,当ton=T/2时,开关管端电压最大为2倍电源电压,当导通时间增大时,就需要选用更高耐压的开关管了。
图1中R19为一精密小电阻,用于采样负载电流,与TL494片内误差放大器之一组成一个比较器,进行输出过流保护。R9,R10和C4则构成一个模拟PI调节器,用于输出电压负反馈的稳定调节,R11为PI调节器的平衡电阻。R13~R17上的反馈电压期望值应为5V,据此可计算出R13~R17的电阻值,例如在图1所标示的选择开关模式下,就应满足
R14/(R14+R18)=5V/1000V (2)
其中,R18应该选择的足够大,以减小其对负载的分流,从而提高整个系统的效率。
电路中稳压管D2用于对控制部分的过压保护,以防止在开关切换时高电压的串入。
2.3 变换器部分
变换器采用单端反激方式,因为该拓扑可以方便地升压或降压,特别适宜小功率场合。图1中,当开关管导通时,蓄电池电压便加到变压器T1的初级绕组上,于是在次级绕组上感应出下正上负的电压来,整流二极管D1呈截止状态,电能只能以磁能的形式储存在变压器中;而当开关管截止时,次级绕组电压方向变为上正下负,整流二极管D1导通,磁场储能便通过二极管向负载释放。在整个工作过程中,变压器既起到升压的作用,也起到储能电感的作用。
电路参数应保证电路工作在磁化电流连续模式下,即在开关管截止时间toff结束时,次边电流仍大于零,理论上这意味着需要相对提高变压器初级电感L1或增加开关管的导通时间ton,以利于增大储能。另一方面为了保证变压器的磁通复位,防止铁心磁饱和造成开关管的损坏,又需要为开关管截止时间留有裕量。实际系统则需多方兼顾,优化匹配各个参数,可利用式(3)做定性的参考,只要满足

系统就进入磁化电流连续状态,输出电压与负载大小无关。只要满足

那么就满足伏秒平衡条件,磁通便能复位。
式中:N1为变压器初级绕组匝数;
N2为变压器次级绕组匝数;
L1为变压器初级绕组的等效电感;
RL为输出端等效负载的电阻;
Vo为输出直流电压;
Vi为变压器输入电压,即蓄电池电压。
对变压器初级绕组电感L1的计算,应按照输出电压最小值即500V设计,因为,此时对应的电感量最大,确定初级绕组匝数后,再根据式(4)计算出次级相对应的各绕组匝数。
根据实验,本电源初级匝数N1为4匝,次级则是按照每200匝一个抽头,合计N2为1000匝。铁氧体磁芯选择PQ2020型,磁芯材料与日本H7C4磁芯材料相当。
3 工艺结构设计
高压电源中对于高压部分的处理,低电位部分的布线,电路元器件的选择和布置,控制板的布局等都必须有适当的绝缘考虑,同时开关电源特有的噪声问题等,使得高压电源系统的结构设计成为一个非常棘手的问题,需要一定的制作经验。
电路中的核心部件高压变压器由于电压高,匝数多,导线细,相邻导线间隔很窄,线间及层间都有很大的寄生电容,使每个周期中经此电容充放电的能量很大,但这些能量并没有在次边被完全消耗掉,而是在初级开关管产生了很大的损耗,并产生较大噪声。因此,初级绕组应采用蜂房式或分段式绕制方法,以减少寄生电容。而且最好将初级绕组绕在次级外层,以减小漏感,并便于调试。
为了防止高压打火,在高电压周围的元器件切忌有尖角出现,并应保持适当的空间距离,变压器磁芯选用内芯为圆柱形的铁氧体磁芯,在空间允许的条件小,还应尽可能加大层间绝缘纸的厚度,抽头处经由绝缘套管引出。制作好后的变压器还应多次浸漆并以硅橡胶灌封,以提高绝缘性能。
同时,凡经受高di/dt,dv/dt的元器件(开关管,变压器和快速恢复二极管D1)回路中的连线应尽可能短,以减小电磁干扰源的有效区域和电路损耗。
最后整个电路板可以装在一个屏蔽盒里,以降低对邻近电子设备的干扰。
4 结语
通过仔细的设计与调试,此高压电源实测输出电压最大误差为2‰,启动时间小于1s,完全能够满足应用对象的需求,并具有体积小,重量轻,响应快等特点。如进一步提高输出功率和系统效率,还可将高压电源应用于很多场合,如静电复印机、静电喷漆机、通信机等。
(转载)



