随着汽车越来越多地进入家庭,汽车行驶的安全问题也成为人们越来越关注的话题。汽车轮胎压力监测系统(TPMS)由此应运而生,它是继ABS、安全气囊后第3个重要的汽车安全电子产品,主要用于在汽车行驶过程中对轮胎气压、温度进行实时自动监测,并对出现的异常情况进行实时报警,是驾车者和乘车人员的生命安全保障预警系统。
目前TPMS的实现形式主要有两种:基于车轮转速的TPMS(Wheel-Speed Based TPMS),又叫“间接式TPMS”;基于压力传感器的TPMS(Pressure-SensorBased TPMS),又叫直接式TPMS”。间接式TPMS是通过汽车ABS系统的轮速传感器比较车轮之间的转速差别,来确定轮胎压力的变化,这种方式现在用得不多。直接式TPMS是在每个轮胎内使用压力传感器和温度传感器,然后把采集到的压力和温度信号通过有线或无线的方式传送到汽车驾驶室内的主控制器进行处理,目前大多数TPMS采用无线的方式进行压力和温度数据的传送。现在直接式TPMS用得比较广泛。在这种方式中,轮胎内轮胎模块一旦装上,电池就不断地工作,因此轮胎模块低功耗和车轮高速转动时射频接收灵敏度以及噪声抑制就成为系统设计的关键问题。在此原则之下,本文提出了一种新的TPMS设计方法。实验结果表明:所开发的系统工作可靠,能够达到安全预警的目的。
1 总体设计及主要元器件选择
轮胎压力监测系统(TPMS)的工作是通过射频收发来实现的,由轮胎模块和监视器模块组成。图1为其系统结构框图。


1.1 轮胎模块
轮胎模块由传感器、微处理器、发射芯片、电池和天线组成。因为此模块要嵌入到轮胎内,所以模块的超小型和节电设计是最关键的问题。
1.1.1 传感器
传感器选择Motorola公司的压力/温度传感器MPXY8020A。它是一种表面微机械型电容性微机电系统(MSMS)压力传感器。其特点有:专门的TPMS气压和温度传感器、CMOS工艺、低功耗、3 V工作电压、带有MCU唤醒功能的集成低频振荡器、8位数字输出;全部功能集成在单一芯片上,降低了功耗,适合条件要求苛刻的电池供电系统;测压范围为一40℃~+125℃,测温范围为0~637 kPa;它具有4种工作模式,即待机/复位、压力测量、温度测量和数据输出。用户可以通过设置S0和S1引脚选择相应的模式,如表1所列。由表1可以发现,MPXY8020A在不同的工作模式下,需要的工作电路不同,从而达到降低功耗的目的。
1.1.2 微处理器
微处理器选择。Micro-chip公司的:PIC16F636。其主要特点有:
①高性能RISC技术。仅需学习35条指令,这给程序的编写、调试、修改带来极大的便利,便于软件模拟SPI串口及开漏极引脚。
②极低的功耗水平。在1 MHz时钟频率下工作电流约为100μA,而在休眠情况下的典型工作电流仅为1 nA。
③工作温度范围宽。汽车级温度范围为一40℃~125℃。
④彻底的保密性。PIC以保密熔丝来保护代码,用户在烧入代码后熔断熔丝,其他人再也无法读出,除非恢复熔丝。目前,PIC采用熔丝深埋工艺,恢复熔丝的可能性极小。
⑤自带看门狗定时器。为系统提供了恶劣环境下自复位的功能,提高程序运行的可靠性。
1.1.3 发射芯片
发射芯片选择Maxim公司的MAX1479。其特点有:采用微型3 mm×3 mm的16引脚QFN封装,3 V工作电压,汽车级温度范围(一40℃~十125℃)、快速开启振荡器(200μs)、自带锁相环PLL和高效功率放大器,支持ASK、OOK和FSK调制方式,超低功耗(常温下待机电流仅为0.2 nA),可调节的FSK偏移,可编程的时钟输出。
1.2 监视器模块
监视器模块主要由接收芯片、微处理器、LCD显示器和按键组成。
1.2.1 接收芯片
接收芯片选择Motorola公司的MC33594(Remeo2),它是一个单片集成射频接收器。其特点有:采用LQFP24封装,快速唤醒(1 ms),内含660kHz的中频带通滤波器,完整的压控振荡器(VCO),可消除镜像的混频器,自动对接收到的曼彻斯特编码解码(FSK工作模式),曼彻斯特编码时钟再生电路,SPI接口,可用于设计433.92 MHz的OOK/FSK接收电路。
1.2.2 微处理器
监视器模块的微处理器选择Motorola公司的48脚MC68HC908GZ16(简称“GZ16”)。它是Freescale公司的一款采用68HC08架构的8位微控制器,资源齐全,尺寸小,适合监控器模块的功能要求以及汽车的运行环境。其主要资源包括:1个CAN模块、1个SPI模块、1个ESCI模块、2个双通道16位定时器接口模块、8路10位A/D通道、1个基本时钟模块、37个通用输入输出引脚、8位键盘唤醒端口。该控制器采用PLL锁相环技术,能够产生最高8MHz的总线频率。
1.2.3 LOD显示器
LCD显示器选择三星公司的点阵式液晶显示器LG192641。它具有如下特点:192×64点阵,可视区范围大(外形尺寸113.0 mm×71.0 mm×9.5 mm,可视区为97.0 mm×48.0 mm),内置液晶控制驱动器,单5 V供电/双电源供电可选,工作温度范围宽(-20℃~+70℃),采用LED背光且EL背光可选,强光下显示效果好。
2 硬件电路设计
2.1 轮胎模块电路
图2所示为轮胎模块电路原理图。模块安装在轮胎气门芯上,由3 V锂电池供电。射频芯片的晶振频率为13.56 MHz,发射方式为FSK,RF频率为433.92 MHz。PIC16F636使用内部晶振,抗干扰能力强。采用曼彻斯特编码提高数据发射的可靠性。晶振频率的计算公式为

2.2 监视器模块电路
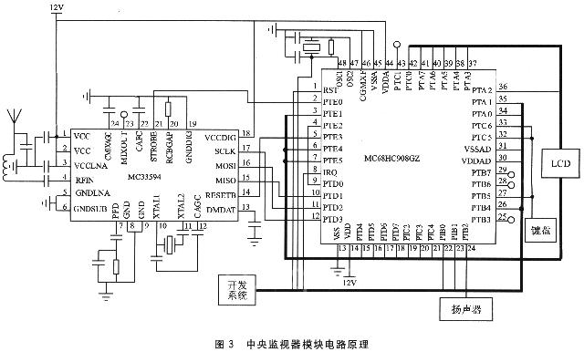
图3所示为中央接收处理模块的电路原理。数据管理器支持MC33594与GZ16控制器通信,可以键盘输入轮胎压力的阈值,各个轮胎的压力值与温度值通过液晶显示更加直观。当轮胎充气压力出现异常时,蜂鸣器与发光二极管进行声光报警,由液晶屏上相应的轮胎图像闪烁提示。

3 软件设计
轮胎模块是一个对功耗极其敏感的系统。它采用体积和重量都受限制的电池供电,且电池的更换和轮胎模块的更换都很不方便,所以在进行软件设计时,如何优化轮胎模块的程序算法来降低系统的功耗成为本设计重点需要解决的问题。
监视器模块采用汽车蓄电池供电,功耗不是主要问题。其软件设计的主要任务是实现数据的正确处理、直观显示和异常报警。
3.1 通信协议
为了实现轮胎模块和监视器模块之间的单向无线数据通信,必须制定一组通信双方都遵守的通信协议。
3.1.1 数据载波波形
本设计中,TPMS的信号采用曼彻斯特编码,调制方式为FSK。它的“1”和“0”位对应的频率变化如图4所示(fdev为频率偏移值)。

3.1.2 数据帧格式
轮胎模块将数据以数据帧的形式发送给监视器模块。接收端MC33594规定,当采用FSK调制时,数据帧的组成是:4位前同步(preamble)码、8位ID,又是4位前同步码(MC33594规定在报头前面必须有4位前同步码)、4位报头(Header)、用户数据和2位结束码(EOM)。其中,前同步码规定为4位连续曼彻斯特编码的“1”或“0”,用来恢复同步时钟;ID和报头的数值是可设定的,由MCU预先写人MC33594的配置寄存器中(本设计预设的ID为十六进制数B8,报头为“0110”);报头标识用户数据的开始,用户数据紧跟其后,没有任何延迟;EOM由2位非归零编码(NRZ)的连续的“1”或“0”组成。用户数据前面的20位码串是由射频接收芯片规定的,称为“前导码”。本设计的前导码为十六进制FB8F6。数据帧发送必须由EOM结束,而不能简单地将射频信号终止。鉴于轮胎的压力和温度值可能长时间处于基本不变的状态,在这种情况下发送温度、压力值的必要性不大,因此本设计采用了长、短帧结合的数据发送方案。具体帧格式如下:

3.2 轮胎模块的程序设计
在轮胎模块主程序设计中,充分利用PIC16F636的低功耗模式中STOP模式是低功耗算法设计的关键。PIC16F636上电复位并进行初始化后进入待机模式(即STOP模式)。
上电复位后,首先设置传感器工作在STANDBY模式下,然后MAX1479进入STOP模式。在此种模式下,OUTPUT引脚每3 s输出一次下降沿,触发PIC16F636的外部中断,从而唤醒PIC16F636,使其脱离STOP状态,进入中断服务程序。在中断服务程序中进行数据采集和发射控制处理。如果采集值是一个新的最大或最小值(处于发送周期内)就存入RAM,否则就把计数器加1再返回停止模式。在连续10次唤醒后(30 s),模块把它的状态发送给接收机。模块分析存储的胎压最大值和最小值间的差异,如果这个差值超过了存储在ROM中的最大差值(△max),模块111`就进入快速发送模式,每隔800~900 ms发送255个数据帧。MAX1479使用曼彻斯特编码方式来发送射频数据。发射完成之后再重新允许外部中断,让传感器进入STANDBY模式,PIC16F636、MAX1479 同时进入STOP模式,以降低功耗,延长电池的使用寿命。PIC16F636工作在内部晶振模式下,可以增加其抗干扰能力。传感器的RST信号每隔52 min复位1次PIC16F636,以进一步提高系统的工作可靠性。轮胎模块主程序流程如图5所示。

3.3 监视器模块的程序设计
监视器模块的程序要实现的主要功能是:监视器模块的初始化;对射频接收芯片的控制;对接收到的轮胎状态信息进一步的数据处理(包括数据显示、异常状态报警等)以及人机界面的参数设定。监视器模块主要包括主程序设计、数据接收子程序设计和人机界面程序设计3个部分。
监视器模块的主程序流程如图6所示。GZ16内部的时基模块(TBM)能够产生周期中断。微处理器对收到的各轮胎模块数据进行确认,在每次TBM中断时验证是否收到轮胎模块发来的数据,如果收到就清除报警标志位。当长时间没有收到某轮胎模块的数据时,数据接收超时标志将置位,从而触发报警程序,提醒驾驶员主机不能正常接收该轮胎模块信息。

结 语
本文提出了一种新的直接式TPMS解决方案,并在实际开发的基础上,介绍了系统的工作原理;给出了具体的硬件、软件设计。通过装车实验证明,该系统功耗低、可靠性高,稳定性好,成本低,具有较高的应用价值,正筹划进行产品生产。
(转载)



