内圆磨床用于磨削各种圆柱孔(通孔、盲孔、阶梯孔和断续表面的孔等)和圆锥孔,某些内圆磨床还附有磨削端面的磨头。 主要类型有普通内圆磨床、无心内圆磨床和行星式内圆磨床。 普通内圆磨床采用纵磨法和切入磨法磨削内孔。采用专门的端磨装置,可在工件一次装夹中磨削内孔和端面。
磨床工作原理
整个工作部分由头架和砂轮架两部分组成,并分别安装在铺设有导轨的工作台上。将工件安放在头架上,头架由电机经皮带带动沿导轨做往复运动,导轨两端的限位开关控制电机的正反转,进而控制其往复运动;砂轮架由另外一台电机控制完成横向的进给工作。当头架往复运动一次,砂轮架做间歇的横向进给一次。头架电机和砂轮电机的控制可以手动/自动切换。
解决方案
根据内圆磨床的工作原理及控制复杂程度,选择台安智能继电器SG2-10HR-A控制磨床自动工作动作,两台N2-202-H变频器分别控制头架电机和砂轮电机动作。
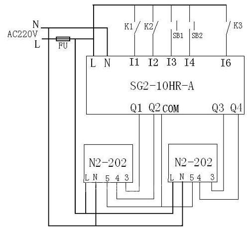
控制电路图:(见图一)

SG2输入/输出点具体分配:
输入输出点 所代表外部信号
I1 头架电机前进输入
I2 头架电机后退输入
I3 前限位开关信号
I4 后限位开关信号
I6 手自动选择开关信号
Q1 头架电机正转
Q2 头架电机反转
Q3 砂轮电机反转
Q4 砂轮电机正转
SG2控制程序:(见图二)

N2变频器具体参数设置:
N2变频器功能参数 具体设置值
F001 2S
F002 2S
F005 0002
F006 60Hz
F010 0001
F011 0002
F013 200%
F014 200%
F042 5Hz
F047 0100
F051 0001
结束语
当今金属加工业飞速发展,自动化产品在该行业大量应用,金属加工正整体向自动化控制迈进,台安智能继电器SG2、N2变频器具有通用性、高稳定性的特点,已在很多加工机械上普遍应用,再配合台安其他工控产品,如文本显示器、空开、接触器等组成整体解决方案,不仅使客户的机床产品在稳定性和质量有质的飞跃,而且也能使机床所加工出来的产品,在质量和效率上都有很大程度提高。
(转载)



