在汽车和运输市场,大型电池组可提供高输出功率,但不会像汽油动力内燃机那样产生有害排放物 (即一氧化碳和碳氢化合物)。理想情况下,电池组中的每个电池对系统的贡献相同。但是,当谈到电池时,所有电池并不都是同等的。
在汽车和运输市场,大型电池组可提供高输出功率,但不会像汽油动力内燃机那样产生有害排放物 (即一氧化碳和碳氢化合物)。理想情况下,电池组中的每个电池对系统的贡献相同。但是,当谈到电池时,所有电池并不都是同等的。即使电池的化学成分、物理尺寸和形状都相同,其总容量、内阻、自放电速率等也可能不同。此外,其老化速率可能不同,这又会在电池寿命方程式中增加一个变量。
电池组的性能受电池组中容量最低的电池单元限制;一旦最弱的电池单元耗尽,整个电池组便完全耗尽。电池组中每个电池单元的健康状况根据其充电状态 (SoC) 测量结果 (即测量剩余电量与电池容量的比率) 来确定。SoC 利用电池测量 (如电压、积分充电和放电电流、温度等) 来确定电池中剩余的电量。精密单芯片和多芯片电池管理系统 (BMS) 将电池监控 (包括 SoC 测量) 与被动或主动电池均衡相结合,以提高电池组性能。这些测量产生如下结果:
X 与单电芯容量独立的健康的电池电量状态
X 电池单元间的充电状态不匹配程度最小化
X 电池单元老化影响最小化 (老化导致容量损失)
对电池组而言,被动和主动电芯均衡有不同的优势,ADI 公司的电池管理产品组合为这两种方法均提供了解决方案。我们先来看看被动平衡均衡。
被动均衡可让所有电芯近乎具有相同容量
最初,电池组的电芯可能匹配得相当好。但随着时间推移,电芯匹配度会因充电/放电循环、高温和一般老化而降低。弱电芯的充放电速度将快于强 (或较高容量) 电池单元,因此前者成为系统运行时间的限制因素。被动均衡会让电池组每个电芯的容量看起来与最弱电芯相同。它在充电周期中使用相对较低的电流,从高 SoC 电池消耗少量能量,使得所有电池单元充电至其最大 SoC。这是通过与每个电芯并联的开关和泄放电阻来实现的。

图 1.带泄放电阻的被动电池均衡器
高 SoC 电池放电 (功率消耗在电阻中),因此充电可以继续,直至所有电芯都充满电。
被动均衡使得所有电池具有相同的 SoC,但它并未改善电池供电系统的运行时间。它提供了一种成本相当低的电池均衡方法,但由于放电电阻的存在,该过程中会浪费能量。被动均衡还能校正不同电池单元间的自放电电流的长期不匹配。

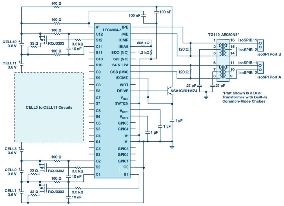
图 2.采用外部被动均衡的 LTC6804 应用电路
采用被动均衡的多节电池监控器
ADI 公司推出了一系列含有被动电池均衡能力的多节电池监控器。这些器件采用可堆叠架构,可以监控数百个电芯。每个器件可测量多达 12 个串联连接的电芯,总测量误差小于 1.2 mV。每电池单元 0 V 至 5 V 的测量范围使其适用于大部分电池化学成分。LTC6804 如图 2 所示。
LTC6804 具有内部被动均衡功能 (图 3);如果需要,它还可以配置外部 MOSFET(图 4)。它还具有可选的可编程被动均衡放电计时器,可为用户提供更多的系统配置灵活性。

图 3.带内部放电开关的被动均衡

图 4.带外部放电开关的被动均衡
对于希望系统运行时间最大化和充电效率更高的客户,主动均衡是最佳选择。在充电和放电期间,主动电池均衡不会浪费能量,而是将能量重新分配给电池组中的其他电池单元。放电时,较强的电池单元会给较弱的电池单元补充能量,从而延长电池单元达到其完全耗尽状态的时间。
(转载)



