摘要
本文介绍线性稳压器和开关模式电源(SMPS)的基本概念。主要面向不太熟悉电源设计和选择的系统工程师。还介绍了线性稳压器和SMPS的基本工作原理并讨论了每个解决方案的优缺点。此外,以降压转换器为例进一步说明了开关稳压器的设计考虑因素。
简介
当今的电子系统设计需要越来越多的供电轨和供电解决方案,负载范围从备用电源的几mA到ASIC稳压器的100A以上不等。为目标应用选择合适的解决方案并满足指定的性能要求至关重要,如高效率、紧密印刷电路板(PCB)空间、准确的输出电压调节、快速瞬态响应、低解决方案成本等。对于许多可能没有强大电源技术背景的系统设计者来说,电源管理设计工作变得越来越频繁,越来越具有挑战性。
电源转换器从给定输入电源为负载生成输出电压和电流。它需要在稳态和瞬态条件下满足负载电压或电流调节要求。还必须在组件出现故障时保护负载和系统。根据具体应用,设计人员可选择线性稳压器(LR)或开关模式电源(SMPS)解决方案。为了更好地选择解决方案,设计人员必须熟悉各种方法的优点、缺点和设计考虑因素。
本文重点关注非隔离电源应用,并介绍其操作和设计基础知识。
线性稳压器
线性稳压器的工作原理
我们先来举个简单的例子。在嵌入式系统中,前端电源提供一个12V总线供电轨。而在系统板上,运算放大器需要3.3V供电电压。产生3.3V电压最简单的方式是对12V总线使用电阻分压器,如图1所示。效果好吗?答案通常是否定的。在不同的工作条件下,运算放大器的VCC引脚电流可能有所不同。 如果使用固定电阻分压器,IC VCC电压会随着负载的不同而不同。而且,12V总线输入可能调节不佳。同一系统中可能有多个其他负载共用12V供电轨。由于总线阻抗,12V总线电压随总线负载条件而变化。因此,电阻分压器无法向运算放大器提供经过调节的3.3V电压,来确保正常运行。因此,需要专用电压调节环路。如图2所示,反馈环路需要调节顶部电阻R1值,以便在VCC上动态调节3.3V。
图1.电阻分压器从12V总线输入生成3.3VDC
图2.反馈环路调整串联电阻R1值以调节3.3V
使用线性稳压器可实现这种可变电阻,如图3所示。线性稳压器以线性模式操作双极性或场效应功率晶体管(FET)。因此,晶体管作为可变电阻与输出负载串联。为建立反馈环路,从概念上讲,误差放大器通过采样电阻网络RA和RB检测直流输出电压,然后将反馈电压VFB与基准电压VREF进行比较。误差放大器输出电压通过电流放大器驱动串联功率晶体管的基极。当输入VBUS电压减小或负载电流增大时,VCC输出电压下降。反馈电压VFB也下降。因此,反馈误差放大器和电流放大器产生更多的电流馈入晶体管Q1的基极。这就减少了压降VCE,而恢复VCC输出电压,使VFB等于VREF。而另一方面,如果VCC输出电压增加,负反馈电路也会增加VCE,确保精确调节3.3V输出。总而言之,VO的任何变化都会被线性稳压器晶体管的VCE电压吸收。因此,输出电压VCC始终保持恒定,并得到良好的调节。
图3.线性稳压器实现可变电阻以调节输出电压
为何使用线性稳压器?
很长一段时间以来,线性稳压器一直广泛应用于工业领域。在开关模式电源自20世纪60年代问世普及之前,线性稳压器始终是电源行业的基础元件。即便是今天,线性稳压器仍然广泛应用于各种应用领域。
除了使用简单,线性稳压器还具有其他性能优势。电源管理供应商开发了许多集成式线性稳压器。典型的集成式线性稳压器仅需VIN、VOUT、FB和可选GND引脚。图4显示了20多年前ADI公司开发的典型3引脚线性稳压器LT1083。仅需1个输入电容、1个输出电容和2个反馈电阻即可设置输出电压。几乎任何电气工程师都可以使用这些简单的线性稳压器来设计电源。
图4.集成式线性稳压器示例:只有3个引脚的7.5A线性稳压器
一个缺点——线性稳压器非常耗电
使用线性稳压器的一个主要缺点是其串联晶体管Q1在线性模式下工作的功耗过高。如前所述,线性稳压器晶体管从概念上讲是一个可变电阻。由于所有负载电流都必须通过串联晶体管,其功耗为PLoss = (VIN – VO) •IO。在这种情况下,线性稳压器的效率可通过以下公式快速估算:
因此,在图1的示例中,当输入为12V,输出为3.3V时,线性稳压器效率只有27.5%。在该例中,72.5%的输入功率被浪费,并在稳压器中产生热量。这意味着,晶体管必须具有散热能力,以便在最大VIN和满负载的最坏情况下处理功耗和散热问题。因此,线性稳压器及其散热器的尺寸可能很大,特别是当VO比VIN小很多时。图5显示线性稳压器的最大效率与VO/VIN比率成正比。
图5.最大线性稳压器效率与VO/VIN比率
另一方面,如果VO接近VIN,则线性稳压器的效率很高。但是,线性稳压器(LR)还有一个限制,即VIN和VO之间的最小电压差。LR中的晶体管必须在线性模式下工作。因此,双极性晶体管的集电极到发射极或FET的漏极到源极之间需要一定程度的最小压降。如果VO太接近VIN,LR可能就无法调节输出电压。能够以低裕量(VIN – VO)工作的线性稳压器称为低压差稳压器(LDO)。
很明显,线性稳压器或LDO只能提供降压DC/DC转换。在需要VO电压比VIN电压高,或需要从正VIN电压获得负VO电压的应用中,线性稳压器显然不起作用。
均流线性稳压器实现高功率[8]
对于需要更多功率的应用,必须将稳压器单独安装在散热器上以便散热。在全表面贴装系统中,这种做法不可行,因此功耗限制(例如1W)会限制输出电流。遗憾的是,要直接并联线性稳压器来分散产生的热量并不容易。
用精密电流源替换图3所示的基准电压,能够直接并联线性稳压器以分散电流负载,由此分散IC上消散的热量。这样就能够在高输出电流、全表面贴装应用中使用线性稳压器,在这些应用中,电路板上的任何一个点都只能消散有限的热量。
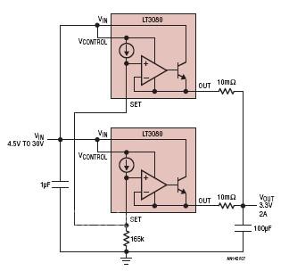
ADI公司的LT3080是首个可调线性稳压器,可并联使用以增加电流。如图6所示,其精密零TC 10µA内部电流源连接到运算放大器的非反相输入。通过使用外部单电压设置电阻RSET,可将线性稳压器的输出电压从0V调节到(VIN – VDROPOUT)。

图6.具有精密电流源基准的单电阻设置LDO LT3080
图7显示了并联LT3080实现均流有多简单。只需将LT3080的SET引脚连接在一起,两个稳压器的基准电压就相同。由于运算放大器经过精密调整,调整引脚和输出之间的失调电压小于2mV。在这种情况下,只需10mΩ镇流电阻(小型外部电阻和PCB走线电阻之和)即可平衡负载电流,且均流超过80%。还需要更多功率?并联5到10个设备也是合理的。

图7.并联两个LT3080线性稳压器以增加输出电流
更适合使用线性稳压器的应用
在许多应用中,线性稳压器或LDO可提供出色的开关电源解决方案,包括:
1.简单/低成本解决方案:线性稳压器或LDO解决方案简单易用,特别适用于热应力不太重要的具有低输出电流的低功耗应用。无需使用外部电源电感。
2.低噪声/低纹波应用:对于噪声敏感型应用,如通信和射频器件,尽可能减少电源噪声非常重要。线性稳压器的输出电压纹波很低,因为不会频繁开关元件,但带宽很高。因此,几乎没有EMI问题。一些特殊的LDO(如ADI LT1761 LDO系列)在输出端的噪声电压低至20μVRMS。SMPS几乎无法达到这种低噪声电平。即使采用极低ESR电容,SMPS通常也有1mV输出纹波。
3.快速瞬态应用:线性稳压器反馈环路通常在内部,因此无需外部补偿。一般来说,线性稳压器的控制环路带宽比SMPS更宽,瞬态响应更快。
4.低压差应用:对于输出电压接近输入电压的应用,LDO可能比SMPS更高效。还有超低压差LDO (VLDO),如ADI LTC1844、LT3020和LTC3025,其压差为20mV至90mV,电流高达150mA。最小输入电压可低至0.9V。由于LR中没有交流开关损耗,因此LR或LDO的轻负载效率类似于其满负载效率。由于交流开关损耗,SMPS通常具有更低的轻负载效率。在轻负载效率同样重要的电池供电应用中,LDO提供的解决方案比SMPS更好。
综上所述,设计人员使用线性稳压器或LDO是因为它们简单、噪声低、成本低、易于使用并提供快速瞬态响应。如果VO接近VIN,LDO可能比SMPS更高效。
[未完待续]
参考资料
[1] V. Vorperian,“对使用PWM开关模式的PWM转换器的简化分析:第I部分和第II部分”,IEEE Transactions on Aerospace and Electronic Systems,1990年3月,第26卷,第2期。
[2] R. B. Ridley, B. H. Cho, F. C. Lee,“对多环路控制开关稳压器的环路增益的分析和解读”,IEEE Transactions on Power Electronics,第489-498页,1988年10月。
[3] H. Zhang,“开关模式电源的模型和回路补偿设计”,凌力尔特应用笔记AN149,2015年。
[4] H. Dean Venable,“控制系统的最佳反馈放大器设计”,Venable技术文献。
[5] H. Zhang,“使用LTpowerCAD设计工具分五个简单的步骤设计电源”,凌力尔特应用笔记AN158,2015年。
[6] www.linear.com/LTpowerCAD上的LTpowerCAD™设计工具。
[7] H. Zhang,“非隔离式开关电源的PCB布局考虑因素”,凌力尔特公司的应用笔记136,2012年。
[8] R. Dobbkin,“低压差稳压器可直接并联以散热”,LT Journal of Analog Innovation,2007年10月。
[9] C. Kueck,“电源布局和EMI”,凌力尔特应用笔记AN139,2013年。
[10] M. Subramanian、T. Nguyen和T. Phillips,“高电流电源低于毫欧的DCR电流检测和精确多相均流”,LT Journal,2013年1月。
[11] B. Abesingha,“快速精确的降压DC-DC控制器在2MHz下直接将24V转换为1.8V”,LT Journal,2011年10月。
[12] T. Bjorklund,“高效率4开关降压-升压控制器提供精确输出限流值”,凌力尔特设计笔记499。
[13] J. Sun、S. Young和H. Zhang,“µModule稳压器适合15mm × 15mm × 2.8mm、4.5V-36Vin至0.8V-34V VOUT的(接近)完整降压-升压解决方案”,LT Journal,2009年3月。
(转载)



