引言
目前,(LD)已广泛应用于通信、信息检测、医疗和精密加工与军事等许多领域。激光电源是激光装置的重要组成部分,其性能的好坏直接影响到整个激光器装置的技术指标。本设计采用受的恒流源来为半导体激光器提供电流,在电路中,利用负反馈原理,控制复合功率调整管输出电流,以达到稳定输出电流的目的。该采用电路设计和程序控制算法设计相结合的方法,从多方面对半导体激光器的工作状态进行实时检测和控制,使系统的性能得到很大的改善和提高,有效解决了半导体激光器工作的准确、稳定和可靠性问题,进一步提高了半导体激光器的输出指标。
系统原理
要使激光器输出稳定波长的激光,则要求流过激光器的电流非常稳定,所以供电电路选择低噪声、稳定的恒流源。恒流源电流可以在0A~3A之间连续可调,以适应不同规格的激光器。目前,半导体激光器电源的二次开发中一般采用的都是纯硬件电路系统或者单片机控制。随着嵌入式微处理器的迅猛发展,基于DSP的数字化控制能更有效地解决半导体激光工作的稳定、准确和可靠性问题。DSP二次开发的原理如图1所示。

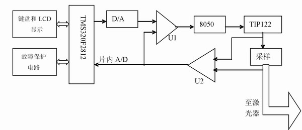
图1 系统原理图
由DSP输出的电压控制信号输出给运放,经运算放大器放大后输出,来控制由三极管8050和调整管TIP122组成的复合调整管。调整管的发射极串联一个继电器和一个大功率采样电阻。从采样电阻的两端取电压信号送给差分放大电路U2,从而得到取样电阻上的电压。该路电压信号通过一个电压跟随器,进入由DSP控制的ADC的模拟信号输入通道,由ADC将输入的模拟信号转换为数字信号,再由DSP将转化的数字信号进行数据处理。取样电阻选择0.15Ω的大功率金属膜电阻,该电阻要求有较好的温度系数。运算放大器U1的放大倍数决定电流的控制精度,放大倍数越小,电流的输出精度越高。同时差分反馈电路U2的放大倍数也将影响电流的控制精度,其放大倍数越大,电流的稳定度越高,但电流的输出范围变小。在控制电压一定的情况下,准确选择运算放大器U1的倍数和差分反馈电路U2的放大倍数,将成为决定恒流源的电流输出精度和电流输出范围的重要因素。

图2 系统工作流程
TMS320F2812控制系统
该设计电路以数字信号处理器TMS320F2812为核心。该电源由控制电路、保护电路和主回路等几部分组成,DSP在其中起核心作用。其控制任务主要为:1. 控制数据采集系统。利用DSP芯片自带的12位ADC,根据采样信号经过PID运算处理后进行控制。数据转换启动命令由F2812的引脚XF控制,即通过软件设置引脚XF为高电平,来控制ADC的数据转换。数据转换完成后,信号BUSY将变为低电平,触发F2812中断,将数据从16位数据线D[15:0]立即读出。该系统的数据码为二进制补码,F2812将接收到的数据处理后,进行缓存,同时送到LCD实时显示。
2. 采用一片DAC7724芯片与DSP接口。该芯片为4通道12路双缓冲的DAC,用其中的2路设定输出电压基准和电流最大值限制基准。3. 人机接口电路。LCD和8279分别作为外部I/O设备与DSP相连。LCD用来显示电流、电压、功率,以及故障显示和报警。4. 故障检测。故障检测电路的中断信号输入到DSP的XINT2脚,如果有下降沿的中断产生,则通过GPIO口线GPIO8和GPIO9,分别检测过压、过流信号。
(转载《》电子技术CHINA网)



