引言
PS501是美国微芯科技公司推出的智能电池管理芯片,适用于2~4节锂离子及锂聚合物电池组,或6~12节镍氢及镍镉电池组,能准确计算出电池组 的剩余容量、满充容量,以及预测电池的可运行时间和充电完成所需要的时间,提供电池监控功能,确保使用安全,先进的电池平衡功能可以延长电池寿命及工作时间。其通信协议符合SMBus 1.1和SBdata 1.1智能电池指令集。
特点和引脚说明
● 特点
支持2~4节锂电池和6~12节镍电池。
基于PIC18F MCU内核,现场可编程的锂离子/锂聚合物/镍电池电量计量芯片。
遵循SMBus 1.1和SBdata 1.1。
精密的16位Δ-Σ A/D转换,电流测量精度为小于1mA。
18V最大输入电压,电压测量端可直接与电池芯相连接。
可编程I/O用于LED驱动和充放电保护和二次安完保护。
对不同的电池芯,用户可以配置不同的电池模型。
电池容量计量误差小于1%。
先进的放电完(EOD)判断方法。
16KB闪存和256Byte EEPROM。
高精度的内部振荡器。
极低的电源消耗,工作时耗电为200μA,采样模式时为100μA,休眠时仅为0.5μA。
增强型ESD保护能力。
12个通用可编程I/O口,其中2个为高电压(最高18V)开漏输出。
集成和外接温度传感器,实现两个位置温度检测功能。
内置最大平衡电流为8.4mA的电池平衡电路和外部电池平衡控制功能。
● 引脚说明
PS501采用TSSOP28无铅封装,符合欧盟的RoSH以及各国的环保要求,其引脚排列如图1所示。超小体积的TSSOP封装(7.85mm×10.2mm)可节省PCB的空间,方便地安装于不同尺寸的电池包中,如图2所示。

图1 PS501引脚图

图2 基于PS501的智能电池包

PS501引脚功能简介
PS501内部结构和工作原理
● PS501内部结构
PS501的内部结构见图3。

图3 PS501内部结构图
● 处理器内核/存储器
PS501采用了PIC18 8位RISC单片机内核,其存储器资源包括16KB 闪存,以及256Byte EEPROM,分别用于存储程序/数据和参数。这两种存储器均可通过SMBus接口进行重新编程,而不需要特别的编程接口。每片PS501在出厂前都已经 烧录好Boot loader程序,针对不同型号用电设备,不同特性的电池芯,以及不同容量等配置信息用户可以使用Powertool500软件设置生成不同的固件,在电 池包生产现场下载固件,从而电池包的生产厂可以方便快速地对不同特性的电池芯,不同的上位机设备更改固件,而不需要改动硬件电路。
● A/D转换器
PS501利用高精度A/D转换器来进行电流、电压和温度的精确测量。A/D经过校准后可消除增益误差和偏移误差。基于 PS501芯片的电池包管理PCBA在生产过程中除了要现场下载固件外,还要对A/D转换电路及硅时钟振荡器进行校准,校准的内容包括:电池组电压采样, 每串电池芯电压采样,外部和内部温度采样,电流采样,以及硅时钟振荡器。因此不管是元件精度,PCB设计等造成的累加误差都可以通过校准最大程度地进行更 正,从而确保每个PCBA对物理量的采样都是精确的,而这个过程花费的全部时间仅为15s,而且全过程全部自动进行,不需要人工干预。
● PowerSmart固件/电池模型
Flash存储器中固化有所利用PowerSmart开发的电池管理固件。该固件采用专有算法以及精密的三维电池模型,模型包含250多种参数,并可对自放电、温度以及其他因素进行补偿。除此之外,PS501在充/放电周期内还执行了多项容量校正和减小误差的操作,以提高精度、 改善电量计和充电控制性能。上述功能可确保实现精确的电池容量报告以及误差小于1%的实时预测。闪存的可再编程特性使得在无需改变硅片设计的前提下,可迅 速实现固件升级并生成用户版本。PS501可根据特定应用的电池化学性质轻松进行用户定制。
PowerSmart提供了各种标准配置文件,可用于配置各种流行的充电电池和电池组应用。图4和表1是不同温度,不同放电率的放电结束电压3D模型和PS501内部表格参数一个例子。

图4 不同温度、不同放电率的放电结束电压3D模型

表1 锂电池放电结束电压查找表
● SMBus接口/SBdata命令
PS501包括一个符合SMBus v1.1协议的SMBus通信引擎,目前所有的笔记本电脑与笔记本电池的通信都遵循这个通信协议。SMBUS是I2C通信协议的一个子集,使用带有I2C 通信接口的处理器或者用软件模拟I2C通信接口的方法,都可以很容易地读取PS501的SBdata数据,应用到不同的电子产品中。
● 精确的集成时基
PS501带有一个高精度硅振荡器,无需外接时钟振荡器即可进行自放电定时和容量计算的精确定时。这个内部硅振荡器在电池组生产时可以由用户进行校准。
● 温度检测
当PS501紧靠被监控的电池时,可采用片内集成的温度传感器以减少器件数目,用户也可选择通过器件提供的引脚外接热敏电阻进行温度监控。同时PS501可以支持内外两个传感器分别进行采样,监测两个不同地方的温度,并可以通过GPIO做出不同条件的温度保护。
● 通用I/O
PS501提供12个可编程数字输入/输出引脚。其中8个引脚可用作LED输出以显示充电状态(SOC),或直接控制外部充电 电路,或为锂离子电池组提供额外的安全保护。当然,它们也可用作通用输入/输出引脚。在这些引脚中,有两个I/O是开漏输出引脚,因此可用于直接驱动 FET或其他高电压应用。
在PS501内部提供的最大8.4mA平衡电流不足以满足大容量电池包的平衡功能需要时,PS501可以通过通用 I/O控制外部的平衡电路,实现用户自定义大小的平衡电流控制。此外通用 I/O还可以用作电池低容量工作时驱动蜂鸣器作低电量声音提示。
工作模式
PS501有4种工作模式:运行模式、采样模式、低电压休眠模式和闲置休眠模式。每种模式都有特定的进入和退出条件,四种模式的功耗各不相同。
● 运行模式:PS501在电池组在充电或放电的过程中工作在这种模式。
运行模式是功耗最大的工作模式。在运行模式中,一个测量周期内所有测量和计算进行一次。在每个测量周期,依次对电流、电压和温度进行测量。例如:当笔记本电脑在工作或充电时,PS501的工作电流为200μA。
● 采样模式:PS501在电池组既没有充电也没有用电的情况下进行采样模式。
采样模式中,充电状态的计算、SMBus请求等操作仍将按照正常运行模式的频率进行,不同的是每隔多个采样周期才进行一次测量。器件总功耗得以显著降。例如:笔记本电脑在关机时, PS501的工作电流为100μA。
● 低电压休眠模式:电池组电压测量值低于用户的预设数值时,器件进入休眠模式。
处于休眠模式的PS501不再进行测量和计算。电量计显示器不工作,SMBus上的通信被忽略,只有当满足了唤醒条件时器件才可退出休眠模式。休眠模式是功耗最低的模式之一,用于电池彻底放电后保存电池能量,此时PS501的工作电流可以低至1μA。
● 闲置休眠模式:对于需要长期储存的电池组,可采用闲置休眠模式。
该模式下,无论电压值的大小,PS501都将进入低功耗休眠模式。用SMBus命令可使器件进入该模式。此时PS501的典型功耗可以低至 1μA。当SMBUS总线有上拉电平退出该模式。该模式应用于电池包在长期储存和运输的过程节省电量。如:笔记本电脑电池在生产后到用户第一次使用 这个过程PS501可以设置工作在这种模式。
电池平衡
● 电池平衡功能的必要性
当一个串联电池包中的电池芯中有电池芯的容量与其他串联的电池芯片不同时,会体现为在电池组充满或放完时串联电池芯之间的电压不相同。这种情况下导 致在电池组充电的过程中,电压过高的电池芯提早触发电池组过充电保护,而在放电过程中电压过低的电池芯导致电池组过放电保护,从而使电池组的整体容量明显 下降,整个电池组体现出来的容量为电池组中性能最差的电池芯的容量。
● PS501的内部平衡功能
PS501片内具备电池平衡负载,用以从具有较高电压的电池抽取多余的电流,消耗多余的电量,实现电池平衡。根据电池电压大小的不同,内部的多个 500Ω电阻将从每节电池抽取最多 8.4mA的电流。电池平衡算法将对单个电池的电压以及它们之间的电压差进行监视。对于容量较小,而且电池芯的性能及一致性较好的电池组,可以选择使用内 部平衡功能。
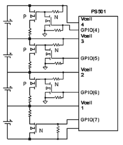
● PS501的外部平衡控制功能
当电池组的容量较大,并且电池芯的性能和一致性较差的情况下,PS501片内的平衡电路无法有效地起到电池平衡功能。这种情况下,可以使用 PS501的可编程I/O并通过芯片外部的简单元件实现大电流的电池平衡功能,参考应用电池见图5。这样,通过改变分流电阻的阻值,可以方便地实现不同平 衡电流,通常在一些应用中将其设为100mA以上。这个功能特别适用于使用国产大容量电池芯的电动车、电动工具、外置电池包等应用。

图5 PS501外置电池平衡电路
PS501的典型应用电路
PS501的典型应用电路见图6。

图6 PS501典型应用电路
● 电量计量功能:PS501直接对四串锂电池进行电压采样,电流的采样通过串在主回路中的采样电阻的两端的电压降得知。温度采用片内传感器。
● 一次保护功能:锂离子电池在过充电和过放电、过流、过温等情况下都有可能会损坏电池和用电设备,并有发生电池爆炸或着火的危险。本方案使用专用的电池保护 芯片如SEIKO公司的S-8254或MITSUMI公司的MM1414和PS501共同控制充电和放电保护MOSFET,实现双重一次保护功能。
● 二次保护功能:在一次保护没有正确保护,并且电池于危险的前提下,PS501可以控制热熔保险丝,将其熔断从而避免发生电池爆炸或着火的危险。
● 通信:主机通过SMBUS与PS501通信,读取电池的各种信息。
● 电池平衡:使用片内电池平衡功能。
PS501的实测数据
图7是基于PS501的智能电池组实测数据。

图7 PS501的实测数据
电池组形式:3串2并(3S2P)容量4000mAH
充电设置:恒流为3000mA、恒压为12600mV,停充条件为电流小于100mA。
放电设置:恒流为4500mA,停放条件为包电压低于9000mV。
测试结果:
PS501准确地计算出电池组的容量,保证运行时间。
在充电过程中可以实时记录获得的容量,并且在电池充满时计算出的电池容量与实际的电池容量4000mAH相符。
放电过程中,准确记录放出的电量,并且在电池放光时,计算出的容量为0保证用电设备能及时存盘,关机。并获得电池使用的最大容量。
结语
基于PS501的智能电池系统,可以准确地计算电池组的剩余容量和报告电池的状态,从而确保用电设备运行的可靠性以及最大化电池的使用时间。 PS501的GPIO可以实现电池灵活的保护功能,确保电池的使用安全,同时内置电池平衡电路以及外部的电池平衡控制功能保证了电池组的电压平衡,大大延长了电池的使用时间和寿命,这个功能对国产电池芯尤其实用。
(转载)



