1 简介
AD8108是一种8×8的高速无交叉切换开关芯片,传输带宽可达325MHz。芯片输入口使用NPN差分输入管,并带有150Ω电阻对输入信号进行缓冲,加上无阻塞式的传输,使得AD8108能达到高性能的视频应用效果。AD8108具有0.1dB的增益平坦度和0.02%/0.02度的差分增益/差分相位错误率,而串扰抑制仅为-83dB。通过串行或并行输入的控制信号可以对AD8108实现切换控制。串口控制数据的输出可以方便地结合多个AD8108芯片来生成更大规模的视频切换矩阵。AD8108芯片可应用在高速信号切换矩阵中,实现对复合视频(NTSC,PAL,SECAM)、分量视频(YUV,RGB)、压缩视频(MPEG,Wavelet)和HDB3数字视频的切换。通常计算机的VGA信号可以转换成R、G、B、H、V等五路信号,然后通过AD8108组成的切换矩阵进行切换。AD8108芯片的信道切换时间小于25ns,并且仅有小于1%的信号耗损。
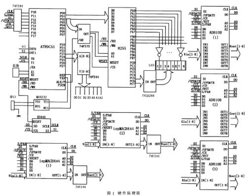
2 视频切换矩阵的硬件原理
宽带宽低串扰视频切换矩阵系统主要由三片AD8108芯片、两片可编程逻辑器件ispMACH4A5和一片AT89C51微控制器组成。AD8108芯片内部集成了8×8的矩阵切换单元,用于对输入输出信号进行切换。两片ispMACH4A5模拟AD8108芯片的切换过程,用于对同步数字逻辑进行切换。而AT89C51芯片作为微控制器用于对切换矩阵各单元进行切换控制以及用于构成人机界面和构建RS232串行通信接口。
视频切换矩阵系统的硬件原理图如图1所示。图中的三片AD8108芯片分别完成R、G、B信号的8路输入和8路输出的切换,Rin[1-8]、Gin[1-8]和Bin[1-8]表示R、G和B信号8路输入。Rout[1-8]、Gout[1-8]和Bout[1-8]表示R、G和B信号的8路输出。对AD8108切换芯片的控制有串行输入控制和并行输入控制两种。AD8108芯片通过芯片内的32个寄存器对8路输入和8路输出进行切换控制。在串行输入控制时,AD8108的DI脚通过CLK脚信号的下降沿驱动,依次传输OUT7[D3]、OUT7[D2]……OUT0[D1]、OUT0[D0]信号到芯片内的32个寄存器中由寄存器控制输入信号和输出信号的对应切换关系。而并行输入控制则通过D0、D1、D2、D3信号管脚和A0、A1、A2信号管脚来完成。A0、A1、A2信号定义要控制的输出信道,D0、D1、D2选择这一信道对应的输入切换信道,而D3则控制由A0、A1、A2信号指定的输出信道的开通和关闭。在AD8108中,/CE信号用来选中芯片。/RST用来对AD8108芯片进行初始化,但这个初始化没有对寄存器内容进行初始化,而仅仅对切换矩阵输出状态进行初始化,使得所有通道输出处于禁止状态,而寄存器中切换逻辑仍置于一个随机的排列中。/UPDATE信号用于将寄存器内的信息置于切换矩阵上,使得设置的矩阵切换逻辑起作用。而DO管脚则用于多个AD8108芯片之间的串联控制。在实现了R、G、B信号切换之后,可由两片可编程逻辑芯片ispMACH4A5对H、V信号进行切换。由于H信号和V信号是同步的数字逻辑信号,这里采用15ns上升时间的数字可编程逻辑器件来完成H、V信号的切换,以保证数字同步逻辑的沿同步。图1中的ispMACH4A5(1)完成H信号的8×8切换,ispMACH4A5(2)完成V信号的8×8切换。ispMACH4A5芯片的S/PAR、CLK、DI DO、/UPDATE、/CE、/RST、D[3:0]和A[2:0]信号的连接和AD8108芯片连接相一致,同时在ispMACH4A5中组建了与AD8108逻辑一致的切换矩阵逻辑。AD8108和ispMACH4A5中的/CE信号连接在一起是将R、G、B、H、V捆绑起来一起控制,以完成对VGA信号的五路信号R、G、B、H、V的同步切换过程。当然,R、G、B、H、V也可以分开进行单独控制以形成更多组合和更细的切换。

在图1中,AT89C51用于对AD8108和ispMACH4A5芯片进行切换控制。P10到P15通过74F244缓冲形成CLK、S/PAR、DI、/UPDATE、/CE和/RST后与AD8108和ispMACH4A5芯片中相应的管脚相连。而P20到P26管脚则通过74F244芯片缓冲后依次与AD8108和ispMACH4A5芯片的D0、D1、D2、D3、A0、A1、A2相连。AT89C51的P0口与ALE/P管脚,通过74F373与8255芯片进行连接。8255扩展出来的PA口、PB口和PC口用于键盘的输入和LED的显示控制。AT89C51还将TXD和RXD管脚与MAX232的TX1和RX1相连,扩展出串口以方便远程计算机通过串口控制切换矩阵系统的切换逻辑。AT89C51还与X5045芯片中的看门狗电路和E2PROM模块对应连接来完成对MCU的监控和控制数据的存储。
3 软件流程
软件流程图如图2所示。通过5V供电的硬件系统上电后,首先进行系统的初始化。这里,AT89C51完成对串行口、E2PROM读写的初始化;8255芯片完成键盘扫描和显示的初始化;而芯片的/RST起作用完成切换矩阵的初始化。然后AT89C51读入X5025 E2PROM中上一次掉电时存下来的切换逻辑并通过DI串行控制口发送到AD8108芯片和ispMACH4A5芯片中的寄存器,当它们的/UPDATE管脚加上一个低电平,则上一次掉电时的逻辑在AD8108和 ispMACH4A5中起作用,从而形成输入输出切换逻辑;以后软件进入扫描键盘和串口中断的循环过程。由于切换矩阵系统显示LED是采用动态显示方法,因而在收到串口中断控制信号和键盘输入控制信号时,一般使用并行控制方法对AD8108进行切换以节省切换处理时间。当然,在其它场合,若对矩阵进行大规模的模式切换,用DI串行控制则可以更方便和快捷些。

4 矩阵的性能分析
在高速视频切换矩阵系统中,带宽和串扰是两个重要的衡量指标。AD8108芯片中采用输入缓冲和高隔离度的运算放大器实现低串扰性能;采用无阻塞型的设计结构实现芯片系统的宽带宽性能,并实现低耗能。AD8108芯片组成的视频切换矩阵系统的-3dB带宽可达到325MHz。
串扰问题一般可定义为在同一个方向上传输的各信道之间信号的干扰。另外也可定义为一个系统进出间的耦合干扰。在视频切换矩阵系统中,串扰的过程是复杂的,有电的串扰,比如每个电阻是电磁发射器的同时,也是电磁的接收器;有磁场的串扰,电流的流动会产生磁场进而在其它线路上产生串扰电压;还有共阻回馈串扰,它是指由于公用的电源供电线和地线或其它的共用连线通过共线的电阻形成的串扰。所有这些串扰按矢量组合起来,形成一个复杂的矢变量。降低串扰的方法是选择低串扰的芯片,同时在系统设计上对串扰进行抑制处理。在本系统中,信道间的串扰体现较为明显。一般计量信道间串扰的公式如下:
|XT|=20log10[Asel(s)/Atest(s)] (1)
其中,s=jw是拉普拉斯转换量,Atest(s)是选定的信道中的串扰信号的振幅,而Atest(s)是测试信号的振幅。如以dB值表示信道间串扰值,则可以看到|XT|是一个与频率相关的量,而与测试信号的幅度无关。另外串扰信号与测试信号之间还有着相位相关的关系。根据串扰的有关定义,可以建立一个测试环境来测量串扰与频率的关系。如图3所示,让IN3通过一个75Ω的电阻接地,另外的7路线路输入1V标准电压的测试信号Atest(s),且测试信号的频率可以调节,而这7路的输出端也是通过75Ω的电阻接地。然后测量OUT3输出链路信号的振幅Asel(s)。根据公式(1)可计算出通道间串扰的水平。改变输入测试信号的频率继续进行串扰的测试,就可以得到一个与频率相关的串扰变化图,如图4所示。一般来说,由于高频信号的干扰特性表现明显,串扰会随着频率的变高而逐渐加大。在这里测量了7路输入对单路信号的串扰。当要测量一个信道对另外一个信道的串扰时,也可以通过这个测试方法来实现。


为解决串扰的问题,在设计中采用了多项措施来保证。R、G、B、H、V五路信号的PCB排布采取并行排布,更好的方法是把它们分别排布于不同的板子上;另外,要做好电源的滤波,在每个芯片的电源接线端采用高容量滤波电容进行滤波,而且滤波电容尽可能地靠近芯片电源接线端;再有,R、G、B的输入和输出端采用75Ω的电阻接地,以与外部的75Ω视频连线电阻相匹配。
5 应用分析
基于AD8108的高性能矩阵切换系统可以应用在有线电视系统、大屏幕显示系统、计算机监控系统中。它的325MHz的通道带宽可以对计算机应用系统中的分辨率为1280×1024的75Hz的24bit的真彩SXGA信号实现无损伤切换。在高分辨率大屏幕显示系统中,需要切换不同分辨率的计算机信源信号到显示大屏幕上,基于AD8108的切换矩阵可以有效地完成这样的切换过程。在实现时,一般是将计算机的的各色度信号与同步信号分解成R、G、B、H、V信号,再通过基于AD8108的切换矩阵切换到显示投影仪上。另外,AD8108芯片的串行控制输入输出链功能和输出禁止功能还可以使多个AD8108组成16×8、16×16甚至更多输入输出端口的切换矩阵。输入可以采用并行输入,而输出则可使用线与方式,就能有效地实现更大规模的宽频带低串扰的视频切换矩阵。
参考文献
1 AD8108/AD8109 Data Sheet. ADI公司,2001
2 张毅坤.单片微型计算机原理与应用.西安:西安电子科技大学出版社,2000
(转载)



