目前,随着现代医疗器械的不断发展,特别是直接与人体相连接的电子仪器,除了对仪器本身性能的要求越来越高之外,对人体安全方面的考虑也越来越倍受关注,例如生命监护仪、母婴监护仪、婴儿保温仪等等一些与人体紧密接触的仪器,也就是说病人在使用仪器时不能因为使用的仪器而对人体造成有触电或其他方面的危险。
二、心电检测电路的应用
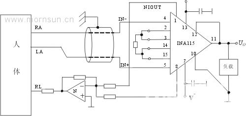
以下以普通型的心电检测电路为例做一简单介绍,如图1:

图1:普通型心电检测电路
图1是INA115在心电检测电路中的实用电路。放大器的正负输入通过心电传感器分别接到人体的左臂(LA)与右臂(RA)上,与运放N和电阻R1-R4组成的驱动网络接到人体的右腿(RL)上,构成“浮地”。由于生物信号很弱,加之有极化电位,所以该级的放大倍数不宜太高,一般取在10-100之间,并且只能作为前置放大用,为了检测

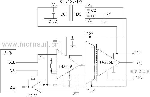
图2: 隔离型心电检测前置放大电路
以上电路是由汉为公司的T6235D与INA115等组成的隔离型心电检测前置放大电路,该电路由于其具有输入阻抗高、漏电流小、检测精度高和满足人体安全等指标完全可以达到医疗器械使用的要求标准。该电路一般作为前置放大电路,器件直接与人体接触,并拾取心电信号后通过INA115进行放大,最后由ISO122隔离传输到后置放大电路,实现人体信号与输出及电源的隔离放大。
放大器的工作电源应用选择有足够的安全爬电距离,较高的隔离电压特性以及极低的隔离电容值,使到系统的安全性能得到较好的保障,此处推荐采用金升阳公司6000VDC隔离G系列(定压输入,隔离6000VDC正负电压输出)或H系列产品(定压输入,隔离6000VDC单路电压输出),该系列产品由于其极高的隔离电压特性(6000VDC)且其具有极低的隔离电容值(≤10pF)被广泛地应用于医疗电子器械行业中。采用G1515S-1W使得INA115与人体相接触的地线与输入电源线真正意义上断开了,达到完全隔离的效果,即电源与信号的完全隔离。
三、隔离型DC/DC电源模块的选用:

说明:以上方案是以隔离放大器的工作电压为±15V的条件下作出的,如其工作电压为±5V、±12或其他电压只要选择相应输出电压的产品即可。
四、使用DC/DC电源模块过程中应注意以下几个问题:
1、 DC/DC电源模块的外接电容C2、C3采用低内阻的钽电容,容值推荐0.47uF,应避免容值过大,以防止由于电容过大造成启动瞬间过流而损坏模块;
2、 为保证模块长期工作的可靠性应使到模块工作在10%额定功率以上,以防止模块由于空载或轻载导致输出电压不稳而影响电路工作,如果负载功耗确实较小,可以采和外接假负载的方式在输出端的+Vo与0V及-Vo与0V之间并上一10%额定功率的假负载(电阻),以提高产品的可靠性。
3、 由于DC/DC电源模块是采用开关振荡电路来实现的,其自身也会产生共模、差模噪声的干扰,对于对纹波噪声要求较高的场合可在DC/DC电源模块的输出端外接无源LC滤波网络或RC(损耗较大),以进一步降低电源纹波噪声,但是要注意L自身谐振频率要远高于模块的开关频率,允许通过的电流值最好在模块输入电流的两倍以上,内阻要小,以降低直流损耗。具体可参考下图:

五、结束语
上文主要介绍了DC/DC模块电源在医疗电子行业中,特别是传感器检测电路中的特点、应用及选用的DC/DC模块电源应注意的事项,目前市场上DC/DC模块电源很多,但是由于医疗电子属于特殊行业,对其电源的要求非常高,为保证人体及设备的安全性能,选择的DC/DC模块电源尤为重要。
参考文献
[1] 传感器电路设计手册,《中国计量出版社出版》,2002。
[2] MORNSUN公司,《技术手册》、《应用方案》
(转载)



