对USB接口芯片CH375的功能、原理做了较详细的介绍,并给出了在单片机读写U盘中的实例及注意事项。
随着计算机技术的快速发展,USB移动存储设备的使用已经非常普遍,因此在一些需要转存数据的设备、仪器上使用USB移动存储设备接口的芯片便相继产生了,CH375就是其中之一,它是一个USB总线的通用接口芯片,支持HOST主机方式和SLAVE设备方式。
在本地端,CH375具有8位数据总线和读、写、片选控制线以及中断输出,可以方便地挂接到单片机/DSP/MCU等控制器的系统总线上。在USB主机方式下,CH375还提供了串行通信方式,通过串行输入、串行输出和中断输出与单片机/DSP/MCU等相连接。CH375的USB主机方式支持各种常用的USB全速设备,外部单片机/DSP/MCU可以通过CH375按照相应的USB协议与USB设备通信。
CH375芯片内部结构
1 内部结构
CH375芯片内部集成了PLL倍频器、主从USB接口SIE、数据缓冲区、被动并行接口、异步串行接口、命令解释

2 内部物理端点
CH375芯片内部具有7个物理端点。
端点0是默认端点,支持上传和下传,上传和下传缓冲区各是8B;端点1包括上传端点和下传端点,上传和下传缓冲区各是8B,上传端点的端点号是81H,下传端点的端点号是01H;端点2包括上传端点和下传端点,上传和下传缓冲区各是64B,上传端点的端点号是82H,下传端点的端点号是02H。
主机端点包括输出端点和输入端点,输出和输入缓冲区各是64B,主机端点与端点2合用同一组缓冲区,主机端点的输出缓冲区就是端点2的上传缓冲区,主机端点的输入缓冲区就是端点2的下传缓冲区。
其中,CH375的端点0、端点1、端点2只用于USB设备方式,在USB主机方式下只需要用到主机端点。
软件接口
对于USB存储设备的应用,CH375直接提供了数据块的读写接口,以512b的物理扇区为基本读写单位,从而将USB存储设备简化为一种外部数据存储器,单片机可以自由读写USB存储设备中的数据,也可以自由定义其数据结构。
CH375以C语言子程序库提供了USB存储设备的文件级接口,这些应用层接口API包含了常用的文件级操作,可以移植并嵌入到各种常用的单片机程序中。
CH375的U盘文件级子程序库具有以下特性:支持常用的FAT12、FAT16 和FAT32 文件系统,磁盘容量可达100GB以上,支持多级子目录,支持8.3格式的大写字母文件名,支持文件打开、新建、删除、读写以及搜索等。
CH375的文件级接口API子程序需要大约600b的随机存储器RAM 作为缓冲区。所有API在调用后都有操作状态返回,但不一定有应答数据。有关API参数的说明请参考CH375数据手册。
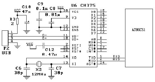
CH375在单片机读写U盘中的电路原理图

图2给出了MCS-51单片机读写U盘的电路原理图,如果CH375芯片的TXD引脚悬空或者没有通过下接电阻接地,那么CH375工作于串口方式。在串口方式下,CH375只需要与单片机/DSP/MCU连接3个信号线,TXD引脚、RXD引脚以及INT#引脚,其他引脚都可以悬空。除了连接线较少之外,其他外围电路与并口方式基本相同。由于INT#引脚和TXD 引脚在CH375复位期间只能提供微弱的高电平输出电流,在进行较远距离的连接时,为了避免INT#或者TXD在CH375复位期间受到干扰而导致单片机误操作,可以在INT#引脚或者TXD引脚上加阻值为1~5kΩ的上拉电阻,以维持较稳定的高电平。在CH375芯片复位完成后,INT#引脚和TXD引脚将能够提供5mA的高电平输出电流或者5mA的低电平吸入电流。
单片机读写U盘的接口
由于CH375内置了处理Mass-Storage海量存储设备的专用通信协议的固件,所以嵌入式系统的单片机可以通过CH375将U盘(USB闪存盘、USB外置硬盘)作为可移动的大容量存储器。数据读写只需要几条指令,而不需要详细了解USB通信协议。
如果嵌入式系统需要将USB存储设备组织为文件系统,那么可以直接调用CH375文件级子程序库提供的接口API,由子程序库处理文件系统。
CH375主机USB-HOST的电路设计注意事项
某些USB设备带电插入时常出现如下问题。
● CH375复位或者单片机复位(尤其是采用uP 监控电路的单片机系统)。
● CH375或者单片机突然工作不正常,失去控制。
● CH375芯片的工作电流突然增大并且持续如此,时间长了芯片发热烫手。
出现上述问题时可参考如下解决方法。
● 给USB插座单独供电,这样,即使USB设备刚插上时存在电容充电过程,也不会影响单片机和CH375。变通方法是,将5V主电源分别通过两个独立的限流电感后(或者在PCB中电源线分开走),一组提供给CH375和单片机等,另一组提供给USB插座。
● 在USB插座前串接限流电阻或者电感,并在USB插座电源上并联储能用的电解电容。如果用电感也可以限制电流突变,防止电源电压突降,但是用电感在USB设备拔出后,容易在USB插座中产生过冲高压,所以必须接储能电容。(注意,在第一版CH375评估板的原理图中已经标出USB插座的限流电阻R1为1Ω,建议将其换为阻值5Ω的电阻或者保险电阻)
● 其他临时的解决方法(不
● 参考目前计算机端的解决方法:USB端口的电源供给是通过保险电阻或者限流电感提供的,这些能够限制瞬时电流。对于计算机前面板的USB端口,由于本身通过一段较长的连接导线,自然减弱了对主电源的影响,而且计算机的5V电源功率很大,连续供电电流都在20A以上,所以不易受影响。
(转载)



