数字系统经常采用单极性电源供电,于是经常会遇到如何将一串反极性的脉冲序列转换为正或负极性输出的问题。这里给出了几个实现这一功能的简单可靠的电路。
对于正电压供电的系统,可以利用图1a中的电路把负极性脉冲转换为正极性脉冲输出。双输出的比较器提供了同相和异相的输出。(如果系统只需要一种输出相位,可以采用单输出比较器。) 比较器的反转输入端电压在1.8V和3.0V之间波动。如果R1=R2,则可以把非反转输入电压设为2.5V。图中配置的互补比较器能够产生正的脉冲输出。
对于负电压供电的系统,可以利用图1b中的电路(与图1a及其类似)把正极性脉冲转换为负极性输出。比较器的反转输入端电压在1.8V和3.0V之间波动。设置R1=R2,可以把非反转输入电压设为2.5V。此例中互补比较器产生负的脉冲输出。
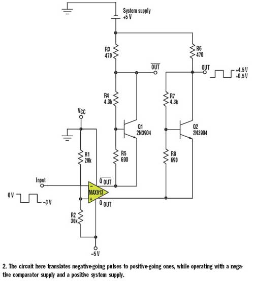
图2和图3中的比较器则起到了缓冲器的作用,从而为输入信号和供电电压极性相反的系统提供了中间接口。图2中的电路使得正电压供电的系统可以接收负脉冲信号,类似地,图3中的电路使得负电源系统可以处理正的输入信号。两个电路都采用NPN型晶体管转换比较器输出电平:
[VBE(R5 +R4)]/R5≈4.5V
对于单相位输出,可以选用合适的单输出比较器。



(转载)



