前言
八达岭隧道群位于八达岭高速公路55公里处,主要由潭峪沟、八达岭、居庸关等隧道组成。于1998年建成通车,经过多年的运营,原系统许多功能或者不能修复或者不能满足使用要求,所以要对其进行改造。此次改造主要是针对监控系统的改造:包括RTU(区域控制器)设计和监控中心软件设计开发,其中上位监控软件主要采用组态王6.51开发,最终达到良好的效果。
组态王介绍
组态的英文拼写是“Configuration”, 与硬件生产相对照,组态与组装类似,如要组装一台电脑,事先提供了各种型号的主板、CPU、显示器、硬盘等,我们的工作就是用这些部件拼凑成自己需要的电脑。组态就是用应用软件中提供的工具、方法完成工程中某一具体任务的过程。当然软件中的组态要比硬件的组装有更大的发挥空间,因为它一般要比硬件中的“部件”更多更复杂。
组态王软件是完成数据采集与过程控制的专用软件,它是在自动控制系统监控层一级的软件平台和开发环境,使用灵活的组态方式,为用户提供快速构建工业自动控制系统监控功能的、通用层次的软件工具。组态王软件能支持各种工控设备和常见的通信协议,并且可以提供分布式数据管理和网络功能,是一个使用户能快速建立自己的HMI的强有力的开发环境。
组态王软件主要特点:
(1)延续性和可扩充性。用通用组态软件开发的应用程序,当现场(包括硬件设备或系统结构)或用户需求发生改变时,不需作过多修改即可方便地完成软件的更新和升级;
(2)封装性(易学易用).通用组态软件所能完成的功能都用一种方便用户使用的方法包装起来,对于使用者,不需掌握太多的编程语言技术(甚至不需要编程技术),就能很好地完成一个复杂工程所要求的所有功能;
(3)通用性.每个用户根据工程实际情况,利用通用组态软件提供的底层设备(PLC、智能仪表、智能模块、板卡、变频器等)的I/O Driver、开放式的数据库和画面制作工具,就能完成一个具有动画效果、实时数据处理、历史数据和曲线并存、具有多媒体功能和网络功能的工程,不受行业限制。
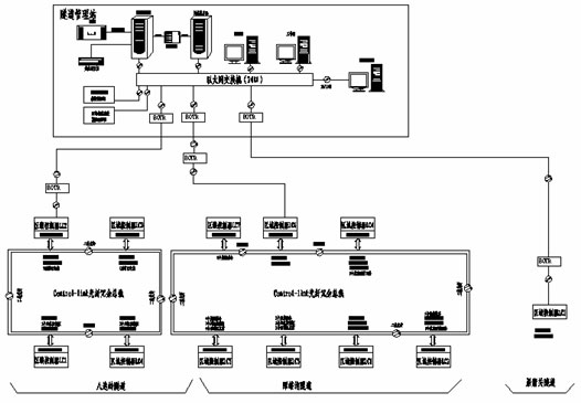
隧道监控系统硬件结构:
硬件结构如下图所示:

系统采用Controller Link工业现场总线和工业以太网组网,是典型的四级控制系统,即现场设备层、现场控制层、中心控制层、上级管理层。
现场设备层:主要包括执行机构交通灯、风机、照明和CO、能见度传感器等。
现场控制层:由OMRON CS1系列可编程控制器组成,称为区域控制器,区域控制器之间通过Controller Link工业现场总线组成冗余光纤环网。
中心控制层:由双机热备服务器、通信计算机和两台监控计算机组成。
上级管理层:由监控总中心数据服务器和终端计算机组成,可以进行web发布。
隧道监控系统软件结构:
系统软件采用C/S架构,隧道监控系统软件按照功能划分为通信服务器软件、信息处理软件、隧道监控软件、紧急电话处理软件、CCTV控制软件和外系统电力监控软件、火灾报警软件。 本次设计,数据库采用SQL Server2000 ,其中隧道监控软件、通信服务器软件、信息处理软件、电力监控软件等采用组态软件开发。
软件系统逻辑图如下:

组态开发及功能介绍
隧道群包括一个特长隧道和两个中长隧道,控制总点数大于2600点,数据交互大且频繁。经过对系统的分析,我们采用C/S组态网络结构,所有数据采集与控制(包括地图屏显示控制)都先集中于一台通信工作站,工作站服务器通信管理软件采用组态王无限点运行版组态。该服务器在网络配置中设置为I/O服务器、登录服务器、报警服务器、历史纪录服务器。配置如下图所示。

隧道监控软件采用组态王Netview软件开发,组态为客户端软件。客户端所有数据信息都来自于通信服务器软件,所有控制都先传到通信服务器,再由通信服务器下发到PLC,地图屏等设备,通信服务器管理软件同时把需要纪录的信息存入数据库。
信息处理软件采用组态王Netview组态,只与数据库进行数据交互,实现数据查询和统计。
用组态软件开发一个工程项目可以分为以下几个步骤。

以上步骤并不是固定的,可以灵活应用,有些步骤可同时进行,也可以颠倒顺序。在开发过程中我们需要解决组态软件与其他程序进行数据传输问题,所以我们用VB开发了一个中间控件集成在组态软件中,通过UDP数据包与其通信。
整个系统开发完成后可以实现以下功能:
1. 通过现场设备层的车辆检测器、能见度监测器、光强检测器、风速风向检测器等外场设备获得交通动态实时数据、光强、风速及风机状态等隧道环境相关信息和交通事件及火灾报警等信息;
2. 参数设置:交通参数设置,照明控制参数设置,通风系统控制参数设置,事件报警参数设置;
3. 交通灯、车道指示器、隧道限速标志、情报板控制及故障反馈;
4. 照明完全手动、模式手动、时序自动、光强自动控制;
5. 通风手动、模式手动、事件自动控制;
6. 火灾报警联动、CO/VI超标预案控制;
7. 地图屏显示控制;
8. 车检器、环境信息数据记录、查询、统计,报表预览打印等。
9. 电力设备运行参数显示,分合闸控制。
应用分析
系统完全采用组态软件开发,开发周期短,与设备通信稳定可靠。由于采用组态软件开发,无需过多考虑软件系统与PLC以及服务器程序与客户端程序数据、信息交互,大大地缩短了开发时间。在报表开发和数据库调用方面,也可以直接调用现有的模块。系统尤其在控制点数多的情况下,更能体现出其优越性,不用象采用高级语言那样需要编写大量的通信代码,并且考虑多任务、多线程。
系统响应速度快,外部设备从控制指令下发、执行、状态反馈到监控界面显示小于200ms,地图屏从指令下发到状态显示响应时间不超过1秒。此外, 采用组态软件还可以更加逼真地大量采用图形动画等形象的反映设备运行状态,与高级语言开发相比容易的多。
当然组态软件本身是在VC等平台的基础上开发出来的,在灵活性方面稍差一些,虽然开发效率提高了,开发难度降低了,但增加了购买软件的成本。
结束语
对于这样一个四层结构的典型的控制系统,采用组态软件开发完全可以达到预期的要求。虽然增加购买组态软件的成本,但大大地提高了开发效率,总体成本不会增加,并且可以作出界面漂亮形象、操作友好、通信性能稳定的监控程序。
(转载)



