1 引言
纸浆洗选是制浆过程中十分重要的环节,洗选过程的目的是把纸浆中的黑液分离出来,并使纤维细胞壁及细胞腔中的蒸煮溶解物扩散出来,从而得到较洁净的纸浆。经洗选后的浆料,其洗净度对以后的纸浆造纸影响很大,未洗净的浆料会产生较多的泡沫,从而降低筛选、净化、浓缩效率,增加漂白和施胶等药品的消耗,加大中段废水排放的污染,影响纸成型的匀度和成纸质量。因此,纸浆洗选具有洗净浆料和在尽可能减少稀释的前提下,最大限度的提取浆料中所含溶解物质和化学药品的双重作用。
某造纸厂具有生产能力为300t/d真空洗选装置,其中关键设备如除节机、一段压力筛、二段压力筛、洗节机、洗渣机、除砂器、节子磨机和主要浆泵均采用安德里兹(ANDRITZ)进口产品。通过利用浙大中自SunyTDCS9200组建过程控制系统,使其生产工艺控制操作智能化、自动化,从而大大节约了运行费用,提高了产品质量,该造纸厂从而取得了更多的经济效益。
2 控制系统的硬件配置
2.1 系统组成
整个DCS控制系统由2个控制站组成,分别为电气控制站和仪表控制站,其中,电机、泵类监控的测点设计在电气控制站中实现,其控制算法主要采用LD语言实现;有关阀门、模拟量等监控的测点所实现的PID控制、远程操作调节阀、远程监控等功能在仪表控制站中实现,其控制算法主要采用FBD语言实现。该系统配置了3个操作站,均能实现对电机类设备和仪表类设备的监视和控制。其系统组成方框图如图1所示。
2.2 实现功能
该系统完成对整套洗选装置的数据采集和显示,机泵的启停,阀门的开启,模拟量控制,重要设备之间联锁和保护,以及除砂器、洗节机和洗渣机的排污顺控等,主要内容如下:
1) 远操调节:12套;
2) 自动调节:41套;
3) 机泵控制:55套;
4) 联锁、保护:98套;
5) 顺序控制:3套。
图1:SunyTDCS9200系统结构图
3 控制特点
由纸浆洗选过程的工艺流程来看,整个纸浆洗选过程主要分为:浆的粗筛过程、浆的洗涤过程、浆的精筛过程。所以整个洗选过程的控制主要表现为压力除节机的控制、洗浆机转速、真空度的控制以及一段、二段压力筛和除砂器的控制。在整个工程实施过程中,其控制系统体现了以下几个特点:
3.1 控制的密集性
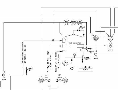
在该系统中,每台泵的需要流量不同,除节机、一段压力筛、二段压力筛、洗节机、洗渣机、除砂器等整套设备的体积不大,但进出装置的物料却很多,传统情况下,需要由专人看管,随时调整浆泵进出口阀门,同时还需兼顾其它设备正常工作的压力。由于浆泵进口阀门需要关小,造成浆泵超负荷运行,且磨蚀频率高,用电负荷大。由于手工操作,造成产品质量波动大,从而造成质量事故的概率高。现利用DCS系统,每一物料都需要通过严格的PID控制,否则就会造成装置的堵塞,另外,由于装置的体积小,惯性小,控制的范围要求得也小,对控制系统的设计存在一定的难度。如图2为除节机的流程图,从该图中可以看出,控制该装置的正常运行,需要5套PID调节回路来成功实现对压力除节机的控制。
通过DCS系统的操作员站,由于整个系统实现了自控运行,操作人员的主要责任就是监控、查询及发送相应的指令。通过操作员站及所安装的监控系统,一个人即可完成过去由多人完成的工作,大大提高了效率。
图2:除节机流程图
3.2 控制的条件较多
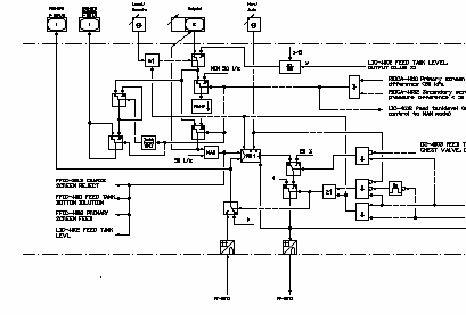
整个洗选过程的控制有压力除节机的控制、压力筛的控制、除砂器的控制以及洗浆液位的控制等,由于每个调节系统输入条件限制较多,输出也受外围的泵和阀的开停状态限制,不同的状态要求调节阀响应控制到0%或30%位置,其逻辑框图如图3所示。本工程通过利用SunySunyTDCS9200系统的算法编辑器(SunyIEC)的成功实现了对各系统的控制,图4是盘磨板调系统具体实现的算法程序图。
图3:调节系统框图
图4 盘磨板调系统算法实现程序
3.3 节子磨启动和保护条件复杂
由于节子磨启动和保护条件很复杂,通过多方技术人员对设计图纸的共同探讨,根据生产的实际情况,节子磨启动条件如下,其实现算法如图5所示。
1) 节子磨润滑油泵准备好;
2) 节子磨板调系统退刀限位(常开);
3) 节子磨解机急停;
4) FS028_FS1推力轴承油量>L=1,常开;
5) FS029_FS1前径轴承油量>L=1,常开;
6) FS030_FS1后径轴承油量>L=1,常开;
7) TS032_TS1前径轴承油温
8) TS033_TS1后径轴承油油温
9) TS034_TS1推力轴承油油温
10) LS052_LS1油箱油位大于L,常开;
11) TT_4107油箱油温>H=1,常开,正常闭合;
12) PDS051油过滤网差压大于H=1,常开;
节子磨跳闸保护条件如下:
1) 盘磨润滑油泵停;
2) FS028_FS2推力轴承油量>LL=0,常闭;
3) FS029_FS2前径轴承油量>LL=1,常开;
4) FS030_FS2后径轴承油量>LL=1,常开;
5) TS032_TS2前径轴承油温
6) TS033_TS2后径轴承油油温
7) TS034_TS2推力轴承油油温
8) 电机绕组温度A、B、C大于120度;
9) 电机前、后轴承温度大于80度;
10) LS052_LS2油箱液位>LL=1,常开。
图5 节子磨启动和停止条件
4 结束语
本造纸厂通过利用SunyTDCS9200控制系统,成功地实现了在洗选过程中的智能化、自动化控制,通过该系统使纸浆洗净度提高3~4%,洗涤用水减少5~10%,黑液浓度提高2~3%,大大提高了纸浆生产的效率,也因此为该厂取得了更大的经济效益。
参考文献:
1、唐德翠,郑恩让,黄海军.纸浆洗选过程集散控制系统[J].论文•报告•综述.2004(2):17-19
2、赵贺军.过程控制系统在洗选漂中的应用[J].中国造纸.2003(22):68-69
(转载)



