0.引言
基于具有三个CPU且固化了LonTalk通信协议的神经元(Neuron)芯片的智能节点模板,由于Neuron芯片是八位处理器,而且只提供了11个通用I/O口,并采用了基于事件巡检的软件调度机制,故其控制功能相对较弱,使它无法完成实时性高的多进程、多任务的并行处理,不能满足采集量和控制量要求较多的多现场设备管控的高要求,且性价比较低。要满足这种高要求,就要减少Neuron芯片在外部事件上的开销,让其充分发挥它在通讯组网上的优越性,能使现场设备之间快速地交换信息,满足系统实时监控的要求;而对于提高网络节点的测控能力,必须另择门路。嵌入控制功能强、物美价廉的单片机,专门完成多节点的智能测控,构成一种基于AT89C2051单片机的VCN-MIO(多I/O)智能节点模板,不失为一种上乘的较佳选择,本文介绍它的电路设计。
-MIO智能节点模板的总体设计
VCN-MIO智能节点模板,以包含Neuron芯片在内的TP/FT-10F闪控模块和AT89C2051单片机为核心,采用标准的控制网络协议LonTalk,实现了真正的对等层点到点通信的分布式控制网络。其总体设计如图1所示。图中,A为8路AI、6路DO;B为网络、直流电压与交流源接口;C、D、E分别为扩充模块的I/O端口,其功能由扩充I/O模块定义,可以根据工程实际需求灵活配置。
图1 VCN-MIO智能节点模板总体设计
(*中国高等教育学会“十一五”教育科学规划课题(批准号:06AIP0090046);江苏省教育科学“十一五”规划2006年度课题(立项编号:179); 山东省教育科学“十一五”规划2006年度课题(立项编号:115GG41); 黑龙江省教育科学“十一五”规划2006年度课题(批准编号:HGG027);黑龙江省教育厅2006年科学技术研究计划项目(项目编号:11513037);朱静(1966-),女,江苏淮安人,副教授,高工。研究方向:机电工程控制)
2.TP/FT-10F 主控核心模块电路设计
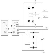
主控制模块提供了一种简单、有效的方法将LonWorks技术运用到任何控制系统中。本设计控制模块存储器采用 FLASH EPROM,它能够在掉电的情况下保证数据不丢失,同时在上电的情况下还能够对它进行可反复擦写1000次的数据写操作,在FLASH EPROM中,ATMEL公司的AT89C512 与MC143150 的时序配合最为合适,存储空间以64K为首选。收发器选用 FTT-10A,它在未加电时呈现高阻状态,不会影响网络通信。FTT-10A 与神经元芯片3150的接口电路如图2所示。
图2中,Cl 是静态放电电容,在需要的情况下,要尽可能耐高压,电容值偏小,如 1000pF;C2 是供电电源的解耦电容,通常选用0.1uF/5V解藕电容;C3、C4为DC模块电容,取值为22uF/50V;二极管为电容暂态限幅,保证收发器静态放电安全可靠,建议使用 IN4148或 BAV99。图3所示控制模块的左侧18插脚分别与神经元芯片的11个I/O、RESET、SERVICE、电源及接地引脚等直接相连,右侧6个插脚与图2的Net1、Net2直接相连。

图2 FTT-10A 与神经元芯片3150的接口电路

图3 TP/FT-10F控制模块结构图
3 VCN-MIO底板与扩展模块的电路设计
3.1单片机AT89C2051与神经元芯片MC143150的接口电路设计
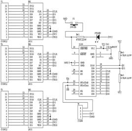
底板的结构设计用来排列核心模块和扩展模块,并给各个扩展模块提供电源,同时底板又是一个8路AI/6路DO的基础板。核心模块和扩展模块、核心模块与底座的通信即神经元芯片与单片机AT89C2051芯片通信采用的是SPI方式,如图4所示,由于神经元芯片的IO口不多,故选用串行方式。SPI接口是一种同步全双工串行外围接口,突出优点是在使用最少的微控制器引脚的前提下,实现相对高速的短程通信。神经元芯片提供Neurowire对象实现SPI方式通信,IO8、IO9、IO10分别是同步时钟、数据输出、输入;IO0-IO7任意一个可
作为片选。

图4单片机AT89C2051与神经元芯片MC143150的接口电路
3.2输入输出接口电路设计
数字量输出模块采用达林顿阵列ULN2003集电极开路输出,最大电压50V,最大吸收峰值电流500mA,最大压降1.2V。但ULN2003芯片功耗为:PD=(最大结温-工作温度)/73。
当最大结温取150℃,工作温度取40℃时,PD=1.5W,建议不要超过1W。由于每块达林顿阵列ULN2003用了5路,即每路0.2W,当平均压降取1V时,每路额定吸收电流则仅为200mA。输入可采用干触点输入或者电压输入。为了简化电路和电源,采用二极管隔离方式。干触点接通时要求接触电阻不大于500Ω,响应时间可达2ms,通过触点的电流不大于1mA;干触点断开时,触点的电压不大于5V,要求触点断开电阻不小于30KΩ。电压输入,高电平+3V~+30V,低电平0~+1V,脉冲响应时间可达2ms。数字量输入输出接口电路如图5所示。

图5 数字量输入输出接口电路
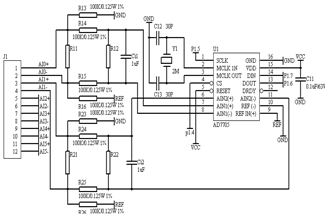
模拟信号部分电路相对复杂,针对交流输入和直流输入分别设计了不同的检测滤波电路。图6为模拟信号采集电路,适用于直流电压、电流信号输入,可通过软件调整量程。AD7705是AD公司出品的适用于低频测量仪器的AD转换器。它能将从传感器接收到的很弱的输入信号直接转换成串行数字信号输出,而无需外部仪表放大器。采用Σ-Δ的ADC,实现16位无误码的良好性能,片内可编程放大器可设置输入信号增益。

图6 模拟信号采集电路
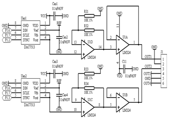
图7为模拟量输出电路,DAC7513是低功耗、单信道、12位缓冲电压输出D/A转换器(DAC)。芯片内含精密输出放大器,使(rail-to-rail)轨对轨输出成为可能。它采用通用三线串行接口,操作时钟频率高达30MHz,与标准接口兼容。DAC7513集成了上电复位电路,上电时输出电压为0V并保留此状态直到产生对器件有效的写,包含掉电特性,在结束串口访问后,电流消耗可降为200nA(5V)。DAC7513的功耗为0.5mW(5V),掉电模式均降为1μW。

图7 模拟量输出电路
4 节点故障诊断和抗干扰设计
4.1 故障诊断策略流程
在节点开发过程中,故障的出现是不可避免的。在出现故障后能迅速的诊断故障所在,并且及时地进行修正,是每个开发人员面临的共同任务。而在故障的诊断中,具有一个好的策略流程,能有效的指导开发人员有顺序的有逻辑的进行故障定位。图8便是一个基本完整的策略流程图。

图8 节点故障诊断流程
4.2 电磁抗干扰设计
对于系统板上的数字芯片,由于3150 运行的工作频率大概为10MHz,工作频率高,高速跳变电流会产生较大的阻抗噪声。为了抑制这种噪声的影响,需要在芯片的电源引脚和接地引脚之间添加去耦电容,以通过电容的充放电来稳定电流量;在信号传输频率高的地方,尽量使用小的解耦电容。在电路板规划的时候,采用四层电路板设计方案,可以减少电磁干扰;在电路板布线时,应尽量缩短存储芯片的数据线、地址线及控制线的走线距离,以减少对地电容;要保持多条地址线之间走线距离的一致性,否则各线会因走线距离不同而造成较大的阻抗差异,使到达终端的地址信号波形相差过大,最终导致控制信息失效。此外,数字芯片的未用输入端不应处于浮空状态,而应将其接入高电平,以防止电磁干扰窜入开路的输入端,引起逻辑电路的误动作。
4.3 静态放电(ESD)影响处理
ESD是在电子应用中经常遇到的问题。减少ESD带来的影响通常有两种解决的办法。首先,把敏感设备用电磁套包装起来,使ESD不能到达敏感设备。接地可以为各电路的工作提供基准电位,但同时也为不同电路的噪声信号提供了一条耦合途径。由于本系统板上既具有模拟通信接口、A/D 转换等模拟电路,也具有存储系统等数字电路,因而采取了模拟、数字电路单元内部分别接模拟地和数字地,最后再将两条地线接至一点的措施。这样便在最大程度上降低了两种电路间地线的公共阻抗,减少了两种电路间的噪声信号的互扰。
5 结语
本文设计了基于AT89C2051单片机的VCN-MIO智能节点模板结电路设计,单片机作为主处理器负责数据采集处理部分的工作,而Neuron芯片专门负责通信功能。这样处理的最大好处是提高了数据处理的能力,提升了节点的性能。现场的信号主要是数字量和模拟量两种,故针对每种信号的特点分别设计了输入输出电路,值得强调的是VCN-MIO这种节点的结构安排,即一个核心控制模块配带一些扩展模块,端口的数量可以灵活配置,端口的形式也可以灵活配置。目前已开发出具有44路I/O节点的高性能智能模板,并已将其应用于第十届“挑战杯”全国大学生课外学术科技竞赛作品“现代化立体车库的远程智能网络管控系统”制作,效果显著。实验表明,该多I/O智能节点模板的智能节点数大大增多;通信、控制调度、实时性、可靠性大大增强;性价比大大提高;能够满足目前现代工业过程控制领域复杂测控系统的高要求。
参考文献:
[1] 陈岚等. 多处理器结构的LonWorks网络智能控制器设计与实现[J].小型微型计算机系统.2003,24(12)
[2] 马莉.智能控制与Lon网络开发技术[M].北京:北京航空航天大学出版社,2003.
[3] Echelon 1995 Echelon LonWorks Products n Corporation. [J]1995:8-12
[4] 姚胜兴.LonWorks现场总线技术在楼宇自动化系统的应用研究[J].湖南大学.硕士学位论文. 2005
[5] 凌志浩.从神经元芯片到控制网络[M].北京.北京航空航天大学出版社,2003
[6] Echelon el I/O Interface to the Neuron Chip[Z]. January,1999
[7] Echelon C Programmer’s n Corporation[Z],1995
[8] 裴立云、高安邦等.基于LonWorks(局域网)的现代智能测控系统创新实验设计[J]. 哈尔滨:电脑学习,NO.6,2006
[9]高安邦等.“LonWorks”现场总线技术综述[J]. 哈尔滨:电脑学习,NO.5,2006
[10]段曙彬,高安邦. LON智能节点开发与组网研究[J]. 哈尔滨: 哈尔滨理工大学学报,NO.1, 2006
[11]智淑亚,高安邦,杨帅. LonWorks现代智能测控系统的开发应用设计[J].哈尔滨:电脑学习,NO.1,2006
[12]智淑亚,段曙彬,高安邦.基于Neuron芯片的智能调光节点开发[J]. 哈尔滨:电脑学习,NO.6,2005
(转载)



