
二、两线制4-20mA信号隔离配电器(节能防爆型二线制配电器):ISO4-20mA-F
ISO4-20mA-F是一种两线制4-20mA信号隔离配电器,属于SUNYUANISO4-20mA系列的产品。
该IC内部包含有电流信号调制解调电路、信号耦合隔离变换电路,还有一个高效率的DC-DC电路等。该IC为两线制配电器配电16V~21.5V,方便了一些两线制传感器的信号测量、远传、隔离等功能。该IC输出是针对24VDC和取样电阻(或称负载电阻)相串联的二线制供电回路(现场防爆功能)来设计的,同当前流行的模拟量输入接口板(上位机)、PLC、DCS或其他仪表的模拟量输入端口相匹配。内部的陶瓷基板、印刷电阻工艺及新技术隔离措施使器件能达到3KVDC绝缘电压和工业级宽温度、潮湿、震动的现场恶劣环境要求。ISO4-20mA-F产品使用非常方便,无需外接器件,即可实现两线制4-20mA信号的隔离、传输和变送功能。


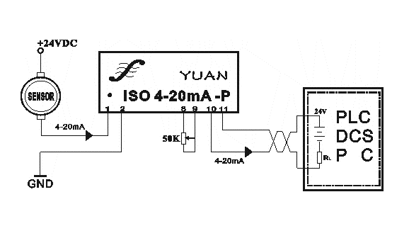
四、两线制4-20mA信号隔离调理器:ISO4-20mA-P
ISO4-20mA-P是一种两线制4-20mA信号隔离调理器,属于SUNYUANISO4-20mA系列的产品。
该IC内部包含有电流信号调制解调电路、信号耦合隔离变换电路等。很小的输入等效电阻,使该IC能够从传感器回路中采集到的信号电压达到超宽范围(7.5—32V),以满足用户无需外接辅助电源而实现信号远距离、无失真传输的需要。该IC输出是针对24VDC和取样电阻(或称负载电阻)相串联的二线制供电回路来设计的,同当前流行的模拟量输入接口板(上位机)、PLC、DCS或其他仪表的模拟量输入端口相匹配。内部的陶瓷基板、印刷电阻工艺及新技术隔离措施使器件能达到3KVDC绝缘电压和工业级宽温度、潮湿、震动的现场恶劣环境要求。ISO4-20mA-P产品使用非常方便,只需外接一个50KΩ的多圈电位器进行ADJ校正,即可实现两线制4-20mA信号的隔离、传输和变送功能或信号的一进二出、二进二出等变换功能。

(转载)



