我国的油田绝大部分为低能、低产油田,不像国外的油田有很强的自喷能力,大部分油要靠注水来压油入井,靠抽油机(磕头机)把油从地层中提升上来。在我国,以水换油、以电换油是目前油田的现实,耗电费用在我国的石油开采成本中占了相当大的比例。所以,石油行业十分重视节约电能,节省电耗就是直接降低石油的开采成本。
我国目前抽油机的保有量在10万台以上,电动机装机总容量在3500MW,年耗电逾百亿Kwh。抽油机的运行效率特别低下,在我国平均运行效率为25.96%,国外平均水平为30.05%,年节能潜力可达几十亿Kwh。除了抽油机之外,油田还有大量的注水泵、输油泵、潜油泵等设备,总耗电量超过油田总用电量的80%,可见,石油行业也是推广"电机系统节能"的重点行业。
抽油机节能,其首选方案是采用变频器对其电机拖动系统进行改造,抽油机改用变频器拖动后有以下几个好处:
(1) 大大提高了功率因数(可由原来的0.25~0.5提高到0.9以上),大大减小了供电电流,从而减轻了电网及变压器的负担,降低了线损,可省去大量的"增容"开支。
(2) 可根据油
(3) 由于实现了真正的"软起动",对电动机、变速箱、抽油机都避免了过大的机械冲击,大大延长了设备的使用寿命,减少了停产时间,提高了生产效率。
但是,变频器用于抽油机电机时,也有几个问题需要解决,主要是冲击电流问题和再生能量的处理问题,下面分别加以分析。
2 冲击电流问题

图1 常规曲柄平衡抽油机
常规曲柄平衡抽油机结构示意图如图1所示,图1中,1-底座;2-支架;3-悬绳器;4-驴头;5-游梁;6-横梁轴承座;7-横梁;8-连杆;9-曲柄销装置;10-曲柄装置;11-减速器;12-刹车保险装置;13-刹车装置;14-电动机;15-配电箱。游梁式抽油机是一种变形的四连杆机构,其整机结构特点像一架天平,一端是抽油载荷,另一端是平衡配重载荷。对于支架来说,如果抽油载荷和平衡载荷形成的扭矩相等或变化一致,那么用很小的动力就可以使抽油机连续不间断地工作。也就是说抽油机的节能技术取决于平衡的好坏。在平衡率为100%时电动机提供的动力仅用于提起1/2液柱重量和克服摩擦力等,平衡率越低,则需要电动机提供的动力越大。因为抽油载荷是每时每刻都在变化的,而平衡配重不可能和抽油载荷作完全一致的变化,才使得游梁式抽油机的节能技术变得十分复杂。因此可以说:游梁式抽油机的节能技术就是平衡技术。
据笔者对某油田18口井的调查,只有1、2口井的配重平衡较好,绝大部分抽油机的配重严重不平衡,其中有10口井的配重偏小,另有6口井配重又偏大,从而造成过大的冲击电流,冲击电流与工作电流之比最大可超过5倍,甚至超过额定电流的3倍!不仅无谓浪费掉大量的电能,而且严重威胁到设备的安全。同时也给采用变频器调速控制造成很大的困难:一般变频器的容量是按电动机的额定功率来选配的,过大的冲击电流会引起变频器的过载保护,不能正常工作。
通过对抽油机曲柄配重块的调整,都可以使冲击电流降到电机额定电流之内,冲击电流与正常工作电流之比在1.5倍以内。这样,选用与电机额定功率同容量的变频器,甚至略小于电机额定功率的变频器(要视抽油机电动机的负载率而定)都可以长期稳定运行。
由于抽油机的起动扭矩往往很大,惯性也很大,所以要将变频器的加减速时间设置得足够长,一般为30~50s,才不致在起动时引起过载保护。
3 再生能量的处理问题
由于抽油机属位能性负载,尤其当配重不平衡时,在抽油机工作的一个冲程周期中,会出现电动机处于再生制动工作状态(发电状态),电动机由于位能或惯性,其转速会超过同步转速,再生能量通过与变频器逆变桥开关器件(IGBT)并联的续流二极管的整流作用,反馈到直流母线。由于交一直一交变频器的直流母线采用普通二级管整流桥供电,不能向电网回馈电能,所以反馈到直流母线的再生能量只能对滤波电容器充电而使直流母线电压升高,称作"泵升电压"。直流母线电压过高时将会对滤波电容器和功率开关器件构成威胁,为了保护电容器及功率开关器件的安全,所以变频器都设置了"OUD"保护-直流母线电压高保护停机功能。
(1) 一种办法是增大变频器直流母线上滤波电容器的容量,将再生能量储存起来,等电动状态时再释放给电动机作功。这种方法对节能有利,但是电容器的储能作用是有限的;譬如,某抽油机电动机的平均功率以10kW计算,回馈功率以25%计算为2.5kW,在一个冲程周期中发电状态为2~3S的话,则回馈能量Ad=6000焦耳。若采用15kW的变频器,其直流母线滤波电容的容量为2200μF,正常工作时直流母线电压小于600V(Us),"OUD"保护电压(Usm)为800V,那么As=1/2CUsm2-1/2CUs2=1/2×2200×10-6×(640000-360000)=308焦耳,比起6000焦耳的回馈能量来小得多了。即使再增加10,000μF的滤波电容,也只能储能1400焦耳,因此在大容量或者负载惯量大的系统中,不可能只靠滤波电容器来限制泵升电压。
(2) 第二种办法是采用"放"的办法,可以采用由分流电阻器Rp和开关管VB组成的泵升电压限制电路,如图2所示。也就是将回馈能量消耗在电阻上,这是一种耗能的方法,对节能不利。尤其是在大容量或者大惯量拖动系统中,能量的损失较大。当然也可以采用现成的变频器选件:制动单元和制动电阻来实现,其原理与图2是一样的,只是投资更大,耗能也更大而已。

图2 泵升电压限制电路
(3) 对于地处北方寒冷地区的抽油机,为了在冬季增加原油的流动性和防止结腊,对井口回油管进行电加热,如中频电加热装置,这时也可将变频器与中频电加热装置共用整流电路及直流母线,这样可将电动机回馈到直流母线上的再生能量用于中频加热
(4) 对于同一井场上有多口油井的场所,可以采用共用直流母线系统方案:即若干台抽油机的变频器可共用一台整流器,将其直流母线联结在一起,利用各变频器的回馈能量不可能在同时发生的原理,将某一台变频器的回馈能量作为其它变频器的动力。这样即节约了能量,又防止了泵升电压的产生。如图3所示。

图3 采用公用直流母线的多逆变器系统主电路
(5) 对于更大功率的系统,为了回馈再生能量,提高效率,可以采用能量回馈装置,将再生能量回馈电网,当然这样一来,系统就更复杂,投资也就更高了。所谓的能量回馈装置,其实就是一台有源逆变器。按采用的功率开关器件的不同又可以分为晶闸管(SCR)有源逆变器及绝缘栅双极型晶体管(IGBT)逆变器两种,它们又各自有其特点和要求。
a) 晶闸管有源逆变器

图4 采用晶闸管有源逆变器的再生能量回馈系统主电路
如图4所示,三相桥式可控整流电路用作有源逆变时,就成为三相桥式有源逆变电路。只是电路内电能的流向与整流时相反,直流母线输出电功率,电网则吸收电功率,为了防止过电流,应满足UD≈Um的条件,UD取决于电动机的回馈能量的大小,而Um则可通过控制角α(或称为逆变角β,β=π-α)来进行调节,由于逆变时Um为负值,故α在逆变时的范围应为π/2~π之间(或β为π/2~0之间)。其实由于电感性负载及变压器漏抗的影响,最小逆变角βmin≥π/6。
从上述的分析可见,逆变的条件有2:其一要有直流电压存在,其极性须和晶闸管的导通方向一致,其值则应稍大于变流器直流侧的平均电压Um;其二要求晶闸管的控制角α>π/2,使Um为负值,两者必须同时具备才能实现有源逆变。晶闸管有源逆变器的关键是交直流侧的电压匹配,否则也无法实现有源逆变。由于
Um=-2.34U2cosβ(或=-1.35U2l cosβ) (1)
若逆变器交流侧直接接到380V交流电源,且最小逆变角取β=π/6,则UMmax=480V左右,而变频器直流母线电压在正常工作时为540V左右,UD>Um,会形成能量在变频器整流器-逆变器-电网之间无谓循环,且会使直流母线电压降低,减小了变频器的输出功率。而我们要求的是:当回馈能量较小时,能量回馈装置不工作,让能量储存在滤波电容器中,当直流母线电压达到某一设定值时(如UD>670V),能量回馈装置才开始工作,将多余的能量回馈电网。根据(1)式反算过去,逆变变压器付边的线电压应大于540V,相电压应大于300V,才能实现电压匹配。
b) IGBT有源逆变器,虽然其主电路结构与变频器中的无源逆变器基本相同,但是其功能和控制方法是大不相同的。变频器中的无源逆变器的负载是三相交流电动机,其输出频率、电压、相位都可以由变频器随意控制;而IGBT有源逆变器的输出接的是交流电网,是有源负载,其输出频率、相位和电压都必须与电网一致,否则会造成短路而烧毁逆变器。所以在IGBT有源逆变器的控制中增加了鉴频、鉴相器和锁相环控制。电压则由PWM控制,比晶闸管有源逆变器容易实现。另外在输出端接有交流电抗器,用来抑制过电流。
(6) 采用四象限运行的变频器,其控制就更复杂,投资也更高了,如图5所示。

图5 可四象限运行变频器主电路
4 电磁兼容性问题
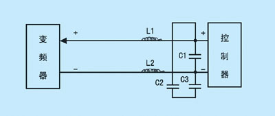
这里主要讲电磁干扰(EMI)问题,即变频器对微电脑控制器,传感(变送)器及通讯设备的干扰问题。因为变频器是一个很强的电磁干扰源,变频器中的开关电源,以及产生的SPWM电压波形,会对控制及通讯系统造成很大的干扰。干扰的途径,除了感应、辐射之外,也包括传导干扰,即通过连接导线传导的干扰。在控制系统中,变频器只是一个执行机构,它的运行频率(速度)指令要由控制器通过对油井产液量等信号的控制运算后向变频器发出,变频器设置成根据外部信号运行的工作方式。变频器就通过这根信号线,给微电脑控制器造成了很大的干扰,以致使控制器无法正常工作。因为是传导性干扰,采用屏蔽线是不解决问题的,要从信号线上的共模及差模干扰入手,如图6所示,才能真正解决干扰问题。

图6 信号线抗干扰措施
5 可靠性和环境适应性问题
由于抽油机都在环境恶劣的野外工作,并且很多油井是无人值守的,所以对变频器的可靠性和环境适应能力提出了很高的要求。一方面要选用可靠性指标高的变频器品牌,同时也要给变频器在野外恶劣环境下工作创造必要的条件。如设计防护等级高的双层密闭隔垫(保温)控制柜,柜内设计强迫风冷系统,可以将柜内的热量排出,并在柜底设计有冷空气入口,使之适合在夏季沙漠高温环境中使用。如有条件,可建造控制柜小屋,使控制柜避免阳光直接照射及雨淋。
6 IMOC-2000系列抽油机智能高
效节能增产控制装置
IMOC-2000 系列抽油机智能高效节能增产控制装置是南京电力自动化设备总厂电气设备厂与国家电力公司热工研究院具有交流电机节能控制丰富经验的高级科技人员相结合,在对国内油井进行了广泛而深入地调查研究的基础上,考虑到国内外同类产品的功能缺点和不足,根据不同油井的具体情况研究设计制造的专门用于抽油机节能增产控制的高科技产品。本装置通过流量、压力、温度的测量,可精确感知井下油层厚度,通过上、下死点位置的测量,更提高了控制的精确性。该产品融合微电脑智能控制技术,先进的变频调速技术和电动机综合节能控制技术,使抽油机传统的粗犷式低效率抽取改变为智能化高效率抽取,其结果是有效地避免了泵空的发生,大幅度减少了无效行程,节电率可达到30%~50%,原油增产20%~30%。控制装置中还装有遥控模块,可以随时接收上位机的指令信号,也可随时将油井的流量、压力、温度和电动机温度等参数以及抽油机状态等信息传送给上位控制计算机,实现全油田遥控操作管理,大大提高石油生产的自动化程度。IMOC-2000系列抽油机智能高效节能增产控制装置的研制成功,代表着当今抽油机节能控制技术的一项革命性突破。
抽油机智能高效节能增产控制器是通过采用多种不同的方法,尽量使抽油机的工作方式与油井的实际负荷及环境条件相匹配,提高抽油机的充满度,从而提高电动机的效率与功率因数,达到节能增产的目的。根据油井的不同情况,共有3种型号的产品,下面分别加以介绍。
6.1 A型:间歇工作,Y/△转换控制节能型。
对于开采时间已久的老油井和贫油井,如果抽油机连续不断地工作,就会出现产油量小,甚至空抽的现象,白白浪费电能。面对这一问题,传统的方法是使用定时器令抽油机间歇性地工作,但是这种方法一方面是仍然无法解决令抽油机工作能力动态地响应油井负荷变化的问题。同时这种做法也是以损失油井的产量为代价的。
抽油机智能节电控制器采用微电脑技术,通过检测油井出液量精确感知油井负荷,当油井出液量小于经济流量时,则停止抽取。自适应模糊控制算法科学确定开停机时间,保证开机时最大的抽油机效率,避免了半满抽或空抽的现象发生,大量的节省了电能。如果控制适当,还能在一定程度上提高采油量。但是大多数油井是不允许间歇性地工作的,否则轻则影响采油量,重则会使油井无法再开启。如:
(1) 含腊量高或含盐量高以及油的粘稠度高,且处在高寒地带的油井,如果间歇工作,会造成井口结腊、结盐或结油的后果,使油井无法再开启。
(2) 对于注水油井,如果停止抽取,势必影响产油量,这将是得不偿失的事。对于这类油井,就要采用其它的节能方法。为了解决抽油机的低效抽取问题,可以采用降低抽油机电动机的励磁电压的方法来提高电动机的功率因数和效率,达到节能的目的。IMOC-2000控制器采用两种方法降低电动机的电压:其一是Y/△转换节电,当控制器检测到抽油机电动机的负载率<33%时,通过接触器,将原来三角形接法的电动机绕组改为星形接法,这样就将电动机绕组的电压由380V降为220V,从而大大提高了功率因数和效率,达到节电的目的。当控制器检测到电动机的负载率>40%时,则又将星形接法改为三角形接法运行,以保证抽油机的出力,也防止因为电流过大而烧毁电动机。
6.2 B型:电力电子器件动态调压节能型。
电动机轻载降压节电的另一种方法是利用可控硅的移相调压功能,动态地调整电动机的端电压,使抽油机的工作能力与实际负荷相匹配,并可根据上下行程的负荷变化,及时地调整电压,最大限度地达到节能降耗的目的。
Y/△转换控制设备简单、投资省,但节电效果稍差,且无法实现根据上下行程负载变化节电。电子型自动调压节电效果好,但投资较大。IMOC-2000控制器还采用了无功就地补偿的方法,在A型和B型控制柜中都装有补偿电容器组,其容量可以根据抽油机电机的功率进行调整,达到较好的补偿效果,可大大降低无功损耗及线损,同时也可减小变压器容量,节省增容费用。
6.3 C型:变频调速节能型。
利用现代变频调速新技术,通过动态调节抽油机的冲程频次和上下行程的速度,达到既节电又增产的目的。
(1) 动态调节抽油机的冲程频次节电
我们知道,抽油机的冲程频次都是可以通过机械的方法调整的。但是,一旦调整好了以后,是不大可能经常进行调整的,并且通过皮带轮直径调整频次的方法也是有级的,不能动态适应油井负荷的需要。只有通过动态调整抽油机电机的转速,才能调整泵的充满度,提高抽取效率,增加原油产量,收到一举两得的效果。
随着油井由浅入深的抽取,井下油量的减少,若还以原来调整的频次抽取时,必然会出现泵的充满度不足,泵效下降的情况。这时若通过采用变频调速技术降低电机转速减少抽取频次,不仅减小了电机功率,实现了节能
(2) 动态调节抽油机上下行程的速度,实现节能增产的目的。
由于采用微电脑控制和变频调速技术。除了可以动态改变抽油机的冲程频次之外,还可以根据实际需要地分别调整每一冲程上下行程的速度,使抽油机工作在最佳运行状态。在每一冲程中,适当降低下行程的速度,可以提高原油在泵内的充满度,而适当提高上行程的速度,则可减少在提升中的漏失系数,有效地提高单位时间内的原油产量。同时通过动态调速也可大大节省电能的消耗。
IMOC-2000系列抽油机智能型高效节能增产控制装置遵照安全、可靠、经济合理和现场适用的原则进行设计,考虑到油田野外环境恶劣,冬夏温差大,风沙、尘暴多的特点,设计了双层密封隔热(保温)控制柜,且具有防盗功能,外壳防护等级为IP44。柜内设计有强迫风冷系统,可以将柜内热量排出,而外面的热量却无法进入,适合在夏季沙漠中高温环境下使用。
(转载)



