在生物制药的发酵系统中,水量的变化对于产品的品质有极大的影响,采用变频恒压供水后,不仅可以提高企业的经济效益、节能降耗、提高设备技术含量、安全、稳定运行具有很好的促进作用,同时可以保证产品的品质。
2、系统组成
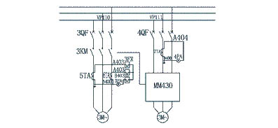
恒压供水系统由两台泵组成。每台泵的出水管均装有手动阀,以供维修和调节水量之用,两台泵均为45kw,两台泵协调工作以满足供水需要。系统组成如图1所示。

3、系统功能
该系统由一台变频器及压力传感器,控制柜及相关设备组成。利用一台变频器可以控制两台30kw水泵的运转,改造后,1#泵45kw始终处于工频运转,2#泵由变频器的控制实现变工况运转。
根据不同发酵工艺的要求1#及2#由变频器控制进行切换。当使用发酵罐少时,2#泵工作在变频启动状态,随着压力会自动调节频率的高低以保持压力的恒定,在发酵罐全部打开时,变频器会自动切换状态,启动1#泵30kw,此时1#泵工作在工频状态,2#泵工作在变频状态。由于2#泵的自动调节功能,从而保证系统的恒压。一般而言,两台泵同时投入是绝对能满足要求的。
3.1 pid的调节
由压力传感器反馈的水压信号(4-20ma)直接送入变频器的a/d口,设定给定压力值,pid参数值,并通过变频器内部计算公式确定何时需切换泵,系统参数在实际运行中调整,使系统控制响应趋于完整,如图2所示。

由于水泵及供水管网在pid调节过程中常常出现变频器报警或跳闸,这需要调节变频器中的p及i参数,但如i参数调节不当会造成pid控制波动过大,无法达到控制要求。在调节过程中可根据现场实际情况逐步增加i参数值,从而达到软化pid,减小变频器闭环调节时的响应电流,排除变频器报警。
3.2 “节能”功能
系统运行时经常会遇到用户用水量较小或不用水(如夜晚)情况,为了节能,该系统专门设置了可以使水泵暂停工作的“休眠”功能,当变频器频率输出低于其下限时,变频器停止工作,1#、2#泵不工作,水泵停止(处于休眠状态)。当水压升高时变频器将恢复原有工作状态。
(1) “节能”变频器输出的下限频率p2390设置。
(2) “节能确认时间”用参数p2391设置,当变频器的输出频率低于节能值的时间如小于节能时间td时, 即td<tn时变频器继续工作, 当td>tn时变频器将进入节能状态。
(3) “节能再启动值”由供水pid差值(p2392)启动,当δp低于p2392值时由变频器发出指令唤醒变频器工作。
经测试“节能值”为10hz;“节能确认时间”td:10~20s;“节能再启动值”30%。
4、现场问题及解决方案
在现场设备安装过程中,压力变送器安装过于靠近水泵出水口,在系统启动时水压波动极大,造成变频器反复切换工频运行的水泵。将参数p2376改为200(电动机分级控制延时超越功能),使得系统在启动时避免因水压非正常波动而造成的系统误切换。
5、恒压供水控制系统注意事项
5.1 电气系统
在主回路系统中,分为由变频器控制的水泵电机m1(简称变频泵)加上常用的一般控制的水泵电机m2(简称工频泵),使用工频泵的台数多少可由供水量大小而定。
(1) 使用前要核准变频器的额定电压与交流电源电压是否一致。
(2) 因变频器制造厂家不同, 在控制柜变频器主回路接线的设计上存在一定的差别。一般要求在变频器的保护功能起作用或发生其它故障时, 为了切断的电源以防止故障或事故的扩大, 通常三相交流电源l1、l2、l3经高频漏电开关qf、接触器km接至输入端r、s、t。但是, 不允许频繁的“开”和“关”qf或km来进行“运行”和“停止”的切换。
(3) 变频器输出端u、v、w与电机之间勿需加装交流接触器, 否则在变频器运行过程中,若接触器进行on、off时会产生大电流和引起过电压。易损坏变频器内的逆变桥功率模块。此外,一般不必另加装热继电器作过载保护(一台变频器驱动多台电机时除外)。
(4) 变频器额定容量与电动机额定功率的比数应是3:2为宜。小了影响有效力矩的输出, 大了高次谐波含量加大。不同的厂家对变频器的容量的标法也有所不同, 如果标的是额定视在功率(kva), 则应算出电动机的视在功率:
s=p2/(η×cosφ)
式中: p2—电动机额定功率(kw);
η—电动机效率;
cosφ—电动机功率因数。
因高次谐波的影响,计算时应考虑到功率因数和效率比电动机在纯正弦电流条件下低一些,可根据各种变频器性能加以修正。
(5) 变频器控制柜应安装在干燥、通风良好的场地使用,并且要避免阳光直射。
(6) 当气温达到40℃以上时,变频器控制柜内要正确安装换气扇。排气扇应采用下进、上出的安装方式,保证变频控制柜内的正压通风。
(7) 当电机低速运行时, 要采取通风冷却措施。
(8) 用绝缘电阻表(兆欧表)进行测量电机绝缘电阻时,要将变频器接线端子u、v、w与电机接线断开,切勿将测试电压加到变频器上, 因电压过高容易造成变频器损坏。
(9) 在变频器输出频率低时,输出电压也低,电压降比例也大。因此,电缆的截面积要比没有用变频器作驱动电机用的电缆截面积大一级。电缆长度力求越短越好,不允许与控制线混放在一起敷设(使用屏蔽线除外)。
(10) 为了防止触电和有效地抑制射频干扰, 变频器外壳应良好接地。
5.2 水泵系统
因为水泵的排水压力与转数二次方成正比,对水泵实施转速控制保持最佳压力,才能达到最佳供水效果。目前采用变频器对水泵电机的调速控制方式,是最理想、最经济的一种方法。
(1) 在安装前首先把水管网路阻力损失、供水面积、供水高度等计算准确,然后再确定水泵的扬程、流量、轴功率、电机功率等,否则无法确定使用多大容量的变频器。
(2) 水泵铭牌上的扬程是水泵的总扬程,还必须考虑到由于管路的阻力(磨擦阻力、弯头阻力等)所造成的扬程损失(也称损失扬程),它包括不吸管水路的损失扬程和压水管路的损失扬程。因此,在选用水泵的总扬程时应该等于或大于所需扬程。

(3) 水泵(指轴功率)与电动机额定功率必须配套,应采用高层建筑供水用的lg系列泵,该系列泵属于立式单吸多级分段式离心泵。它的特点是噪音低、占地面积小等优点,适合于高层建筑供水用泵。
(4) 在设定压力值时,要考虑管道的质量,不般不宜超过4kg/cm2(0.4mpa)。
6、结束语
浦城绿康生化有限公司发酵系统采用变频恒压供水改造后,不仅提高了企业的经济效益、设备技术含量和节能降耗,而且对设备的安全和稳定运行具有很好的促进作用。
(转载)



