山东小鸭集团蓬莱洗涤设备厂 姜晓东 张守胜 高长宏
近些年来,工业洗涤设备尤其以水洗设备为主,变频器的应用越来越普及,变频器也因此为工业洗涤设备带来了全新的技术革命,从最早的不可调速的半自动洗衣机到用两个双速电机来实现四个速率的全自动洗衣机,最后发展到只需一个电机就可实现多段速率的现代洗衣机。
全自动洗衣机的洗涤过程如下:
首先,加水,正反转洗涤25分钟,洗涤完毕后,排水,进入脱水阶段,脱水阶段包括均布、中脱和高脱三个过程,均布即是在有水和无水的情况下,以比洗涤过程高的转速正向旋转1.5分钟,使衣物均匀地附着在洗衣机的滚筒内侧,以使后续的脱水过程平稳;排水后,提高转速进入中速脱水过程(2分钟),随后再进入高速脱水过程(5分钟),使衣物的含水率降至所要求的水平。
速度的设定方式有两种:
1) 以多段速的方式,在变频器上直接设定各阶段运行速度;
2) 通过洗衣机专用控制电脑,以通讯方式设定各阶段的运行速度。
各阶段的运行速度为:
洗涤:30rpm左右
均布:60rpm左右
中脱:400rpm左右
高脱:700~800rpm。
工业洗衣机要求变频器能提供高转矩、多段速、宽电压范围、自动转差补偿和方便的通讯方式;性能稳定,能适应各种宾馆、酒店洗衣房的高温、高湿的环境;变频器供应商能提供及时的和完善的服务,总之,要求变频器能适应工业洗衣机特定的洗涤工艺要求和特定客户群的服务要求。我公司从1992年开始探索生产全自动变频工业洗衣机,先后引进了欧洲和台湾品牌变频器,在全国首次试验成功,由于变频器是工业洗衣机中的核心关键部件,上述两品牌在质量、服务和价格方面均存在不足,2001年,我们又引进了美国EMERSON(艾默生)变频器,EMERSON公司的“关注客户需求”的经营理念和遍布全国乃至世界的联保服务中心和Drive Center吸引了我们,EMERSON变频器性能优异、质量可靠、价格适宜,调节简单,操作方便,根据我公司的技术要求,EMERSON 变频器采用了首创的V/F曲线自动调节技术,根据洗涤状况自动诊断及调整V/F曲线,使洗衣机启动平稳,电流降低,2001年首次在我公司200kg型全自动洗衣机上应用,运行至今,稳定可靠。
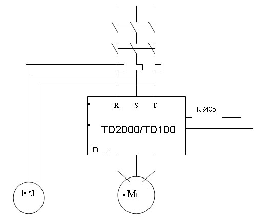
工业洗衣机电气接线原理示意图:

今年,为了进一步降低成本,提高产品竞争力,我公司又引进了新型变频电机,新型电机要求变频器提供手动V/F曲线调节功能,ENERSON公司又为我司研制了新型变频器,增加了多段V/F曲线功能。在工业洗衣机中,要求V/F曲线如下:

图中:a、A代表最低电压及最低频率
b、B代表中间电压及中间频率
c、C代表最高电压及基本运行频率
(A、a)点可以在原点,A的范围大致在0~4HZ之间,a的范围大致在0~25V之间,调节(A、a)点可影响设备的启动转矩,从而影响设备的洗涤转速。如果(A、a)点下移,则设备的启动频率低,洗衣机启动缓慢且平稳,要求变频器的低频启动转矩要大。
(B、b)点的调节则直接影响设备洗涤时的运行电流,这是非常重要的一点。如果(A、a)与(B、b)点之间的斜率大,即V/F曲线坡度陡,则运行电流会很大,但坡度太缓也不行,这里需要根据经验来调节。
以100kg型洗衣机为例:
(A、a)点:2HZ,24V
(B、b)点:25HZ,112V
(C、c)点:50HZ,380V
经过在100kg型洗衣机上的试验(变频器为TD2000-4T0110G,11kw),得出数据如下:

以上数据是反复试验两天得出的,期间有过连续运行四小时的情况,无一次异常事故,变频器温升很小。另外,在30kg、50kg、70kg机型上均得出类似结论。而在使用新型电机和EMERSON变频器之前,100kg型全自动洗衣机洗涤时的运行电流为30A左右,必须使用15KW变频器。可以看出,EMERSON变频器在我公司洗涤设备降低成本方面起到重要作用。EMERSON变频器的确是一款适合洗涤设备使用的优质变频器。
(转载)



