1.开关频率和主回路附加电感的选择
力矩波动也即电流波动,由系统设计给定的力矩波动指标为ΔI/IN,对有刷直流电动机而言,通常在(5~10)%左右。为了便于分析可认为
ΔI/IN=ΔI/(Us/Rd) (1)
式中Rd为电枢回路总电阻。代入前面各种驱动控制方式的ΔI表达式中,消去Us,可求出:
对于单极性控制
&nbs
对于双极性控制
Ld/Rd≥10T~5T (3)
式中T为功率开关的开关周期。
对于有刷直流电动机,电磁时间常数Ld/Rd一般在10ms至几十毫秒。若采用GTR,开关频率可取2KHz左右,T=0.5ms。若采用IGBT,开关频率可取18KHz以上,所以上式均能满足。若采用GTO或可控硅功率器件,由于工作频率只有100Hz左右,此时应考虑在主回路附加电抗器,且
Ld="Lf"+La (4)
对不可逆系统还应进一步检查临界电流,IaL=UsT/8Ld≤Ia0应小于电机空载电流,防止空载失控。
对于低惯量电机、力矩电动机,由于电磁时间常数很小(几个毫秒或更小),此时应考虑采用开关频率高的IGBT功率开关器件。
2. 功率驱动电路的选择

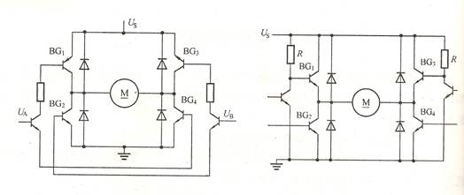
小功率驱动电路可以采用如图1所示的H桥开关电路。UA和UB是互补的双极性或单极性驱动信号,TTL电平。开关晶体管的耐压应大于1.5倍Us以上。由于大功率PNP晶体管价格高,难实现,所以这个电路只在小功率电机驱动中使用。当四个功率开关全用NPN晶体管时,需要解决两个上桥臂晶体管(BG1和BG3)的基极电平偏移问题。图2中H桥开关电路利用两个晶体管实现了上桥臂晶体管的电平偏移。但电阻R上的损耗较大,所以也只能在小功率电机驱动中使用。
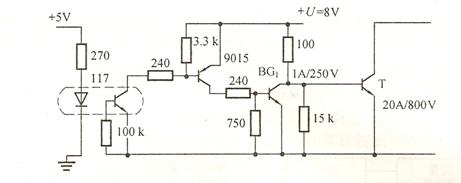
当驱动功率比较大时,一般桥臂电压也比较高,例如直接取工频电压,单相220V,或三相380V。为了安全和可靠,希望驱动回路(主回路)与控制回路绝缘。此时,主回路必须采用浮地前置驱动。图3所示的浮地前置驱动电路都是互相独立的,并由独立的电源供电。由于前置驱动电路中采用了光电耦合,使控制信号分别与各自的前置驱动电路电气绝缘,于是使控制信号对主回路浮地(或不共地)。

图3 大功率
3. 具有光电耦合绝缘的前置驱动电路
对于大功率驱动系统,希望将主回路与控制回路之间实行电气隔离,此时常采用光电耦合电路来实现。有三种常用的光电耦合电路如图4所示,其中普通型的典型型号是4N25、117等,高速型的典型型号有985C,高电流传输比型也称达林顿型,典型型号有113等。

图4 典型光电耦合器电路
图中,普通型光耦的Ic/Id=0.1~0.3;高速型光耦采用光敏二极管;高电流传输比型光耦的Ic/Id=0.5;它们的上升延时时间和关断延时时间分别为tr,ts>4~5μs;tr,ts<1.5μs;tr,ts为10μs左右。
光电耦合器与后续电路结合就能构成前置驱动电路,如图5所示。这个前置驱动电路的上升延时tr——3.9μs,关断延时ts——1.6μs,可以在中等功率系统中使用。

图5 前置驱动电路
为了对功率开关提供最佳前置驱动,现在已有很多专用的前置驱动模块。这种驱动模块对功率开关提供理想前置驱动信号,保证功率开关迅速导通,迅速关断,对功率开关的饱和深度进行最佳控制,对功率开关的过电流、过热进行检测和保护。例如,EX356、EX840等等。
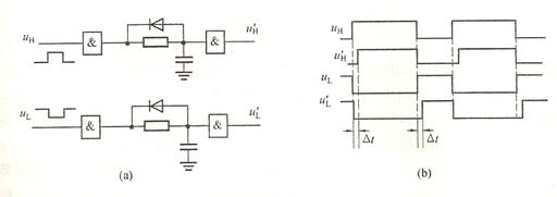
4. 防直通导通延时电路
对H桥驱动电路上下桥臂功率晶体管加互补信号,由于带载情况下,晶体管的关断时间通常比开通时间长,这样,例如当下桥臂晶体管未及时关断,而上桥臂抢先开通时就出现所谓“桥臂直通”故障。桥臂直通时电流迅速变大,造成功率开关损坏。所以设置导通延时,是必不可少的。图6是导通延时电路及其波形。

图6 导通延时电路及波形
导通延时,有时也称死区时间,可通过RC时间常数来设置;对GTR可按0.2μs/A来设置;对MOSFET可按0.1~0.2μs设计,且与电流无关,IGBT可按2~5μs设计。举例说明,若为GTR,f=5kHz,双极性工作,调宽区域为T/2=1/10=0.1ms。若I=100A,则Δt=0.2X100=20μs,则PWM调制分辨率最大可能性为
(T/2)Δt=0.1/0.02=5 (5)
这说明死区时间占据了调制周期的1/5,显然是不可行的。所以对于100A的电机系统,GTR的开关频率必须低于5kHz。例如,2kHz以下,此时分辨率达12.5左右。
驱动电路的设计还有很多问题,例如过压、过流、过热、泵升保护等等。
(转载)



