一、原系统分析
株洲硬质合金厂空调系统共有溴化锂机组两台,其中冷冻水泵2台功率为200KW,采用自耦降压启动。操作工根据负荷情况开1台或2台。单台水泵最大输出流量为600m3/h,系统全开时为1200m3/h。现水泵运行出口压力为4.5-9kg,最小流量需求为200m3/h,最大流量需求为950m3/h。压力波动较大的原因为,冷冻水泵流量不能根据负载变化调节,一旦后级工段冷冻水量减少水泵出口压力就会急剧上升。冷冻水在管路里快速循环未充分换热就回水,造成回水温度低。水泵和主机都白白消耗能量。

当1#机组开起后,1#流量必须满足最低流量值200 m3/h,如果用户流量没有达到最低流量值时,机组就会停机保护,值班人员必须提前打开旁通阀,使部分冷冻水在机组内循环来保证机组内有200 m3/h以上的流量。2#也如此。
二、改造控制要求:
分三个阶段完成自动控制,下面以1#空调机组为例详细说明如下:
机组冷水出口流量不得低于200 m3/h;
当1台泵输出压力不能满足要求时,系统提示手动开启另一台泵;
选择1#或2#泵为变频运行泵。
当需求流量为0~30
当需求流量为300 m3/h~600 m3/h时,1#泵变频运行并做PID调节,同时旁通阀门全关;
当需求流量为600 m3/h~900 m3/h时,1#泵定频运行,输出300 m3/h 的流量;2#泵工频运行,输出600 m3/h的流量;旁通调节阀打开并做PID调节,保证6kg的输出压力;
当需求流量为900 m3/h~1200 m3/h时,1#泵变频运行,并做PID调节,2#泵工频运行,旁通阀门全关。
变频系统通过控制柜上选择开关,选择任意一台水泵采用变频控制方式,其他水泵还采用原控制模式。被选择作为变频水泵的机组作为整个系统的调节水泵,来自动调节冷冻水流量。在自动控制模式下,利用PLC采集总管压力信号并根据PID运算发出变频器频率给定信号,自动调节电机(水泵)转速使冷冻水压力变化来实现自动控制。还采集输出流量送到PLC进行PID计算后再输出4~20mA的电流信号控制旁通阀,来实现恒流的效果。
同时PLC将现场参数,进出口压力值、变频器频率、电流、电机转速等上传至控制室内的人机界面进行参数显示。在控制室可通过人机界面对给定压力值、下限流量值、PID参数、变频泵选择和启动远程控制。远程实现各种操作,极大的方便了系统控制。控制方式本方案在保留原工频系统的基础上与原工频系统之间设置连锁以确保系统工作安全。
三、设备的配置
(1)友好的人机界面:由于系统需对每台机组的进口压力、出口压力、出口流量、总压力的上限值和下限值,PID参数进行设置,还要对所有的压力、流量值进行显示,还有报警信息进行记录。采用Eview的MT506LV人机界面。界面编辑了“主画面”、“控制画面”、“参数设置”、“故障记录”、“压力曲线”、“帮助”六个基本画面。主画面上对采集的压力、流量值、变频器的运行频率、电流进行显示,还显示系统当前状态和故障显示,让用户一目了然。
(2)PLC:
PLC是设备的大脑,选用的是艾默生网络能源有限公司的新产品EC20系列的PLC及模拟输入模块和模拟输出模块,EC20系列PLC是高性能的通用PLC,内存指令容量达到8k;典型基本指令执行速度0.09 ~0.42μS典型应用指令则为5~280μS支持高达50kHz的高速输入和80kHz 的高速输出;具有丰富的中断功能,有8路输入中断,3个定时,6路高速计数,支持工业标准的Modbus 通讯网络;指令有浮点运算、PID、高速I/O、通讯等20类共243条,具有掉电检测和后备电池保持,可扩展多个模块,扩展模块有数字型、模拟型、温度型的模块。EC20 的编程采用界面友好的窗口软件,支持多种编程方式:梯形图、指令列表、顺序功能图,方便地监控和调试,可在线修改程序。
(3)PLC的配置
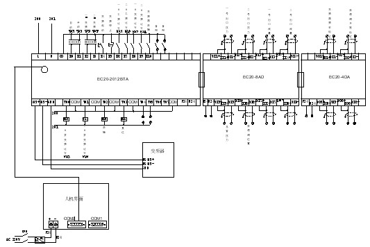
主模块选用EC20-2012BRA,20点输入12点继电器类型输出。模拟输入模块采用8通道的EC20-8AD,模拟输出采用4通道的EC20-4DA。
(4)输入输出设备配置
输入设备有“手动/自动”选择开关,选择变频泵“1#/2#”、系统“启动”“停止”,还采集了工频、变频接触器信号进行互锁和状态显示。
输出设备有1#泵变频运行、2#泵变频运行、故障和复位继电器。
(5)模拟输入输出设备配置
利用EC20-8AD采集了总管压力、旁通阀位置反馈、1#机组出口压力、2#机组出口压力、1#泵出口流量、2#泵出口流量;用EC20-4DA输出电流信号给定EV2000-4T2000P频率,另一路输出4~20mA的电流信号到旁通阀。
四.工作原理
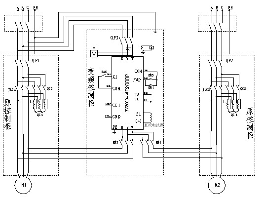
主电路图如下:
系统采用工变频互备,另外可以灵活的选择需变频的电机是1#还是2#由KM3、KM4来完成。
PLC的I/O接线图如下:

五.程序要点
EC20的COM0与EVIEW人机界面通过MODBUS协议进行通讯,COM1通讯口与艾默生的EV2000变频器进行自由协议通讯,PLC软件设置:

.
COM1的自由口协议中的波特率、数据位、停止位、效验位必须与变频器中设置一样才能通讯上。EC20时刻检测着变频器的频率、电流、故障再反映到人机界面上。
.
系统需恒压、恒流,所以做成双PID对变频器和旁通阀进行控制,控制的压力和流量在EVIEW人机界面上进行设置

在现场调试过程中,发现现场的负载在每天下午五点下班时会突变,由于负载500m3/h的流量突变成几十的流量,这个突变的时间只有两三秒的时间,而旁通阀动作的速度很慢,一个行程38mm需2分钟的时间,这样会造成空调机组保护停机,为了解决这一问题,采用实时时
五.结束语
本系统已完成,已正式投入使用。由于采用艾默生的EC20系列的PLC进行控制,性能稳定,运行可靠,系统结构紧凑,节省能耗,便于维护。变频器的频率在40HZ左右稳定压力,节能率达到48%。因此不但大大的提高了产品的技术含量和自动化水平,而且还极大地提高了企业的经济效率,非常具有推广价值。
(转载)



