数字电源一直是系统架构师与电源设计者的热门话题。由于电源管理业在不断发展,而数字电源正是发展的重要一环。那么,什么是真正的数字电源,它又能带来什么直接的好处呢?目前公认的数字电源定义是:提供监控与配置功能,使用数字算法扩展至全环路控制的数字控制电源产品。因此,数字电源必须执行的电源管理功能可以保留在模拟区域,也可以转移至数字区域。数字电源可以完成对PWM控制环路的数字控制和数字电源管理与通信任务。系统可以使用一种或两种形式的数字电源。数字电源组成包括好几个部分,典型的产品由数字电源驱动器,数字电源PWM控制器和高分辨率数字控制器三部分组成.该电源管理产品专门支持从AC线到负载点,包括不间断电源(UPS)、服务器、电信、数据中心及VRM应用的隔离与非隔离式解决方案。图1所示为数字电源是由基本模块构成的。

图1中某些模块执行模拟功能,如驱动器模块,而另一些模块如DSP等则执行数字功能。数字电源可以完成对PWM控制环路的数字控制和数字电源管理与通信任务。系统可以使用一种或两种形式的数字电源。那么,数字电源它又能带来什么直接的好处呢?
1.1、数字电源组成主要优点。
数字化闭环是数字电源迄今最复杂的部分。脑中跃出的第一个问题是:为什么要用数字控制,使用模拟控制环路的SMPS(开关模式电源系统)不是挺好吗?模拟控制环路的优点是准确、工程师对自己设计的理解,以及有极多模拟控制IC的支持。然而,模拟控制环路是面向一个定义范围狭窄的特定负载。如果负载变化范围宽,则很难在负载的整个变化范围内调整模拟环路。
如果使用一个真正的数字控制器,则设计者可以将数值放在寄存器内,对控制器的各个方面作配置,而无需改变外部的硬件。设计者只需要工作在PC的GUI(图形用户界面-从图2(b)所示可见)上,就可以更快地优化和调试系统,而不必将各种电阻电容在板上焊上焊下。可以去掉某些元件,或使用较廉价的无源元件,从而补偿处理器的成本.产生电源精度的本身是模拟功能。然而,当你拥有了这种数字能力时,就不用制造有绝对精度的部件,而可以制造精度较差的部件,然后用数字控制来校准这些误差。这与信号调节发生的情况类似。但数字控制环路需要一个速度相对较快而功能强大的处理器,这在锱锈必较的电源子系统中是一个缺陷。

然而数字电源的作用并不只是数字式地闭锁控制环路。它还包括管理与通信功能,这在数据通信和电信系统中正变得日益重要。这些系统依赖于能应付多种电压线路的电源处理器,这些电压线路必须以设定的顺序完成上电和断电。
概括数字电源的主要优点:更大的灵活性,能加快设计产品的上市进程;提高供电性能;使系统沟通成为可能,如远程侦测等;器件数量减少,因而系统成本低廉。之所以采用而数字电源解决方案,是因该解决方案具有如下优点,即可编程序,使用简便,精确度高,集成化强,通用开发平台及支持电流及未来的拓扑结构。
1.2、关于数字电源的软件支持
数字电源控制需要软件支持,如UCD95K和UCD91K的数字电源控制器由CodeComposeStudio公司的IDE软件支持,它是一个集成开发环境,可提供主要的开发工具以减少开发时间和工作量。其PMBus(电源管理总线)工具也成为数字电源客户支持的一部分。因为新的PMBus通信执协议已经开发成功用于系统与电源子系统之间的主板和支架(board-and-shelf)通信。另外,参照设计是由图形用户界面(GUI)和源代码实例支持,以加数字电源的设计和评估。
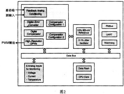
1.3、值此以UCD9111,UCD9112为例对数字脉宽调制控制器基本架构作介绍
当今数字脉宽调制控制器UCD9K提供了全数字的电源管理能力,可关闭数字域内的多个反馈回路以及用于集成监控、通信、配置及监测的相关.以UCD9111,UCD9112为例讨论基本架构UCD9111,UCD9112隶属于UCD9K系列.UCD9111单相UCD9111与双相UCD9112控制器采用175ps分辨率的数字脉宽调制器(PWM),并可通过图形用户界面GUI)进行全面配置,从而无需单独进行软件编程即可对负载点电源转换进行监控与管理。GUI配置功能使设计人员能够对电源电压、电流阈值与响应、软启动、容限、环路补偿以及众多的其它功能进行智能管理。图2(a)为UCD9111/12结构示意框图。
*主要特点为:数字同步压降PWM控制器,PWM分辨率为175ps;数字控制,带可编程PID补偿;VouT可调.从Vin的1%至99%;可编程设定转换频率,最高可达2MHz/相位;可编程软件启动及软件停止;可支持预先偏置输出;0.5%内置微调800mV基准;Vin可调,从4.5~15.5V(UCD7230);遥感差分放大器;通过PMBus总线实现电源监控;单偏压供电(3.3VVdd);直观的图形用户界面;内置热传感器;具有PMBus支持。
*图形用户界面(GUI)为:UCD9111/2提供了一个直观的图形用户界面,简化了设计(见图2(b)所示),可显示转换器的电流状态。该器件还支持PMBus指令。
*图形用户界面的主要功能:PID系数编程;POL开启/关闭ON/OFF;Vout设定值;转换器转换频率设定;输出电压软件启动及软件停止;故障门限配置;制造信息
2、数字电源中关于电源控制和电源管理之间的区别
*关于电源控制和电源管理概念
使用"电源控制"术语来强调电源供应系统内部的控制功能,尤其是个体内部能量流的循环管理。这一定义包含了反馈回路和内部管理维持功能。功率控制功能在与电源供应的开关频率实时监控中起到作用。这种类型的控制功能可以由模拟或者数字技术实现,电源供应系统无论采用哪种方式,呈现给最终用户的表现是基本一致的。这就是说,数字电源的使用不要求最终用户做任何改变和新的设计。
相应的, "电源管理"是关于一个或多个电源供应系统之外的通讯和控制。包括电源系统配置,单个电源供应系统的监控,以及故障监测信息传送等。电源管理功能不是实时的,它们在一定的时间范围内起作用,要慢于电源供应系统的开关频率。目前,这些功能都趋于将模拟和数字技术结合。例如,电阻器通常用于调整输出电压,而给每个电源供应系统的电源排序则需要专线控制。数字电源管理意味着这些功能全部使用数字技术。此外,简化互连方式应用在某些类型的数据通信母线结构,优于在每个电源供应系统之间使用多种定制的互连手段进行排序和纠错。由此引出电源供电定序器技术应作讨论。
*据此对电源供电定序器芯片作分析
以UCD9080为例,单个UCD9080电源供电定序器控可控制多达8组电压轨(见图所示的Rail0-7)及3个独立数字I/O口的电源次序。该器件无需外置存储器,采用单个3.3V电源支持运作。UCD9080采用20kHz的采样率及3.5mV分辨率对所有的电压轨进行监控,拥有强大的可配置能力,可实现对电源轨通电(powerup)及断电(powerdown)的定序。UCD9080还包括了其他选项,例如错误状态下(如电源轨失效)的再定序(resequeRce)。电源轨再定序可基于定时事件(timedevent)或基于与定时事件相关联的其他电源轨,以实现调节。并且,每条电源轨都可实现对毛刺脉冲(gtitch)、低压及过压限侵害的监测。所监测的每条电源轨还可通过配置窗口设定以实现对其他电源轨的关断。图3为电源供电定序器UCD9080功能引脚示意图.
其主要特点.
单片设计,3.3V供电运行;额外的GPIOs,带有设备复位控制、发光二极管控制等;有低压及超压监控;可通过运用Interdependency,实现快速灵活的关闭功能;通过接口提供错误记录和状态监控;有闪存中的非挥发性错误记录存储功能,可以用于关键供电失败时的现场调试;可以配置的排序功能,过压/低心压阈值、关闭回应;操作简单的Windows操作系统图形用户界面。
而UCD9080定序配置,应有以下内容。灵活的定序选项包括,基于时间和其它电源轨实现稳压后定序(附加时间)及其它电源轨达到确定电压值后定序;通电及断电定序;可配置电压轨从属性(dependency)。
3、分析数字电源控制的实现技术
了解模拟控制回路。图4(a)为脉宽调制芯片提供了典型的原边模拟控制回路示意图。
电源的输出电压由一个阻性分压器件采样后送入误差放大器与直流标准电压进行比较。误差放大器的输出是一个模拟信号,其幅度与电源输出电压所需要的校正大小成正比。这个信号反馈到脉宽调制芯片,产生一个相应脉宽的脉冲信号,用以控制功率半导体器件(一般为MOS管)的"导通时间"。因为MOS管的输入门电容较大,驱动电路便能有效地开关它们。一般使用一个固定的阻容网络来补偿控制回路,以确保电源动态响应和稳定度之间的合理平衡。
电源的另外两个主要部分就是输入输出的滤波网络。它们通常由电感、电容和电阻组成并提供多种功能。输入滤波部分保护电源不受输入电压跳变的影响,在负载跳变时提供储能,同时和外部滤波电路一起使电源满足输入传导电磁兼容的要求。输出滤波部分使输出电压更平滑以满足纹波噪声的指标,同时也帮助电源储能以满足负载的动态电流要求。重要的是,无论是模拟或数字控制架构,输入和输出滤波电路以及功率器件在本质上会保留一致。
*数字电源控制系统的实现。图4(b)为数字电源控制系统的结构示意图。

输出电压的遥测与模拟系统相似。但是数字控制系统中使用模数转换器替代了模拟控制系统中的误差放大器,将采样得到的电压信号转换为一个二进制数。除了输出电压,知道其它模拟参数也很重要,例如输出电流和电源的温度。当然使用多个分开的模数转换器能够测量各个参数,但是一般使用一个前置多路复用器的模数转换器将会更经济。复用器会在各个测得的模拟参数之间切换并将其按序(并-串)输入模数转换器。
由于多路复用器和模数转换器的采样速率是固定的,模数转换器为每一个参数输出一系列数字,每一系列数字是由一个已知的周期分开。这些数值提供给一个微处理器,为系统提供了工作流程。板子上的程序存储器存储了微处理器的控制运算法,用于执行一系列基于模数转换器输出值的计算。这些计算的结果是一些参数,例如误差信号,驱动极所需的脉宽,针对各种驱动输出优化的延迟值,以及环路补偿参数。模拟系统中外部环路补偿元件就不再需要了。生产过程中,参数的比较参考值,例如输出电压、输出电流、温度限定值存储在非易失性存储器里,或者在系统启动时可以下载到数据存储器中。 *模拟控制和数字控制的比较.
和模拟控制相比,数字控制在适应输入和负载条件变化方面更加灵活。通常,模拟的方法是为一个给定的控制参数配置一个折衷的设置,然而数字控制系统能够在转换器工作环境作用下改变控制参数。例如,在同步的负载点(POL)降压型的稳压器里,死区时间保证了上端和下端的场效应晶体管永远不会同时工作。模拟控制系统为最恶劣的工作条件,采用了固定的定时网络去设置死区时间。但是对于典型的工作环境下,这个死区时间比需要的时间长,从而降低了转换器的效率。通过对比,一个数字控制环可以根据工作环境动态的变化死区时间,优化了POL整流器的效率。
4、新型数字电源与芯片特征及应用
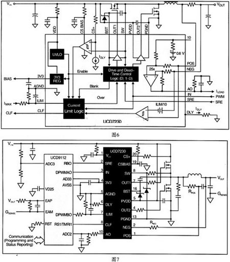
4.1 UCD7K数字电源驱动器.
UCD7K驱动器不仅作为数宇控制器与电源极(poweFstage)间的接口,还提供电源保护以及用于数字控制器的偏压。UCD7K为新一代的数字电源设备驱动器,已经集成了以全时模式保护功率级的安全电路。另外,这些专用驱动器还集成了许多特殊的功能,如线性调节器及运算放大器等,以便为数字控制器供电,并帮助进行信号调节。
图5所示为UCD7K驱动器与数字电源控制器与功率级相接示意图,并实现保护与偏置电源管理示意图。

图5右兰色框图为UCD7K组成框图,它由3.3V线性调节器与驱动器及模拟脉冲限流军等3部分合成.而图5左灰色框图为数字电源控制器组成框图。UCD7K系列器件中还包了含精度为1%、电压为3.3V、电流为10mA的线性稳压器,该稳压器在作为参考电压的同时又为数字控制器供电。
UCD7K驱动器主要特征为;高电流栅极驱动器,可编程旗模拟脉冲限流及板上3.3V10mA线性稳压器。其优点为:能与功率级相接;具有故障保护及灵活的过载保护;能为数字控制器提供电源。
*UCD7K驱动器功能分析。
集成的超快速电流限制功能
UCD7KMOSFET驱动器接收到来自数字控制器的逻辑电平输入信号,然后将其转换为土4A的高电流MOSFET栅极驱动信号,并连接至功率级。该驱动器提供了具有可编程阈值及数字输出电流限制标记的周期性电流限制功能,主机控制器通过监测电流标记可以选择合适的算法,并得出所需的限流配置参数(Profile)。当出现数字系统不能及时针对故障作出响应的情况时(极少发生),该项快速(25ns)周期性电流限制保护功能就会关闭功率级。
本地过电流保护功能的主要优点是,当数字控制器中的软件代码损坏或终止运行时,UCD7K器件能对功率级提供保护。如果控制器PWM输出保持高电流,本地电流检测电路将在出现过电流情况时关闭驱动器输出。系统很可能进入重试模式,因为大多数DSP及微控制器均配备有板上看门狗和掉电复位等监控外设,可以在运行不正常时重新启动器件。但是这些外设的反应速度通常较慢,无法保护功率级不受损坏。UCD7K的电流限制比较器为功率级提供了所需的快速保护功能。
通过在电流限制(1LIM)引脚施加所需的阈值电压,可在0.25V~1.0V的范围内随意设置电流限制阈值。可以使用电阻分压器或者数字控制器加数模转换器来施加该电压。在任何情况下,最大阈值电压已在内部限定为1.0V,而外部电压设定超过1.0V时无效,这就为D/A转换器损坏时提供了另一种保护功能。
UCD7K的TrueDrive输出架构.
TrueDrive输出架构对于快速开关速度,UCD7K驱动器的输出使用TrueDrive输出架构,在开关交换的"米勒"平坦区期间,这个架构向MOSFET的栅极输入土4A的额定电流。TrueDrive包含由双极性管和MOSFET管并联组成的上拉/下拉电路。
4.32数宇控制同步压降。±4A驱动器特征
以UCD7230为例。UCD7230隶属于UCD7K系列数字控制兼容驱动器,可用于采用了数字控制技术的应用或是需求快速局部峰值电流限制保护的应用。UCD7230是同步压降、4AMOSFET门驱动器。该器件极为适用于提供数字控制器间的桥接,例如UCD9K同步压降控器,图6为UCD7230原理框图。

UCD7230器件具有快速的25ns逐周期(cycleby-cycle)电流限制保护,可保护电源极免受不恰当输入或过载电流的损害。UCD7230是具有大电流,高侧(high-side)及低侧(Iowoside)的4A驱动器,采用了TI的TrueDrive输出架构。该架构在开关转换的米勒上升区间向MOSFET的门电容输出额定的电流,从而获得了更快的转换速率。其主要特点:为2MHz转换频率,双限流保护,快速的电流感应电路,传播延迟仅为25ns;具有低失调。高增益差分电流感应放大器;具有3.3V10mA内部稳压器;具有+4ATrueDrive大电流驱动器;22nF负载时,上升下降时间为10nS(典型值);具有数字输出电流限制标志位;为45v~155V电源电压范围。
图7为应用UCD7230数字控制同步压降与数字脉宽调制控制器UCD9112相接构成数字转换器示意框图。它反映了新型数字脉宽调制控制器UCD9112需要具备智能型集成MOSFET驱动器的UCD7230支持。
(转载)



