一、 要求
本设计的立体停车库是五层20库位,每层4库位。如:A区、B区、C区、D区,载重车辆7.5吨以下,车长小于5.0m,宽小于2.0m,高小于2.5m。采用垂直提升式,工作原理类似电梯的控制,其结构如附表图3所示。由一台交流双速电动机(22kw)作为主拖动电动机,4台7.5kw的交流电动机作为四角平层的补偿电动机,1台开关门电动机,1台纵向移动电动机,2台横向移动电动机组成。
车库自动存取控制系统采用取车优先的原则,并且存取车的时间不超过140s,车库系统运行状态用红、绿、黄三种指示灯表示,红灯表示有人正在进行存取车操作,请稍候;绿灯表示目前无人操作,可进行操作;黄灯表示系统有故障不能工作。
由于四角平层方式所需的输入点较多,故选择OMRON公司CPM1A-40CDR-A型PLC,带扩展单元扩至100点(输入60点,输出40点)。
由于五层20库位车库的A、C与B、D区对称,控制功能基本相似,难点主要集中在库层感应电路,轿内或门厅呼叫电路,载重箱的选向电路,载重箱起动转换,平层电路。为了便于分析,简化重复设计,节省输入/输出点数,本设计以每层A,C区呼叫为例(B,D区呼叫类同,只增多载重箱前、后移动过程)重点对上述四种电路进行设计。
二、 工作原理及功能流程图
(1) 工作原理
主拖动电动机采用一台22kw的交流双速电动机,KM1接上升接触器,KM2接下降接触器,KM3接通低速绕组,KM4接通高速绕组,KM41短路切除高速起动电抗,KM31短接切除低速电抗。L为限制电流的电抗。起动(制动)时为了限制起动(制动)电流、减少电网电压冲击和起动(制动)时的加速度,采用定子绕组串联一级电抗形式,逐级降压起动(制动),主电路如附表图2 该电路正向起动时,KM1、KM4闭合,定子绕组串联一级电抗L,经一段时间后KM41接触器接通,电动机转入固有特性运行。减速时,断开KM4、KM41,接通KM3,低速绕组串电抗运行,延时一段时间后,KM31接触器接通,电动机转入低速特性段上运行。当到达指定楼层时,断开KM3、KM31,电动机停止运行。反向起动原理同上。
(2) 垂直提升式立体停车库存取车流程示意图
本立体车库的自动存取车控制流程图如附表图1所示,由起动运行(双速)线路、载重箱内、外呼叫线路、定向选层线路、平层线路、横向移动线路、纵向移动线路、开关门控制线路等组成。
开关门控制线路功能由IC卡识别完成,司机持本车库有效卡,卡内记录车主信息、库位、有效期等内容,只要IC卡和司机输入的存取车密码相吻合,车库门会自动打开,相对于载重箱的运动来说,是一套独立控制系统,只具有卡有效时的开门和存取车完成后的关门操作。
横向移动线路是指当载重箱移到指定层并平层后,将车推入(或拉出)左右库位的控制线路,该动作是由平层后(电磁阀开锁)的信号发布,终止于电磁阀的锁扣(载重箱上限位开关)动作。
纵向移动线路,如附表图3,就是将车存入(或取出)每层库位中的B区和D区时,载重箱的运动分垂直移动和前后移动两种,垂直移动由主拖动电动机完成,前后移动由纵向移动电动机完成。该动作起始于指定层B区或D区的呼唤,终止于纵向限位保护开关的动作,相对于主电动机的运动是独立的。
取车优先线路是指车放在活动板上,活动板放在载重箱上,存车时活动板和车一起放在库位内;取车后活动板被送回原位,返回初始位,为取车优先作好准备。
三、立体车库主要控制线路的PLC程序设计
1)定义元器件名和分配I/O号 PLC控制的立体车库I/O对应关系如下表。
立体停车库的控制不同于电梯的控制,主要表现:(1)门厅或轿内指令的呼唤,车库门厅指令按钮位于库门内侧操纵箱上,车库轿内指令按钮位于载重箱内操纵箱上,其他地方没有任何按钮。(2)平层控制线路,采用四角平层方式,由四台平层补偿电动机各自控制,占四个输入点。(3)减速感应器,位于每层主限位开关(除顶层、底层外,上下各一个)400mm处。(4)横向、纵向控制线路,载重箱在上升的过程中,同时向后移动。
PLC控制的立体车库I/O关系对应表
元件器名 符号 对应PLC的I/O号
紧急制动按钮 SB0 00000
一层A、C区呼叫按钮 SB1A-SB1C 00001、00002
二层A、C区呼叫按钮 SB2A-SB2C 00003、00004
三层A、C区呼叫按钮 SB3A-SB3C 00005、00006
四层A、C区呼叫按钮 SB4A-SB4C 00007、00008
五层A、C区呼叫按钮 SB5A-SB5C 00009、00010
1-5层5个1角平层行程开关 ST11-ST51 00101-00105
1-5层5个2角平层行程开关 ST12-ST52 00201-00205
1-5层5个3角平层行程开关 ST13-ST53 00301-00305
1-5层5个4角平层行程开关 ST14-ST54 00401-00405
1-5层5个减速行程开关 ST15-ST55 00106-00110
上行接触器 KM1 01001
下行接触器 KM2 01002
低速接触器 KM3 01003
高速接触器 KM4 01004
短路切除高速电抗接触器 KM41 01005
短路切除低速电抗接触器 M31 01006
横向左移电动机正转、反转 KMF11、KMF12 01200、01201
横向右移电动机正转、反转 KMF13、KMF14 01202、01203
纵向电动机正转、反转 KZ1、KZ2 01204、01205
每层1-4角正向平层接触器 KMF1-KMF4 01300-01303
每层1-4角反向平层接触器 KMR1-KMR4 01304-01307
一层A、C区呼叫指示 01007、01101
二层A、C区呼叫指示 01102、01103
三层A、C区呼叫指示 01104、01105
四层A、C区呼叫指示 01106、01107
五层A、C区呼叫指示 01206、01207
上行中间继电器 20000
下行中间继电器 20001
1-5层库层感应中间继电器 20011-20015
1-5层指层中间继电器 20002-200006
1-5层A区呼叫中间继电器 20101-20105
1-5层C区呼叫中间继电器 20201-20205
四角均平层正向中间继电器 20206
四角均平层反向中间继电器 20207
高速中间继电器 20107
低速中间继电器 20108
换速中间继电器 20109
由于本设计的五层20库位车库的A、C和B、D区对称,控制功能基本相似,难点主要集中在库层感应电路,轿内或门厅呼叫电路,载重箱的选向电路,载重箱起动转换,平层电路。所以我分别对这5个难点进行分析。
(1) 库层感应电路
库层感应由每层4角主平层行程开关的闭合与断开完成,感应出库层信号,用于指层、选层、选向、门厅呼叫的信号等。要求感应信号是连接的,该信号只有在载重箱移动至上层或下层时才消失。载重箱的上下感应信号都来自每层4角主平层行程开关00401-00405的触点。当载重箱在1层时,1层4角主平层行程开关00401闭合,则1层库层和指层中间继电器20011接通并保持,同时切断20002。可见,载重箱上升至某一层时,相应的库层感应中间继电器接通指层中间继电器。当载重箱下降时,原理同上,该电路梯形图如下图所示。


库层控制梯形图
库层控制梯形图的程序如下所示:
LD 20000
OR 20001
AND 00401
OUT 20011
LD 20000
OR 20001
AND 00402
OUT 20012
LD 20000 AND 20003
OR 20001 AND NOT 20013
AND 00403 OUT 20003
OUT 20013
LD 20000 LD 20013
OR 20001 OR NOT 20012
AND 00404 AND 20004
OUT 20014 AND NOT 20014
LD 20000 OUT 20004
OR 20001 LD 20014
AND 00405 OR NOT 20013
OUT 20015 AND 20005
LD 20011 AND NOT 20015
OR NOT 20012 OUT 20005
AND 20002 LD 20015
OUT 20002 OR NOT 20014
LD 20012 AND 20006
OR NOT 20011 OUT 20006
(2) 轿内或门厅呼叫电路
该电路与电梯的控制不同,在立体车库的轿内和门厅呼叫电路中,轿内呼叫按钮置于载重箱内操作箱上,平时不使用,只有在需要维修或者司机需要进入指定库区位时,才起用,方便人员操作。门厅的控制只有一个,置于车库库门入口处,功能与轿内呼叫电路完全相同。因为车辆的入库操作都在库门入口处进行,其他库层无操作按钮。但载重箱移到指定层并平层后,自动起动横向左或右移动电动机,将载车活动板推入指定位置(A区或C区)并锁住,而电梯的每层都有上呼和下呼按钮,这些按钮的响应都是执行先上后下的原则,并且保留没有响应的呼叫,这就需要根据集选控制的要求设计呼叫指令。综上所述,可以把轿内和门厅呼叫电路合并起来,只有一个电路实现控制功能。00001、00003、00005、00007、00009分别为1-5层A区呼叫按钮,00002、00004、00006、00008、00010分别为1-5层C区呼叫按钮,控制梯形图如下图所示。




轿内或门厅控制梯形图
轿内或门厅控制梯形图程序如下所示:
LD 00001
OR 20000
OR 20001
AND 20101
OR LD
AND NOT 20011
OUT 20101
LD 00003
OR 20000
OR 20001
AND 20102
OR LD
AND NOT 20012
OUT 20102
LD 00005
OR 20000
OR 20001
AND 20103
OR LD
AND NOT 20013
OUT 20103
LD 00007
OR 20000
OR 20001
AND 20104
OR LD
AND NOT 20014
OUT 20104
LD 00009
OR 20000
OR 20001
AND 20105
OR LD
AND NOT 20015
OUT 20105
LD 00002
OR 20000
OR 20001
AND 20201
OR LD
AND NOT 20011
OUT 20201
LD 00004
OR 20000
OR 20001
AND 20202
OR LD
AND NOT 20012
OUT 20202
LD 00006
OR 20000
OR 20001
AND 20203
OR LD
AND NOT 20013
OUT 20203
LD 00008
OR 20000
OR 20001
AND 20204
OR LD
AND NOT 20014
OUT 20204
LD 00010
OR 20000
OR 20001
AND 20205
OR LD
AND NOT 20015
OUT 20205
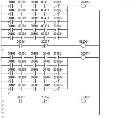
(3) 横向移动电路
当某区呼叫时,载重箱首先响应库层信号,接通库层感应中间继电器并保持,当载重箱到达该层时,断开库层感应信号,然后判断哪一区呼叫,待四角均平层(每角行程开关到位)以后,起动横向左右移动电动机,将载车活动板送入相应库位,横向移动电动机控制梯形图如下图所示。

横向移动控制梯形图
横向移动控制梯形图的程序如下所示:
LD 00101
AND 00201
AND 00301
AND 00401
AND NOT 20101
OR 00102
AND 00202
AND 00302
AND 00402
AND NOT 20103
OR 00103
AND 00203
AND 00303
AND 00403
AND NOT 20103
OR 00104
AND 00204
AND 00304
AND 00404
AND NOT 20104
OR 00105
AND 00205
AND 00305
AND 00405
AND NOT 20105
OR LD
OR LD
OR LD
OR LD
OUT 20206
LD 20206
AND NOT 20207
OUT 01200
LD 00101
AND 00201
AND 00301
AND 00401
AND NOT 20201
OR 00102
AND 00202
AND 00302
AND 00402
AND NOT 20202
OR 00103
AND 00203
AND 00303
AND 00403
AND NOT 20203
OR 00104
AND 00204
AND 00304
AND 00404
AND NOT 20204
OR 00105
AND 00205
AND 00305
AND 00405
AND NOT 20205
OR LD
OR LD
OR LD
OR LD
OUT 20207
LD 20207
AND NOT 20206
OUT 01202
(4) 载重箱选向电路
载重箱运行过程,存在上行和下行状态,当载重箱完全处于整个运行周期时,即一个运动周期起始于初始位置、终止于初始位置,平时处于静止状态,此时载重箱的选向电路无关紧要。但当在运动中需要选向时,如:将车存在4层A区,同时想取5层C区车时,载重箱不需返回,完成存车操作后,直接到5层C区取车,此时,选向电路起作用,该电路类似电梯的选向电路。控制梯形图如下图所示,同一层A区和C区的呼叫,选向电路控制相同,所以本设计只设计了A区的呼叫选向。对于C区呼叫,只需将C区呼叫中间继电器触电并联在同层A区呼叫触点上即可。

选向电路控制梯形图
选向电路控制梯形图的程序如下所示:
LD 20105
AND NOT 20006
LD 20104
AND NOT 20005
AND NOT 20006
LD 20103
AND NOT 20004
AND NOT 20005
AND NOT 20006
LD 20102
AND NOT 20003
AND NOT 20004
AND NOT 20005
AND NOT 20006
LD 20101
AND NOT 20002
AND NOT 20003
AND NOT 20004
AND NOT 20005
AND NOT 20006
OR LD
OR LD
OR LD
OR LD
AND 01001
OR 20000
AND 20001
OUT 20000
LD 20101
AND NOT 20002
LD 20102
AND NOT 20003
AND NOT 20002
LD 20103
AND NOT 20004
AND NOT 20003
AND NOT 20002
LD 20104
AND NOT 20005
AND NOT 20004
AND NOT 20003
AND NOT 20002
LD 20105
AND NOT 20006
AND NOT 20005
AND NOT 20004
AND NOT 20003
AND NOT 20002
OR LD
OR LD
OR LD
OR LD
AND 01002
OR 20001
AND NOT 20000
OUT 20001
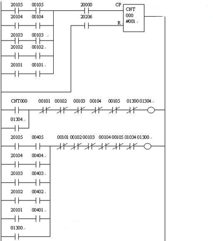
(5) 载重箱的起动换速、平层电路
交流双速电动机有两套绕组:高速绕组和低速绕组,高速绕组为4极,低速电阻为16极,速比为4:1.载重箱通常高速起动、设置高速中间继电器20107起动,接通01004接触器,延时几秒后,接通01005,载重箱加速;当接近指定库层400mm时,换速中间继电器20109接通,低速中间继电器20108接入,载重箱由高速转换为低速运行,延时几秒后,闭合01006,加快减速,最后制动在指定库层。
载重箱一般长6.5m,宽3.0m,高2.5m,比活动板稍大,载重7.5t以下。因载重箱自重和车辆重量之和较大,接近10t,而载重箱面积又较大,受到不平衡力后,容易变形。导致载重箱到达某一层后,可能载重箱下面四角与库层不共面,横向移动电动机难以将活动板推入库位,因而提出了严格的平层概念,这里的平层方式与电梯的平层完全不同。载重箱的平层必须采用四角平层策略,即每角必须平层后,才允许移动活动板。以每层4角主平层行程开关为基准,利用PLC的记忆功能,当载重箱上升时,若4角到位,主拖动电动机马上停止,此时可能因为惯性,载重箱上移。判断此时1、2、3、4角行程开关的记忆状态,如果该角有碰撞记忆信号,则该角平层补偿电动机反转,载重箱该角下降,直到该角正好下降至限位点为止;如果该角没有碰撞记忆信号,则该角平层补偿电动机正转,载重箱该角上升,直到该角正好上升至限位点为止,当1、2、3、4角均处于平层位置时,才允许起动横向移动电动机。载重箱下降时的平层原理同上,本设计以1角上升过程平层为例,其控制电路梯形图如下图所示。

平层电路控制梯形图
平层电路控制梯形图的程序
LD 20105
AND 00105
LD 20104
AND 00104
LD 20103
AND 00106
LD 20102
AND 00102
LD 20101
AND 00101
OR LD
OR LD
OR LD
OR LD
AND 20000
LD 20206
CNT 000
#001
LD CNT000
OR 01304
AND NOT 00101
AND NOT 00102
AND NOT 00103
AND NOT 00104
AND NOT 00105
AND NOT 01300
OUT 01304
LD 20105
AND 00405
LD 20104
AND 00404
LD 20103
AND 00403
LD 20102
AND 00402
LD 20101
AND 00401
LD 01300
OR LD
OR LD
OR LD
OR LD
OR LD
AND NOT 00101
AND NOT 00102
AND NOT 00103
AND NOT 00104
AND NOT 00105
AND NOT 01304
OUT 01300
(转载)



