1 引言
步进电机定位准确且与数字电路接口连接非常方便,无需反馈就可实现准确的角位移,在数控机床等许多领域中得到了广泛应用。随着电子技术的发展,对步进电机细分控制技术的研究日趋深入,该技术不仅解决了步进电机步距角大的问题,提高了步进电机的分辨率,减弱或消除了步进电机的低频振动,而且也改善了电机的其他性能。从而使步进电机的应用范围进一步扩大,控制更加灵活。
2 步进电机细分驱动的基本原理
步进电机的细分功能采用数/模转换技术,用阶梯波驱动代替传统的方波驱动,使电机能以微步距“连续运动”。具体办法一般为:微处理器接收步进信号的输入,经内部识别处理后,查表得到电机的驱动电流大小。并将这个数值与当前步进电机的工作电流比较,满足条件电流通,不满足则断。由此得到用来控制步进电机细分的正弦波阶梯电流信号,经驱动系统的驱动,使步进电机的相电流按近似正弦波的波形变化,使得电机平稳运转,示意图如图1所示。

3 MC56F8323简介
DSP处理器采用Freescale公司的MC56F8323,56F8300系列被称为“合成控制器”,其含义是该器件采用的是结合了DSP与MCU功能的56800E内核。MC56F8323内核中保留了最常用和最有用的DSP和MCU指令集,简化了编程难度,允许习惯于MCU的设计工程师采用C编译器进行编程,简化了其DSP代码的编译。MC56F8323内部总线结构是一种经过改进的哈佛架构,拥有7条内部程序总线和数据总线,其中2条为32位宽;内部的数据RAM具有两个端口,因此可在单个周期中进行两次存取。这些特性对于处理器的处理控制能力非常重要。
4 硬件系统设计
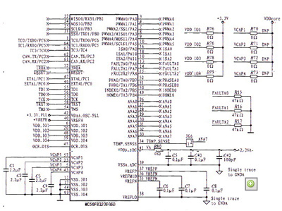
如图2所示,步进电机细分驱动模块主要由变压器、整流器、MC56F8323、MOSFET桥、电流检测、保护电路等组成。MOSFET桥的开断采用PWM控制,与MC56F8323的PWM模块相连(P3、P4);细分级选择拨盘开关、电流设置开关、各控制信号与MC56F8323的GPIO相连。MC56F8323及其外围电路图如图3所示。


图3 MC56F8323及其外围电路图
5 软件设计
系统软件流程如图4所示。模块上电后,系统初始化,MC56F8323检测电机运转方向设置,当MC56F8323接收到步进脉冲信号时,在预先存储的数据库中查找出相应相位的电流值,MC56F8323内置的PWM控制器输出脉冲信号,开启对应的MOSFET功率管,使电机朝设定方向运转;电枢电流流经霍尔器件,产生与电枢电流成比例的电流值,此电流值经过I/V转换放大,输入MC56F8323的A/D转换器输入端,将转换结果与数据库中对应相位的预定值比较,如果电枢电流小于预定值,PWM继续有效,MOSFET导通;若电枢电流大于预定值,PWM无效,MOSFET断开;延迟一段时间后,PWM重新有效,系统继续对电枢电流进行检测,如此反复,直到下一个步进脉冲到来,系统从数据库中查找出新的预定电流值,转换结果将与此值作比较,输出对应的PWM,控制MOSFET的工作状态。

图4 系统流程图
其他附加功能实现分别如下:通过控制I/V转换器的放大倍数,达到电流可调的目的;系统每接收到步进脉冲,计数器开始计数,新的步进脉冲清零计数器初值,当计数器计数达到0.1 s,自动将电机当前电流值减半,进入半电流省电工作模式,便于下次启动;系统试机功能采用MC56F8323片内计数器分频输出的10 kHz脉冲信号作为步进脉冲,控制系统运行,以检查系统的工作状况;相位记忆功能使DSP记住数据库访问的当前位置,下次步进脉冲将从当前位置向下、向上取得新的各相电流预定值。
保护功能实现如下:通过对母线电压分压取样,放大后,通过窗口比较器,如果发现高于预定最高值或低于预定最低值,向MC56F8323发出中断请求,MC56F8323立即响应中断请求,屏蔽步进脉冲输入,关闭系统总电源,实现过压、欠压保护功能;将两相电流绝对值相加,如果大于预定值,说明流经电机电流过大,电机负载过重,则屏蔽步进脉冲输入,关闭电源,实现过流、过载保护;防浪涌电流、泵升抑制电路采用全硬件方式实现,提高反应速度。
6 结束语
本系统设计基本实现了一个包括过压、欠压、过流、过载、过热、断(缺)相、防浪涌电流、泵升电压抑制等功能的步进电机高速细分模块方案,实现了步进电机的高速精确控制,同时也附加了完整的保护系统,扩展了步进电机的应用领域,延长了电机的使用寿命,具有广阔的应用空间和市场前景。
(转载)



