机床设备对伺服系统的要求是:调速范围宽(要求在100:1以上。如XT754型镗铣床最低速度是10mm/min,最高速度是2500mm/min,其调速范围d:2500:10=250:1);速度控制精度高(在整个调速范围,起制动及运行过程要求运行稳定);定位准确(当下件快速进给后定位时间短、定位行程小,从而可提高加工效率)。
针对上述特点,我们选择性能比较先进的日本安川变频器驱动一般异步电动机,对1台XT754型镗铣床的进给直流伺服系统实施改造,从而使这台镗铣床的进给实现交流伺服控制。
1.交流伺服系统的组成
由变频器、异步电动机、冷却风机和脉冲编码器等组成,如图1所示。
图1
(1) 变频器是整个系统的核心。它是一个多功能全数字式变频器,主要负责整个系统的能源变换和数据处理。它和驱动电动机、脉冲编码器、PG速度控制卡一起构成典型的带PG反馈的闭环控制系统。
变频器VS-616G5(CIMR-C5A43P7 3.7kW)为多功能全数字式。它有四种方式:无PG U/f控制、有PG U/f控制、无PG矢量控制和有PG矢量控制。当选用有PG矢量控制方式时,其调速范围可以达到1000:1,并且能够实现零速控制。
(2) 驱动电动机采用一般笼型异步电动机(Y132M1-6型,4kW、380V、9.4A、960r/min),并配备强迫冷却风机(吵125mm轴流风机)。由于驱动电动机主要工作在低速状态,在低速长期运行时电动机易发热,因此增加冷却风机是必要的。
(3) 脉冲编码器采用HLE-1024L-3F)k A型.安装于电动机的轴上,其轴径要与电动机轴径相配合。它是构成带PG反馈系统的关键部件,主要参数是每转脉冲数NP(变频器参数P1-01),由下式计算选择。
NP=60f/nN
式中:f--速度控制卡工作频率,Hz
nN--电动机额定转速,r/min
当选用的电动机为960r/min,PG-B2速度控制卡的工作频率是20kHz时,NP=60X20000/960=1250。实际选用PG脉冲数为1024的脉冲编码器。
2.PG脉冲数与车铣精度的关系
XT754型镗铣床进给系统的调速范围是μ=10~1120mm/Min,快速进给速度是2500mm/min。由于PG脉冲数与电动机的转速成正比,而电动机的转速又直接反映了伺服装置的行程。因此,当电动机转速为最低速n=5.14r/min(D10mm/min)时,则:
每个脉冲当量=μ/(nXPG脉冲数)=10/(5.14 X1024)=0.0019(mm)
即每个脉冲行程是1.9lμm。
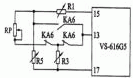
3.调速指令电阻网络匹配计算
变频器端子13为主速指令控制端,对应10V电压输出的频率是基本频率,即50Hz。根据工艺要求,电动机的调速范围是5.14-576r/min。若仍旧采用原调整控制开关进行控制,其电阻调整范围是7512-200k12。为配合这个调速开关的设计,调速电阻网络如图2所示。其中,R1、R3、R5均为3.3kΩ可调电阻。当RP在75ll-200k12变化时,对应端子13的输出电压是6-0.054V。根据电路原理分析,当R3=1.05kΩ时,可以得到一组计算参数:R1=985Ω,1.05kΩ,R5=2.26kΩ。
图2
根据这组计算参数整定电阻R1、R3、R5,即可在变频器端子13得到所要求的频率设定电压。
正常运行时,KA6不动作,端子13对17的输出范围在0.054-6V之间,对应电动机速度为5.14-576r/min。当快速进给时,KA6动作,端子13对17输出10V的电压,对应输出电动机的额定转速。
4. 电动机旋转方向及其控制
电动机的旋转方向只与变频器的输出相序有关,与进线电源的相序无关。因变频器本身设计有外接端子,可以进行正转、反转及运行停止,故设计正反转继电器输出组时,可以直接与变频器的端子相连,如图3所示。利用KA7、KA8正反转控制继电器进行控制,接口简单,控制可靠。
图3
5.实施中的问题及对策
经过以上改造组成的变频调速伺服控制系统,结构简单,动作可靠,操作习惯与原机组完全相同。但在不加PG矢量控制的条件下,经试车发现存在:定位不准确(快速进给后工件行程太长,加工定位不好掌握)和低速运行速度不稳定等问题。
分析原因是:在无PG矢量控制的条件下,其调速范围是100:1,即在基本速度50Hz的条件下,其最低运行频率是0.5Hz,对应电动机最低速度是9.6r/min,达不到机械设备工艺要求。
当加上PG脉冲编码器构成带PG反馈的闭环控制系统后,在磁通矢量控制方式下,其调速范围可以达到1000:1,而此时对应于电动机最低速度(满足工艺要求),要求变频器的输出频率仅为0.2Hz。
ASR是变频器有PG矢量控制的自动速度控制器。调整变频器的参数C5-01-04可使速度控制的动态响应在低速至高速的全速度范围内得到良好调节。通常C5-06参数不必调整,只有在调整增益而不能消除振动时,可调整C5-06来消除振动(但是调整这个参数会造成降低速度控制响应)。
6.经济效益
经过方案比较,如果仍旧采用直流传动系统,最低投资为2.5万元,而采用变频调速系统方案,全部投资仅为1.8万元,节约直接投资费用0.7万元。
采用直流传动系统,实际功耗约2kW,而交流变频调速系统仅0.18kW,按0.5元/kwh,每台班工作5h,全年按600个台班计算,年节约电费约0.27万元。
(转载)



