摘 要:本文在讨论PLC技术的建筑恒压供水系统设计的过程中,论述了变频恒压供水系统设计原理,较详细地分析一拖多变频供水工程实际问题,给出了基于台达PLC的恒压供水主控电气设计。
关键词:建筑恒压供水 PLC 触摸屏
1 引言
系统用于酒店,小区高层供采暖/生活热水。系统采用循环控制自动调节,保证恒定温
度和压力。系统根据室外温度和设定的供水温度循环控制供热流量,根据管道回水压力波动,控制供水泵组中单台电机的转速或多台电机的投入及退出,使管网主干出口端压力始终保持恒定.以满足用户对高性能、高质量供水的要求,并使整个系统始终保持在高效节能的最佳运行状态。
2 基于PLC技术的恒压供水系统设计
1.1供热机组自动控制技术要求
(1)供热机组自动显示功能:一次供水流量,压力和温度;一次回水压力和温度;二次供水压力和温度;二次回水压力和温度;水箱水位;循环泵,补水泵故障警报;二次供水压力和温度过高和过低报警;二次回水压力和温度过高和过低报警;水箱水位过高和过低报警。
(2)供热机组自动控制功能。根据二次供水温度和室外补偿温度调节,一次供水流量达到二次供水温度恒定;停电自动关闭一次供水;二次回水恒压运行;自动上水;系统设备发生过压,过温,欠压,过流。超载,过热,短路等故障可远程报警。
1.2生活热水机组自动控制
(1)运行功能。自动变频:用于水泵正常供水的工作状态;手动变频:用于系统调试,手动控制变频;手动工频:自动控制失灵。切换到手动,工频控制水泵;故障报警:系统设备发生过压,过温,欠压,过流。超载,过热,短路等故障可报警;显示:数码显示器可显示频率,压力,电流,电压等数字信号。变频运行定时切换:当一台水泵连续运行达到一定时间,自动变频启动另一台水泵,前一台水泵自动停机,保障每台水泵的磨损系数。如果系统主泵数大于2台,则此过程依次轮换。切换泵时候需要一定的延时,保证电气安全,防止电流冲击。
(2)恒压供水控制。循环方式控制水泵恒压运行;变频,工频自动转换:系统用水量
超过水泵的额定供水量时,水泵自动转为工频运行,同时自动变频启动另一台水泵运行,共同向系统供水。若用水量又趋于下降到单台水泵的额定供水量时,原工频运行的水泵停止工作,变频工作的水泵在新的频率下单独向系统供水。如果系统主泵数小于2台,则此过程依次轮换。当变频器控制的电机满足不了设定流量要求,此时变频器输出频率逐渐上升,直到工作在设定的上限频率,如压力仍达不到设定值,由可编程控制器,通过PID运算得到输出量给发出速度控制指令。如系统用水量超过水泵的额定供水量时,水泵自动转为工频运行,同时自动变频启动另一台水泵运行,共同向系统供水。若用水量又趋于下降到单台水泵的额定供水量时,原工频运行的水泵停止工作,变频工作的水泵在新的频率下单独向系统供水。如果系统主泵数小于2台,则此过程依次轮换。
供水系统结构参见图1。二次供水温度PID控制比例阀的开口(热水流量阀)回馈二次温度。二次回水压力,控制回水压力(变频器)回馈回水压力。

图1 生活热水系统结构
(3)系统特点。自动化控制避免用水高峰压力不足,用水量少时恒压防止管网压力
过高爆管,实现无人看守;可以利用变频技术显著节约电能,节能量通常在10-40%。从单台水泵的节能来看,流量越小,节能量越大;安全卫生。系统实行循环供水后,用户的水全部由管道直接供给,取消了水塔、天面水池、气压罐等设施,避免了用水的“二次污染”,取消了水池定期清理的工作。
2系统电气设计
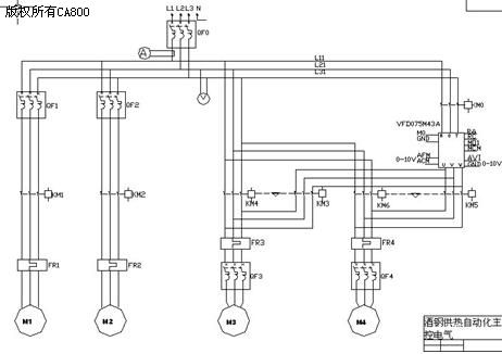
主控制器选用PLC,自动化程度高,简化了线路。开关量(包括启动停止按纽,限位,故障,频率检测等)输入24点;输出10点;模拟量检测11路(压力.温度,水位);模拟量输出2路.分别控制变频器和比例阀,控制系统压力和流量。主控制电路如图2所示。
2.1 PLC控制电路设计
(1)配置设计。根据系统控制需求分析, 电气系统配置如图3所示。
(2)CPU单元设计。PLC选取台达CPU单元DVP48EH:24 IN/24 OUT,CPU单元控制电路如图4所示。
(3)扩展单元设计。1个4通道AD输入2通道AO输出模拟量扩展单元06XA-H,2个4通道AD模拟量扩展单元04AD-H ,模拟量控制电路如图5所示。

图2主控制电路

图3 电气系统配置




图5模拟量控制电路
2.2 人机界面设计
人机界面选取台达7.5”彩色触摸屏。人机界面(HMI)可显示工艺流程、工艺参数和设备状态,HMI图形接口友好,只需直接对图示进行手动点触操作,因此操作简便灵活。
具体画面规划如下:
(1)开机画面说明:系统上电后,在人机界面上显示如图6所示画面,按画面提示进入各个子画面界面。

图6 开机画面
(2)参数设定画面说明。可以设定二次供水温度,3位加一位小数;二次供水压力,1位加2位小数,单位MPA;同时可以设置温度和压力的高限和低限。
(3)控制画面说明。1#循环泵启动和停止,2#循环泵启动和停止;手动变频可以直接设速度,同时也可以用增加按钮和减小按钮来手动调节速度;校表功能可以调节各种表的系数;PID参数可以来调节系统的PID参数比例/积分/微分,积分饱和限制等。
其它画面包括:当前警报;历史警报;历史趋势;系统数据说明(图7)等。

3 结束语
系统均采用台达系列自动化技术控制,操作方便简单,实时检测,多种保护.该系统主要应用在设备档次及自动化要求比较高、智慧化比较高供水场合,系统运行稳定可靠,是传统控制系统的最佳替代产品,代表未来恒压供水发展方向。
(转载)



