建筑设备自动化系统(BAS)的目标是对楼宇设备系统进行自动监测、控制和科学管理。BAS对控制系统有严格的要求:尽可能采用最先进的控制网络技术,即现场总线控制系统(FCS);对主要监控对象如供热、通风等子系统实施集成协调运作;高性能价格比,BAS的控制网络必须具有开放性和互操作性,将智能建筑中所有的硬、软件平台,网络、数据库平台整合成一个满足用户功能需要的完整系统。BAS的显著特点是测控点非常分散,被控设备种类繁多,为达到全面协调控制,保证经济运行和便于科学管理,BAS系统一般采用集散控制系统(DCS)结构[1>。它由现场执行级、监控级和管理级构成:现场执行级直接负责现场控制;监控级用于对现场级进行监控;管理级实施相关系统协调与信息共享。DCS的“控制分散,信息集中”结构 [2>极大分散了系统的危险,使系统的可靠性、灵活性和可扩展性都有较大提高。
2 基于FieldBus的 DCS 系统结构
FCS以单个的传感器和执行器为通信节点,信号点可分散分布,不受距离限制,其测量和控制精度不受距离影响,通过现场总线(FieldBus)技术,使现场传感器和执行器等通过两线制网络互连,进行全数字、双向、多站的数字通信。其优点主要表现在[3>[4>:全数字化取代了传统的模拟量信号;开放式系统结构与标准的通信协议,使产品设备有交互操作与互换性;采用通信线供电;通信线延伸到生产现场,构成设备仪表互连的现场通信网络;分散的功能块,有利于向综合自动化发展。DCS具有丰富的监控管理功能,FCS可以实现信号串行双向快速传输,抗干扰能力强,结合FCS与DCS两者优点的DCS系统结构如图1所示,它进一步完善了整个系统的控制、管理、决策等功能。

3 系统设计
针对BAS的特点,LonWorks总线技术完全满足其要求, 1) LonWorks网络采用了ISO/OSI参考模型的七层协议,有很好的开放性,所定义的网络变量标准使不同厂商的设备具有良好的互操作性。2) 支持多种通信介质,保证系统可以有多种组态。3) Neuron芯片集通信和控制于一体,便于实现直接接入网络的控制系统,为开发应用提供了广阔的空间。因此,LonWorks控制网络为BAS的集成提供了一个彻底的解决方案,具有很好的可靠性、开放性和互操作性。
3.1 系统结构分析与网络总体设计
BAS包括:冷水系统、新风机组、空调机组、给排水系统、变配电系统、电梯系统、照明系统和换热系统等,可采用LonWorks技术作技术平台,系统结构采用基于LonWorks现场总线的DCS结构,如图2所示。该网络结构充分体现了LonWorks控制网络的特点,即使网络中一个设备出现故障也不会影响全网其他设备的正常工作,把故障点分散到最小的程度。

3.2 基于LonWorks技术的网络实现
基于LonWorks技术实现的网络控制需要四个步骤:系统设计、网络配置、应用配置和安装。⑴ 系统设计:选择与输入输出部件相配合的LonWorks设备,并运行诸如PID控制应用程序的LonWorks设备;确定适当的通信信道数量和信道类型,并选择连接信息的路由器。⑵ 网络配置:给所有的设备和设备组赋予域ID和逻辑地址;捆绑网络变量,创建设备间的逻辑连接;在每个设备中配置各种各样的LonWorks协议参数,包括信道位率、应答、确认和优先级服务。网络功能设计可以把设备功能块拖放到设计图中,连接其输入、输出。⑶ 应用配置:通过应用配置,使每个设备的应用程序可进行剪接以达到满意、理想的功能。⑷ 安装:安装信道的物理通信介质;把LonWorks设备连接到网络,包括路由器;把I/O部件连接到LonWorks设备;用网络集成工具下载网络配置数据和设备的应用配置数据。
4 基于LonWorks总线技术的空调控制系统
4.1 空调控制系统
空调系统实现以下控制功能:温、湿度监视,即对新风、回风和排风进行温、湿度监视,给系统温、湿度的调节提供依据;风阀的控制,即对新风和回风阀门进行开关量的控制或模拟量的调节;冷/热水阀门的调节,使温差保持在精度范围内;加湿阀的控制,即在空气湿度低于设定的下限或者超过上限时,分别控制加湿阀的打开与关闭;风机控制,即实现对风机的启停控制或者变频调速控制;过滤网压差报警监视、防冻开关报警监视、风机故障报警监视;空调机组工况转换(冬季、夏季、过渡季);手/自动转换。
4.2 基于Lon总线技术的空调控制系统
根据上述分析,可选用LonBAC—3000控制系统。LonBAC—3000系统是以LonWorks技术为基础,以神
经元芯片为核心,是专用于空调机组控制的现场总线系统,其结构如图3所示 。
其工作原理为:温、湿度控制器测得温度和湿度后,通过运算获得阀门的调节输出。该输出通过Lon网络送到智能阀,产生相应的阀门开度。智能阀的数量与空调系统结构有关。开关量控制器则用于启、停机组,监测空调状态及产生报警等。
4.3 系统硬件实现
⑴ 智能阀门:它直接连接在Lon网络上,通过Lon总线接收阀门开度命令,该命令以网络变量形式出现。智能阀门结构如图4所示。

其主要硬件设计如下:智能阀门运算量、存储容量少,因此使用了3120芯片;使用FTT-10A自由拓扑收发器;电源部分使用LM2575芯片,滤波后能够得到比较稳定的+5V电压;串行A/D采用TLCL549芯片(10位),可满足阀位开度控制的精度要求;继电器为JGX-IF型固态继电器,驱动能力大,使用寿命长;
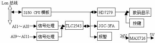
⑵ 温、湿度控制器硬件设计如下:温、湿度主控制器要求有较大的存储空间和处理能力,可采用3150CPU模板,该模板具有48KB 2PROM和8KB RAM空间,带有FTT-10A自由拓扑收发器;电源部分使用MAX726芯片,滤波后能够得到稳定的+5V电压;HD7279是一片具有串行接口、可驱动8位共阴式数码管,可以连接64键的智能显示驱动芯片;A/D芯片采用TLC2543,为11路模拟信道逐次逼近型12位串行AD,精度高,响应时间短,接线简单;5个按键,可进行手/自动切换和参数的直接修改;继电器使用JGC-3FA,体积小,驱动能力大(可直接驱动380V交流设备),使用寿命长。
在温、湿度主控制器中有8路模拟信号输入,可与温度变送器或其它仪表相连接,也可利用3路热敏电阻(NTC)或热电阻(Pt100)输入直接测量温度,另外还有2路报警信号输出。温湿度控制器结构如图5所示。
⑶ 开关量控制器:开关量控制器结构如图6所示,用于启、停空调机组,检测空调状态及产生报警。同温、湿度控制器一样,选用了相同的CPU模板;电源部分使用MAX727芯片,滤波后能够得到稳定的+5V电压;继电器使用JGC-3FA,体积小,驱动能力大(可直接驱动380V交流设备),使用寿命长。
5 系统通信的实时性分析
网络通信中系统的实时性主要表现在所发送的数据在可确定的时延内送达, LonTalk协议所采用的MAC子层协议是所谓“可预测P坚持CSMA”,这种协议在发送数据时采用先侦听信道是否空闲,若空闲则以概率p发送,否则以概率门(l-p)延时一段时间(端到端的传播时延),重新侦听信道[5>。提高网络实时性需要解决的问题是:减少线路等待时延;避免冲突;冲突发生时的快速恢复。可预测P坚持CSMA协议在一定程度上解决了上述问题,另外,LonTalk协议提供的四种服务方式以及优先访问方式为优化系统性能提供了方便。
网络节点需要等待到介质空闲时才能发送报文,从节点排队到实际发送到网络上的时延,称为介质存取时延,它直接影响报文的响应时间。在设计网络时,为保证获得较小的介质存取时延,必须保证最大预约交通量的限制。
采用不同的服务方式,会产生不同的网络响应特性。可预测P坚持CSMA协议对网络负载的预测是通过数据访问的应答服务方式(确认或请求/响应)实现的,也就是说,对于非应答方式的服务(非确认、非确认重复),MAC子层是不能产生预测的。对于应答服务方式,概率P随网络负载动态变化。值得注意的是,相比较而言,应答服务比非应答服务多消耗了网络带宽。
当某些变量对实时性要求非常强时,优先级方式是非常好的选择。但是,在分配优先级时应当注意:网络上只能为有限个节点分配优先级;在为节点分配优先级时隙的同时也预占了网络带宽。
6 基于LonWorks网络的系统集成实施
在设计中采用现场控制级和上位监控管理级两层网络结构。现场智能设备通过网络形式实现系统的基本控制功能,通过OPC服务器建立上层的监控应用[6>。在实现现场级功能时,需要首先确定整个系统完整的控制策略,并将其分解到多个相互独立的模块和子任务上;然后确定每个智能节点所完成的子任务,以及它们之间的联系和数据共享关系,并对每个节点编写应用程序,然后下载程序到节点,调试运行。在各个智能节点自治运行及完成现场控制功能的基础上,上位机基于现场控制信息和现场管理信息,通过运行OPC服务器和人机界面软件对系统运行的实时和历史信息进行监控。
7 结束语
上述针对BAS对控制网络的要求,结合某工程改造项目,构建了基于LonWorks总线的BAS网络结构。文中以空调系统为例,给出了空调控制系统的软、硬件实现,分析了该系统通信的实时性,讨论了基于LonWorks网络的BAS系统的集成实施。工程实践表明LonWorks技术在BAS中有极好的应用前景。
(转载)



