| 引言:
PLC控制系统由于具有功能强、程序设计简单、扩展性好、维护方便、可靠性高、能适应比较恶劣的工业环境的特点,因此在工业企业广泛应用.但是由于工业环境条件恶劣,以及各种工业电磁,辐射干扰等,影响PLC控制系统的正常工作,因此必须重视PLC控制系统的抗干扰设计.为防止干扰,可以采用硬件和软件相结合的抗干扰方法. 防止硬件干扰的方法有:1采用性能优良的电源来抑制电网引入的干扰2电缆的选择与铺设来降低电磁干扰3完善接地系统4采用光电隔离来抑制输入输出电路引入的干扰等.而利用PLC软件来减少干扰是PLC控制系统正常、稳定工作的重要环节.下面主要分析在生产实践中应用的利用PLC组态软件来减少干扰的方法: 一、减少数字量输入扰动的方法 1、 计数器法
![]() CON—计数器 NOT—非门 RS—复位优先触发器 IN—输入 OUT—输出 N—脉冲采样个数 注释:当外部有信号输入时,控制系统采集连续的N个脉冲使RS触发器输出为“1”,只有当外部输入信号由“1”变成“0”时,RS触发器的复位端为“1”,将RS触发器的输出复位成“0”。而当有瞬间干扰脉冲时,CON计数器将采集不到连续的N个脉冲,CON计数器无法输出,这就起到了减少干扰的作用。(N一般情况下取2) 优点:响应速度快,对周期性的瞬时干扰起到了一定的抑制作用。 2、延迟输入法 ![]() IN—输入 OUT—输出 TIME(ET)—延时时间 TON—延时输出(其曲线如下图)
![]() 注释:当输入IN=1时,启动计数器直到计时时间(PT)=延时时间,OUT=1。当计数器计时时间〈延时时间,OUT=0。延时时间最好取1S以内。 优点:消除了短时的周期干扰。 缺点:响应速度慢,不利于信号的快速传输。 二、减少模拟量输入扰动的方法 1、限幅法
![]() MOVE—移动保持指令(使能端EN=1,OUT=IN。EN=0,OUT保持前次值) GE—大于等于指令(OUT=1,IF IN1≥IN2) LE—小于等于指令(OUT=1,IF IN1≤IN2) HL—上限设定值 LL—下限设定值 注释:当模拟量输入信号在HL和LL之间时,OUT=IN。当IN-AI信号超出或等于HL或LL时,GE或LE判断IN-AI信号,使OUT1或OUT2输出“1”去封锁MOVE,从而保持MOVE的输出为HL或LL的设定值。也就起到了限幅的作用。 优点:能有效克服因偶然因素引起的脉冲干扰。 缺点:平滑度差。 2、延迟滤波限幅法
![]() MOVE—移动保持指令(使能端EN=1,OUT=IN。EN=0,OUT保持前次值) GE—大于等于指令(OUT=1,IF IN1≥IN2) LE—小于等于指令(OUT=1,IF IN1≤IN2) HL—上限设定值 LL—下限设定值 LG—延迟滤波指令(其曲线如下图) TIME—延迟滤波时间
![]() 注释:功能基本和限幅法相同,只是在输入端增加了一个延迟滤波器,对输入信号起到了延迟缓冲的滤波。 优点:有效地抑制了周期性的脉冲干扰。平滑度比限幅法有所改善。 缺点:信号响应速度减缓。 3、延迟滤波比较法
![]() LG—延迟滤波器 SUB—减法指令 ABS—绝对值指令 GE—大于等于指令 HL—最大偏差值 TIME—延迟滤波时间 注释:正常情况输入信号IN-AI经过一阶延迟滤波后直接输出,OUT=IN-AI的值;当有突变信号时,输入信号IN-AI经过一阶延迟滤波后与含有突变信号的输入信号IN-AI相减取绝对值(无论出现正偏差还是负偏差),与HL值比较,若大于等于HL的预设值,OUT1=1,将LG—延迟滤波器切换成跟踪状态,此时OUT就保持了输入信号IN-AI突变前的值。直到突变信号减弱,OUT1=0,OUT=IN-AI。 4、积分消抖滤波法
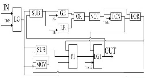
![]() LG—延迟滤波器 SUB—减法指令 GE—大于等于指令 LE—小于等于指令 OR—或门(自做的DFB功能块) NOT—非门 TON—延时输出 EOR—异或门 MOV—移动保持指令 PI—比例积分调节器 HL—最大正向偏差值 LL—最大负向偏差值 TIME—延迟滤波时间 TIME1—延迟输出时间 TIME2—延迟滤波时间 注释:参数设置:LG(TIME=1S),TON(TIME1=10S),LG1(TIME=30S),HL=0.2,LL=-0.2 ,PI(TI=10S,将P放开封锁成为纯积分调节器) 三、 小信号在变化幅度中变化时 1、最终状态:此时为稳态,输入与输出相近。OR输出为“0”,NOT=1,TON时间已超出10S,EOR=0,MOV不保持,PI不积分,SUB=0,信号走PI的跟踪回路,LG1滤波后输出。正常的信号流向:IN→LG→PI的跟踪→LG1(滤波30S)→输出 2、 小信号的暂态变化:(在TON=10S之前)OR=0,NOT=1,TON未到10S,EOR=1,MOV保持,PI积分作用,LG1未起作用,输出跨越LG1(TIME=30S),直接到输出端,此时为线性跟踪滤波状态。 四、 信号大幅度变化时(≥HL,≤LL) OR=1,NOT=0,TON不起作用,EOR=0,所以LG1(TIME=30S)不起作用,PI不起作用走跟踪。正常的信号流向:IN→LG→PI的跟踪→LG1的跟踪→输出 五、 总结: 1、 小信号在10秒之内,经过LG(TIME=1S),PI的积分作用,跳过LG1(TIME=30S),直接输出,实现输入信号的滤波和跟踪状态。 结束语 上述所分析的方法,均在生产实际中得到检验,取得了一定的效果,并随着生产实际的需要和经验的积累,不断完善其对干扰的软件处理方法。 |
(转载)











