塑料制品加工行业是轻工行业中近几年发展速度较快的行业之一,随着塑胶企业数量的增多,降低生产成本,提高产品竞争力成为许多塑料制品厂共同关心的问题。在加工成本中,电费占据了相当大的比例,而数量众多的注塑机是耗电最多的设备,因此,很多塑料企业对定量泵注塑机进行了大量节能技术改造来实现节约电能、提高企业的竞争力,但对于变量泵注塑机很多企业包括很多专业的节能公司都束手无策,因此对于市场上存在的大量变量泵注塑机如何进行节能改造成了众多塑料企业关心的热点,深圳微能科技有限公司通过对变量泵注塑机的深入研究,结合最新的矢量控制变频技术成功的实现变量泵注塑机的节能改造,并且取得了10-20%的节能效果。
2、定量泵与变量泵注塑机介绍
1)定量泵注塑机
目前绝大多数改造的注塑机都属于液压传动注塑机,液压传动系统中的动力由电机带动油泵提供,其液压油泵为叶片泵,其供油量与油泵的转速成正比,当油泵马达以50HZ恒速运转时,油泵的供油量是不变的,所以称为定量泵。其系统图如下所示:
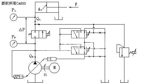
如图一所示:A1:油缸无杆腔活塞面积 F:工作负载 Q1:工作流量 P1:工作压力 △p:比例调速阀两端的压力差 Qy:比例溢流阀流量 Pb:油泵压力,Qb:油泵流量 Vb:油泵排量 n:电动机转速
如图一,该系统采用定量泵供油,油泵转速n及油泵排量Vb都不可调,其油路中的各流量及压力分别为:
油泵流量Qb=Vb×n为定值;
油泵压力Pb由比例溢流阀设定;
工作流量Q1由比例调速阀设定;
工作压力P1=F/A1取决于工作负载F;
一般的注塑机的生产过程中有下面几个环节:锁模、射胶、熔胶、保压、冷却、开模。注塑机在不同工序下需要的流量和压力不同,须依靠流量阀和压力阀调节不同工序所须的流量和压力,当工作所需流量较小时,油泵供油量大于执行元件所需的油量,多余的处于高压状态下的液压油全部经溢流阀回流,大量的能量通过油的温升消耗掉。这样既加剧了各种阀门的磨损,又造成油温过高,而且为了降低油温,往往还需要额外的冷却水循环,造成能量的进一步浪费。所以一般定量泵注塑机的改造用变频器来控制油泵马达转速来调节流量,在规定的时间内泵出的油量,刚好满足各个动作环节的需要,可以将溢流量控制在最小状态,从而节约了能源。
2)变量泵注塑机
目前,变量泵注塑机多采用比例变量泵作驱动元件,属于典型的容积式调速系统,相比传动定量泵注塑机有较明显的节能效果。如图二,该系统由负载敏感型比例变量柱塞泵、比例溢流阀、比例调速阀、压力反馈阀、流量反馈阀等部分组成。
如图一所示:A1:油缸无杆腔活塞面积 F:工作负载 Q1:工作流量 P1:工作压力 △p:比例调速阀两端的压力差 Qy:比例溢流阀流量 Pb:油泵压力,Qb:油泵流量 Vb:油泵排量 n:电动机转速
如图一,该系统采用定量泵供油,油泵转速n及油泵排量Vb都不可调,其油路中的各流量及压力分别为:
油泵流量Qb=Vb×n为定值;
油泵压力Pb由比例溢流阀设定;
工作流量Q1由比例调速阀设定;
工作压力P1=F/A1取决于工作负载F;
一般的注塑机的生产过程中有下面几个环节:锁模、射胶、熔胶、保压、冷却、开模。注塑机在不同工序下需要的流量和压力不同,须依靠流量阀和压力阀调节不同工序所须的流量和压力,当工作所需流量较小时,油泵供油量大于执行元件所需的油量,多余的处于高压状态下的液压油全部经溢流阀回流,大量的能量通过油的温升消耗掉。这样既加剧了各种阀门的磨损,又造成油温过高,而且为了降低油温,往往还需要额外的冷却水循环,造成能量的进一步浪费。所以一般定量泵注塑机的改造用变频器来控制油泵马达转速来调节流量,在规定的时间内泵出的油量,刚好满足各个动作环节的需要,可以将溢流量控制在最小状态,从而节约了能源。
2)变量泵注塑机
目前,变量泵注塑机多采用比例变量泵作驱动元件,属于典型的容积式调速系统,相比传动定量泵注塑机有较明显的节能效果。如图二,该系统由负载敏感型比例变量柱塞泵、比例溢流阀、比例调速阀、压力反馈阀、流量反馈阀等部分组成。
如图一所示:A1:油缸无杆腔活塞面积 F:工作负载 Q1:工作流量 P1:工作压力 △p:比例调速阀两端的压力差 Qy:比例溢流阀流量 Pb:油泵压力,Qb:油泵流量 Vb:油泵排量 n:电动机转速
如图一,该系统采用定量泵供油,油泵转速n及油泵排量Vb都不可调,其油路中的各流量及压力分别为:
油泵流量Qb=Vb×n为定值;
油泵压力Pb由比例溢流阀设定;
工作流量Q1由比例调速阀设定;
工作压力P1=F/A1取决于工作负载F;
一般的注塑机的生产过程中有下面几个环节:锁模、射胶、熔胶、保压、冷却、开模。注塑机在不同工序下需要的流量和压力不同,须依靠流量阀和压力阀调节不同工序所须的流量和压力,当工作所需流量较小时,油泵供油量大于执行元件所需的油量,多余的处于高压状态下的液压油全部经溢流阀回流,大量的能量通过油的温升消耗掉。这样既加剧了各种阀门的磨损,又造成油温过高,而且为了降低油温,往往还需要额外的冷却水循环,造成能量的进一步浪费。所以一般定量泵注塑机的改造用变频器来控制油泵马达转速来调节流量,在规定的时间内泵出的油量,刚好满足各个动作环节的需要,可以将溢流量控制在最小状态,从而节约了能源。
2)变量泵注塑机
目前,变量泵注塑机多采用比例变量泵作驱动元件,属于典型的容积式调速系统,相比传动定量泵注塑机有较明显的节能效果。如图二,该系统由负载敏感型比例变量柱塞泵、比例溢流阀、比例调速阀、压力反馈阀、流量反馈阀等部分组成。
图二 油路系统原理图
A1:油缸无杆腔活塞面积 F:工作负载 P1:工作压力 Q1:工作流量
△P:比例调速阀两端的压力差 Pb:油泵压力 Qb:油泵流量 n:电动机转速
工作原理
(1)系统处于流量控制状态时,油泵压力Pb大于工作压力P1且小于塑机设定压力,比例溢流阀将可靠关闭。当负载变化时,Pb与P1之间的压力差△P会有相应波动,并使工作流量Q1发生变化。以上变化通过流量、压力反馈阀传递给变量泵的调整活塞。活塞随之推动柱塞泵斜盘并改变油泵排量,最终稳定泵的输出流量Qb。由此看出,该系统实现了压力自适应控制,基本上没有溢流损失,但为了控制工作流量Q1,调速阀上仍存在一定节流损失。
(2)系统处于压力控制状态时,变量柱塞泵的斜盘倾角很小,仅有少量的液压油流过比例溢流阀,保证形成一定的系统压力。通过改变比例溢流阀的输入信号,就可以得到相应的油泵输出压力。比起传统定量泵注塑机,该控制方式在一定程度上减小了溢流损失。
3、变量泵注塑机的节能原理
由上面的介绍我们可以知道,变量泵注塑机与定量泵注塑机相比,减少了大量的溢流损失,使得油泵电机负载变轻,电流减小,处于轻载状态。变量泵注塑机是从液压元件的角度出发,挖掘油路上的节能改造空间,从而提高了油路系统的工作效率。但受其控制方式限制,该系统不能完全消除节流、溢流损失。
1) 变量泵注塑机仍然有浪费的空间,从油泵上出来的油仍然要经过比例调速阀和比例溢流阀的的调节,在阀门上仍然有一定的功率损失。
2)油泵的电机速度依然不能调节,虽然比起定量泵其负载轻了很多,但和通过调节速度来调节油量相比,显然前者要更耗能。特别是系统处于压力控制时,系统需要的压力很大但是流量很小,而油泵电机的速度不能调节。若油泵的输出流量、输出压力、排量、转速分别表示为Q、P、Vb、n,则油泵的输出功率N用公式表示为:
N = Q*P = Vb*n*P
注塑机是通过机械装置调整油泵排量Vb的,显然其可调节的线性范围有限,不能实现零排量输出。且任何情况下,电机都是全速运转,有很多无谓的能量损失。
3)油泵电机的启动仍然是星三角启动,功率因素较低。
4、微能公司节电系统
微能公司是将矢量变频技术应用于注塑机电机驱动上,通过速度调节及压力PID闭环控制功能完成对注塑机的精确控制。油路上将比例调速阀人为硬性的将流量调至最大并保持或者拆除,同时切断流量、压力反馈阀对变量泵的活塞的控制。改为矢量变频PID控制维持压力的恒定,自动实现了压力自适应控制,这样系统从源头上消除油路中的节流及溢流能量损失,使注塑机获得最佳的节能效果。系统如下所示:
工作原理:
当油泵流量Qb接近或达到塑机的设定值时,油路系统进入流量控制状态,变频器的输出频率与塑机的流量设定值成正比。在此过程中,油泵流量Qb=Vb×n始终与工作回路的需要相适应,无需比例阀调速,也没有多余流量溢出,可从根本上消除节流及溢流能量损失。
当油泵工作在压力状态下,如下图所示:
变频器控制系统配备一块智能转换卡,变频器将通过压力传感器实时监控到这一压力变化,并与塑机的压力设定值做比较。当它们差值很小时,变频器的智能转换卡会及时将变频器切换到压力控制状态。,启动PID控制并通过PID功能保持系统压力恒定。此时,变频器的输出频率将与该压力差值成正比。因差值很小,变频器的输出频率及电机转速将迅速降低,油泵仅维持很小的流量输出,以弥补油路中的各种泄漏损失。
电气系统图如下:
微能WIN-PSS-IV变频器为开环矢量方式,起动转矩大,0.5HZ可以达到150%的额定转矩;动态响应快,阶跃转矩响应时间小于200MS;稳速精度为0.5%。通过变频器的闭环矢量调速功能,变频注塑机的油泵转速n可实现0到额定转速之间线性调节范围,尤其是在塑机待机及无动作情况下(如冷却阶段),电机及油泵转速可降至0,基本无能耗损失。值得注意的是,油泵在低转速时的容积效率会下降,这在一定程度上会影响了节电效果。对此,我们将通过提高变频器低频增益的方法来改善这种情况。而且,实际生产中流量低于20%的情况是极少的,所以油泵转速也不可能出现过低的情况。
5、成本及维护保养分析
从我公司的在东莞某塑胶厂一些的变量泵塑机节能改造实例来看,对锁模力120吨的卧式变量泵塑机进行变频节能改造仍有20%的节电率。由此可见,变频注塑机的节电率要高于变量泵注塑机,并对维护保养分析如下:
6、结束语
深圳市微能科技有限公司在多年的实践应用中积累了许多宝贵经验,开发出在注塑机械上变频器应用的多种节能方案,此次又开发出变量泵注塑机变频节能专用变频器,必将引领塑机节能改造的新潮流。
参考文献:
1.《WIN-PSS-IV 使用说明书》
(转载)



