随着通信技术的发展,基于移动通信网络的服务功能正向工业控制和遥控领域扩展。为了适应这种需要,西门子公司推出新一代TC35i型无线通信GSM模块,基于该模块的短消息功能,可以快速、安全、可靠地实现用户信息处理等功能,特别适用于控制中心与终端设备距离很远或不便采用有线通信介质的场合。该系统由控制中心和若干显示屏组成,控制中心实时将最新信息发送到各显示屏,构成控制中心与显示屏端的通信链路。
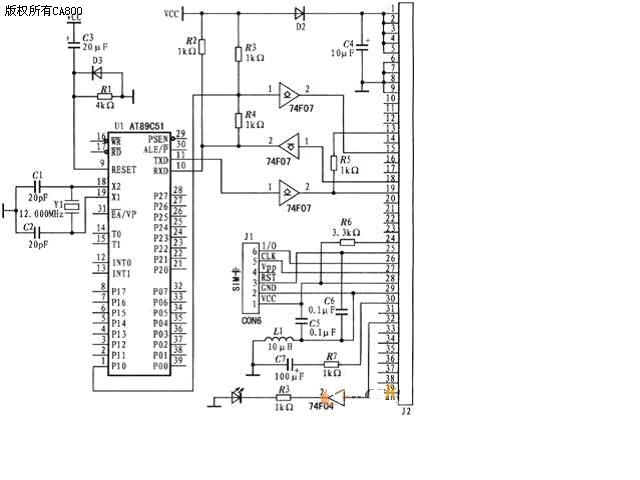
2 TC35i与单片机的硬件接口电路
TC35i可以快速安全可靠地实现系统方案中的数据、语音传输、短消息服务和传真。模块的工作电压为3.3 V~5.5 V,可以工作在900 MHz~1800MHz。模块有AT命令集接口,支持文本和PDU模式的短消息。此外,该模块还具有电话薄、多方通话、漫游检测等功能,常用工作模式有省电模式、I-DLE和TALK等模式。通过40引脚的ZIF连接器实现电源连接、指令、数据、语音信号及控制信号的双向传输。通过ZIF连接器及50 Ω的天线连接器可分别连接SIM卡支架和天线。
在控制系统中,采用AT89C51型单片机同时扩展RAM6264用于存放与显示屏对应的要显示的128 B数据以及从GSM模块读取的信息。为了增大存放数据的容量,本设计采用了AM29F040型FlashMemory(512 KB),它存储容量大、集成度高、成本低,具有灵活的读写性和较好的数据非易失性。它有15条地址线,其中低8位地址由P0口经74HC373锁存后提供,高11位地址由P2口与P1.4、P1.5、P1.6共同提供。8位数据由PO口直接提供。
采用动态扫描方式,用74HCl54及74HC595进行16行的逐行扫描,利用人眼的视觉暂留效果,可以节省I/O资源,减少发热量。
3 工作原理
如图l所示,在接收终端,单片机通过读取TC35i模块以短消息形式承载的数据,经处理后把它显示到LED显示屏上。因为短信息中的汉字仅仅是1个编码,单片机应用系统将编码变为汉字点阵数据,必须配置汉字字库。因此,设计单片机应用系统时,控制中心编辑PDU数据包数据,采用自定义数据方式。其中,代表汉字的数据直接用汉字的机内码,系统配置的字库为GB-2312编码的汉字库,即区位码汉字库。下面通过对存储在手机中的待发信息的分析来介绍SMSPDU的数据格式。首先,用手机写一条信息,发送手机号码为13605696031,信息内容为“HelloWorld!”。通过执行AT+CMGL=2可以读出此条信息。

图1 TC35i与AT89C51的接口电路
操作过程如下(斜体字符为响应信息,{}内为注释):
AT+CMGL=2{读未发短消息}+CMGL:1,2,24{1表示信息个数,2表示未发信息,24表示信息总容量}
08 91 683108501505FO 11 00 0B 81 3106656930F1 0000A7 0B E8329BFD06DDDF723619 OK
下面分析这条消息:
08:短消息中心地址长度
91:短消息中心号码类型,91是TON/NPI。TON/NPI遵守International/E.164标准,指在号码前需加“+”号,此处还可以有其他数值,但91最常用。
683108501505FO:短消息号码,是所使用的服务中心地址。由于位置上略有处理,实际号码应为86138055155500(字母F意指长度减1),这是作者所在地GSM短信息中心的号码。
11:文件头字节(header byte,是一种bitmask)。这里11指正常发送短信息。
00:信息类型。
0B:被叫号码长度。
81:被叫号码类型。
3106656930F1:被叫号码,也经过了移位处理,实际号码为13605696031。
0000A7:短信息编码类型GSM Default Alphabet,如为中文则是0010A7。
0B:短信息长度。
E8329BFD06DDDF723619:短信息内容“Hello World!”。
单片机与手机的软件接口其实就是单片机通过与GSM短信息有关的AT指令控制手机的技术,如读取手机的短信息内容、删除短信息内容、列出手机中还未读的短消息等。执行l条指令,并非某些资料介绍的那么简单,事实上,指令的执行过程需要单片机与手机交互应答完成,每一次发送或接收的字节数有严格的规定,二者必须依据这些规定实现数据交换,否则,通信就是失败的。表1列出AT指令执行过程。
表1 AT指令的执行过程
所有AT指令的指令符号、常数、PDU数据包等都以ASCⅡ编码形式传送,比如“A”的ASCⅡ编码为41H,“T”的ASCⅡ编码为54H,数字“0”的ASCⅡ编码为30H等。
单片机控制手机工作,必须把手机的短信息工作模式设置为PDU格式,即通过指令AT+CMGF=0完成。
单片机向手机发送每l条指令后,必须以回车符作为该条指令的结束,回车的ASCⅡ编码为ODH,例如单片机向手机发送“AT+CMGF=0"指令,其ASCⅡ编码列为“41H、54H、2BH、42H、4DH、47H、46H、3DH、30H、0DH”,最后1个字节0DH就是回车符,表示该条指令结束,如果没有这个回车符,手机将不识别这条指令。
当手机接收到一条完整的AT指令后,手机并不立即执行这条指令,而是首先把刚才接收到的AT指令的全部ASCⅡ编码序列全部反发送出来(含ODH),其次发送1个回车符和换行符的ASCⅡ编码即0DH和OAH,最后执行该条指令。
手机向单片机发送短信息内容时,其PDU数据包的内容是16进制表示的数据,但并不是直接向单片机传递16进制数据,而是仍然把每一位16进制数以ASCⅡ编码来发送,这样,2个字节的16进制数就变成4个字节的ASCⅡ码。但是,PDU数据包中的数据字节长度部分仍然是实际字节长度,而不是变成ASCⅡ码的字节长度,这在编程时应特别注意,否则,接收的数据就不完整。单片机接收到PDU数据包数据后,必须将其恢复成16进制数据,其算法如下:
设a为接收的ASCⅡ码.b为转换后的16进制数,那么,如果a<39H,则b=a-30H;如果a>39H,则b=a-30H-07H。最后把前后2个数合并为1个字节。
手机向单片机应答PDU数据包的字节数不包括前9个字节数据(短信服务中心地址),但向单片机传送PDU数据包时包括这9个字节的数据,例如:如果手机应答的PDU数据长度为50,而实际向单片机传送的16进制数据为59字节,ASCⅡ码为2x59字节,所以,单片机必须按2x59个字节接收PDU数据。
为了使MCU操作,可用1个512 KB的存储器(如本系统中的29F0410)存储全部的国标16x16点阵汉字、8x16的ASCⅡ码点阵数据及汉字语句编码数据。从小到大依次存有国标区位码表中的所有汉字,每个汉字占用32个字节,每个区为94个汉字。在文件ASCl6中按ASCⅡ码从小到大依次存有8x16的ASCⅡ码点阵,每个ASCⅡ码占用16个字节。由于29F040的容量为512 KB,而微控制器只能管理64KB的数据空间,所以可将29F040分成16页,每页32 KB,占单片机系统数据空间的8000H~OFFFFH。首先提取16x16的国标汉字点阵和8x16的ASCⅡ码点阵(如UCDOS软件中的HZKl6和ASCl6)并将其直接写入29F040。其中HZKl6(256 KB)占O-7页。为了便于编程,虽然ASCl6只有4KB,也单独占用第8页。
在PC的文本文件中,汉字是以机内码的形式存放的,每个汉字占用2个字节;第一个字节为区码,为了与ASCⅡ码区别,范围从十六进制的0AIH开始(小于80 H的为ASCⅡ码字符),对应区位码中区码的第一区;第二个字节为位码,范围也从0A1H开始,对应某区中的第一位码。这样,将汉字机内码减去0AOAH就是该汉字的区位码。如汉字“房”的机内码为十六进制的“B7BF”,其中“B7”表示区码,“BF”,表示位码。所以“房”的区位码为0B7BFH-0AOAOH=17lFH。将区码和位码分别转换为十进制得汉字“房”的区位码为“2331”,即“房”的点阵位于第23区的第31个字的位置,相当于在文件HZKl6中的位置第32x[(23-1)x94+(3l-1)>=67136 B以后的32个字节为“房”的显示点阵。
4 结束语
在信息化社会中,远程信息传递扮演着重要的角色,GSM模块以其准确、低廉、实时的特点为人们获得某种信息提供便利,同时LED显示又是沟通的重要窗口,二者结合显示可应用的领域十分广泛,如交通、天气预报、广告、通知、工农业生产、商业信息等,本设计采用的模块市场上容易获得,采用信息直接显示不用返回,显示环节运用动态扫描减少LED工作时间,延长寿命且节能,扩展的数据存储器容量达8 KB,显示时间较长,较多信息可分时显示,结构简单,体积较小,实用性强。
(转载)



