此项目的目的是:用高压泵将混合于液体中的纳米材料对撞在用石英作成的靶上,以解除纳米材料的凝聚作用。加工至纳米级的材料,彼此之间会凝聚一团。这在纳米材料的应用中有不良影响。使用这种被称为“纳米对撞机”的设备可以实现纳米破碎和分散。
2、设备介绍
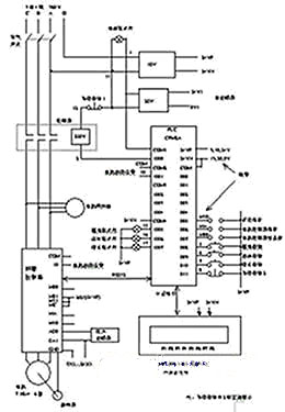
设备的结构如下图所示:
高压泵是内有曲轴的三级柱塞式泵,要求电机为低速大转矩。变频器不能满足要求。
3、工作原理
用可编程终端作为人机界面,设定电机转速。经RS232传送至伺服控制器。并且实时读取当前值并以转/分为单位显示在液晶屏上。设定值有上限。操作中如设定的数值大于上限值,则自动定为上限值。
压力传感器输出4~20mA接至伺服控制器的A/D口。可编程控制器实时读取当前值并以Mp为单位显示在液晶屏上。压力上限由伺服控制器的程序中相应语句判断,超过设定压力时电机停转并报警。
应用户要求追加了一个试用时间限制功能(系统保护功能)。当最终用户的试用期已过,伺服控制器停止电机的运转并报警。可编程终端的液晶屏上显示“请与设备供应商联系”。而用户(制造商)使用伺服控制器的键盘操作器解除此功能。
可编程控制器对伺服控制器用RS232发送速度指令值、用开关量信号作为启停指令,而伺服控制器用开关量组合形式将状态送至可编程控制器。见下表:
4、控制方案

(转载)



