磕头机即游梁式抽油机是油田广泛应用的传统抽油设备,通常由普通交流异步电动机直接拖动。其曲柄带以配重平衡块带动抽油杆,驱动井下抽油泵做固定周期的上下往复运动,把井下的油送到地面。在一个冲次内,随着抽油杆的上升/下降,而使电机工作在电动/发电状态。上升过程电机从电网吸收能量电动运行;下降过程电机的负载性质为位势负载,加之井下负压等使电动机处于发电状态,把机械能量转换成电能回馈到电网。
然而,井下油层的情况特别复杂,有富油井、贫油井之分,有稀油井、稠油井之别。恒速应用问题显而易见。如抛却这些不谈,就抽油机油泵本身而言,磨损后的活塞与衬套的间隙漏失等都是很难解决的问题,况且变化的地层因素如油中含砂、蜡、水、气等复杂情况也对每冲次抽出的油量有很大的影响。看来,只有调速驱动才能达到最佳控制。
引进调速传动后,可根据井下状态调节抽油机冲程频次及分别调节上、下行程的速度,在提高泵的充满系数的同时减少泵的漏失,以获得最大出油量。尤其是采用变频调速既无启动冲击,又可解决选型保守、线路较长等所致的功率因数偏低等问题,获得节能增效的同时又能提高整机寿命。尤其是油泵的寿命,减少机械故障提高可靠性,综上,用变频调速改造采油设备势在必行。
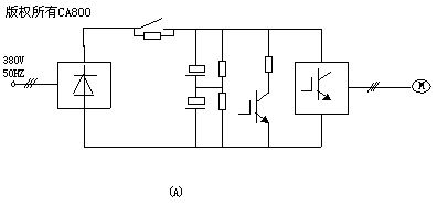
二、通常所用的变频调速方案
通常所用的实用方案如下简图A所示,
抽油机电机是由普通变频器直接驱动,只是在变频器中加装外接制动单元而已。当抽油杆工作于下降冲程时,电机工作于发电状态,由电阻发热消耗这部分能量。然而,不同的油井不同的设备配合调整不当或制动电阻接点氧化、接触不良等均可引起抽油机下降冲程变频器回线过压,引起变频器故障率偏高。
该方案的运行结果表明,调速效果没问题但由于抽油杆下降时电机发出电能已由制动电阻白白消耗,故节电效果不理想。
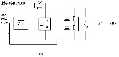
三、本公司推荐的变频调速方案
本方案系统简图B如下
这是本公司专门为磕头机而设计的调速系统。方案中采用了PWM结构,除原有逆变器外,另一逆变器取代通用变频器的外加能耗制动单元,把电机发电状态产生的再生能量回馈电网,节省了通用变频器能耗制动电阻上消耗的能量,从而获得了理想的节能效果。

本案与能耗制动变频调速的节能分析比较

注:节约电费是按照每年运行10个月,电费0.52元/度计算
本方案中回馈部分的快速性和出力能力均能适应不同磕头机的不同工况,同时考虑户外恶劣工作环境,主回路使用SCR无触点开关,确保了整机在高效率、高可靠性下运行。
运行结果显示总节电率比总述方案高约20%以上,并均可达到30~50%,节电效果令人满意。如同时考虑产油量的增加,则投入该设备的成本回收期约在1年左右。
(转载)



