| 潜油电泵由于工频启动负荷大,电机功率都相对较大,普遍存在着“大马拉小车”现象,无功损耗多,耗电量大。加之潜油电泵不能自行实现软启停,使得电机、电缆的绝缘性能降低,在不同程度上影响了潜油电泵的使用寿命。为实现电泵井节能增效,经认真调研,我们引进了潜油电泵变频技术,并在梁23-平1井安装试验了一套山东风光电子有限责任公司生产的JD-BP系列1140V潜油电泵专用变频器。经过现场试验后,见到了明显效果。
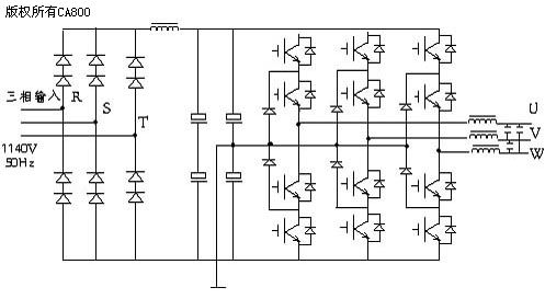
一、潜油电泵专用变频器的工作原理 1、变频调速原理 2、变频器工作原理 该设备为交——-直——-交电压源型变频调速系统,即先将交流输入整流为直流,再把直流逆变为所需频率的交流。通过控制程序可以自由改变其输出频率,从而可以平滑地软启动电机、软停车。再加上变频器设有输出滤波器,有较好的输出波形补偿,从而减少了由于输出线较长而造成的传输损耗。 逆变部分采用三电平方案,与两电平方案相比,它逆变电压高,用常规电压IGBT器件就能实现千伏以上的逆变,并且波形比两电平好。 原理图:
![]() 图一、三电平逆变原理图 二、现场应用情况 2001年9月10日,我们在梁23-平1井安装试验了一台1140V潜油电泵专用变频器,其主要技术指标如下: 输入:三相、50Hz、线电压1140V+15%~20% 安装完毕,频率调至40 Hz试运行1天,日产液量较原来下降10m3.9月11日,将频率调至47 Hz运行,产量恢复到原来状态。目前该变频器运转正常,运行数据见表1:
![]() 表 1、梁23-平1井安装变频器前后运行情况统计表 三、效果评价和经济效益 1、效果评价 2001年9月28日,纯梁采油厂能源检测站采用DJYC-95型电机经济运行测试仪(电流、电压0.5级,功率1.0级),对梁23-平1井1140V潜油电泵专用变频器的节电效果进行了现场测试,得出结论如下: A、功率因数得到提高,由0.671提高到0.759。
![]() 表2、梁23-平1井安装变频器前后测试数据表 2、经济效益: 安装变频器后综合节电率为23.04%,年节电15.22万Kwh,基本电费按0.435元/Kwh计算,则每年节约电费6.62万元,不到两年便可收回投资(该变频器价格为12.5万元)。 另外,由于变频器实现了电泵的软启停,对延长电泵使用寿命将大有益处,可节约维护资金,提高经济效益。 四、推广应用前景 五、对潜油电泵井应用变频技术的几点认识 1、潜油电泵井应用变频技术能够保证电泵机组工作在最佳工况,可以延长潜油电泵的使用寿命,同时节电效果明显。 |
(转载)






