应 用 摘 要
地铁弱电系统应用在地铁的车站、车辆段、停车场、控制中心等场所,包括通信、信号、综合监控(电力监控PSCADA、环境与设备监控BAS、火灾自动报警FAS、门禁ACS)、自动售检票系统AFC、乘客信息系统PIS、屏蔽门、变电所直流操作、应急照明等部分,系统一般由计算机、网络设备及自动化控制设备组成,用电为一级负荷,因此需要高可靠性的后备电源进行不间断供电,以保证供电质量和供电连续性。屏蔽门驱动电机、变电所直流操作以及部分通信设备分别用到DC110V、DC220V和DC-48V电源,一般由专门的直流电源独立供电。应急照明一般为交流感应式的负载,分布在整个车站范围内,点多面广,多采用EPS供电。剩余的通信、信号、电力监控、环境与设备监控、门禁、火灾报警、自动售检票、乘客信息、屏蔽门网络控制等系统均为计算机和网络设备等容性负载,需要AC380/220V电源,最适合采用UPS系统进行供电。由于地铁运营环境及其设备的特殊性,一般要求提供电源的UPS系统满足下列要求: 1.可靠性强,能适应地下运行环境,以确保车站各弱电系统设备全天候、稳定、可靠地运行; 2.绿色环保,避免污染电力环境及自然环境; 3.安全性高,保护全面,不易造成人为设备故障,不会威胁人身安全; 4.便于近、远端管理,有标准的通讯接口及开放的通讯协议; 5.尽量采用集中式供电,综合利用各种资源。目前,轨道交通UPS电源整合是一个发展趋势,全国各地地铁新建线路都在进行UPS整合工作,因为这样更有利于资源的综合利用,更有利于设备的专业化维护与管理,同时也有利于节省机房使用面积。
应 用 领 域
交通
地铁
方 案 内 容
根据地铁应用环境对UPS系统的具体要求,我们选用由台达NT系列UPS(12P)、中达电通DCF126系列蓄电池和中达电通智能配电柜组成的双电源输入、双母线架构、共享电池组、负载分时供电的集中供电组合方案。
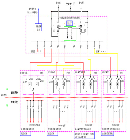
该方案的系统示意图如下:

系统中的两台UPS容量相等,互为备份,彼此通过两根相互冗余的通讯线相连,使它们的相位始终同步,确保后面的STS切换顺畅。
该系统有下列特性符合地铁应用环境的需求:
1.可靠性强,适应地下运行环境。如:UPS耐温、湿度范围宽,抗外界干扰能力强,输入电源的电压和频率范围宽,输出电力品质高,全桥逆变加隔离变压器对负载适应性强,内部重要线路冗余备份,容错能力强,单机MTBF高达30万小时等。而双母线架构对负载又有了双重保障。
低谐波,高效率,低辐射,低噪音等特性体现了绿色环保、对电力环境及自然环境污染少的特性。
符合CE、TUV、IEC等安全标准,具有过温、过载、短路、误操作、电池漏夜等保护功能,并且有近、远端的紧急关机功能,安全可靠,不易造成人为设备故障和人身安全威胁。
配备大型中/英文图形化LCD显示,以及RS232、RS485、20选6的智能干接点以及供选购的SNMP、MODBUS卡等,并有开放的通讯协议提供,便于近、远端监控管理。对于本方案可将UPS监控纳入综合监控系统(ISCS),与综合监控系统FEP接口,实现对电源的统一监控管理。
5.本方案在每个站点配置一台大功率的UPS集中供电,可使负载综合利用电力资源。同时,共享电池组和分时供电的方式也是综合利用资源的一个具体体现。
技 术 路 线
UPS容量选择
由UPS集中供电的负载情况表可知,车站、车辆段、停车场和控制中心的负载量依次为:126KVA、103KVA、74KVA和126KVA。这些负载都是电脑性的,输入功率因数一般为0.7,小于UPS的输出功率因数0.8,选择UPS容量时应当按VA值来计算。为了确保UPS长期安全可靠地运行,负载量一般设定在UPS额定容量的60%~80%。所以车站、车辆段、停车场和控制中心应分别配置160KVA、160KVA、100KVA和160KVA的UPS,它们的负载量最大能达到单台UPS的78%、64%、74%和78%,符合系统可靠性的要求。
电池配置计算
本方案采用UPS共享电池组方案,并且市电停掉后要分时供电给负载。以车站为例:有40KVA的负载后备2小时, 46KVA的负载后备1小时, 40KVA的负载后备0.5小时。
基于电池的放电特性,若采用分时间段(竖直分)计算法,结果会比实际的配置偏大;若采用分功率段(水平分)计算法,结果会比实际的配置偏小。这里采用分功率段(水平分)计算法计算,然后再将结果进行修正。计算过程如下:
P(W) 电池提供总功率 P(VA) 负载标称容量(VA)
Pf 负载输入功率因数 η UPS逆变转换效率
Pnc 每只电池需要提供的功率 n UPS配置的电池数量
N 单颗电池的cell数
P(W)={P(VA)×Pf}/η
Pnc=P(W)/(n×N)
1.40KVA 2小时:
P(VA)=40KVA 负载输入功率因数Pf ≈0.7
逆变器效率η=0.95 n = 29
N = 6
P(W)={P(VA)×Pf}/η
= {40000×0.7}/0.95
=29473.68(W)
Pnc=P(W)/(n×N)
=29473.68 /(29×6)
= 169.39(W)
根据中达电通电池的恒功率放电特性表可得出2小时放电时间,1.75V截止电压下, DCF126-12/100型号的电池能提供68.4W的功率, 169.39/68.4=2.48组.
2.46KVA 1小时:
P(VA)=46KVA 负载输入功率因数Pf ≈0.7
逆变器效率η=0.95 n = 29
N = 6
P(W)={P(VA)×Pf}/η
= {46000×0.7}/0.95
=33894.74(W)
Pnc=P(W)/(n×N)
=33894.74 /(29×6)
= 194.80(W)
根据中达电通电池的恒功率放电特性表可得出1小时放电时间,1.75V截止电压下, DCF126-12/100型号的电池能提供112.2W的功率,194.80/112.2=1.74组.
3.40KVA 0.5小时:
P(VA)=40KVA 负载输入功率因数Pf ≈0.7
逆变器效率η=0.95 n = 29
N = 6
P(W)={P(VA)×Pf}/η
= {40000×0.7}/0.95
=29473.68(W)
Pnc=P(W)/(n×N)
=29473.68 /(29×6)
= 169.39(W)
根据中达电通电池的恒功率放电特性表可得出0.5小时放电时间,1.75V截止电压下, DCF126-12/100型号的电池能提供181.3W的功率, 169.39/181.3=0.93组.
2.48+1.74+0.93=5.15(组)
由于这种计算方法得出的结果会比实际的配置略有偏小,所以取6组应当足以满足负载的后备时间需求。
同样可以计算出车辆段UPS系统需配置中达电通DCF126 12/100型号的电池4组;停车场UPS系统需配置中达电通DCF126 12/100型号的电池3组;控制中心UPS系统需配置中达电通DCF126 12/100型号的电池6组;
供电运行方式与逻辑关系
结合方案的系统示意图可以了解系统的供电运行方式与逻辑关系。
1. 正常供电运行方式
两路主电源为两台UPS供电,主电源1接UPS1的主输入,主电源2接UPS2的主输入,两台UPS的旁路同时接到主电源1或者主电源2上(不同的站点可以不同)。 两台UPS同时输出到各个负荷侧的STS开关,通过设置STS开关状态,实现大约各带一半负载。这样能确保两路电源上的负载量基本均分,当两台UPS都运行于旁路状态时,相位仍然同步,STS转换不受影响。
UPS1和UPS2同时为电池组充电,充电电流各占50%。为了日后维修和保养方便,每台UPS和每组电池都装有自己的连接开关。
2. UPS故障运行方式
a. UPS2故障,则通过STS将所有的负载切换到UPS1,然后维修UPS2,修复后再恢复原带载运行方式;
b. UPS1故障,则通过STS将所有的负载切换到UPS2,然后维修UPS1,修复后再恢复原带载运行方式;
c. 两台UPS都故障,则通过两台UPS的静态旁路供电给负载。此时,可以将两台UPS打到维修旁路或者轮流关闭进行维修,修复后再转为原带载运行方式。
3. 电池组故障运行方式
电池组分为3—6组并联,若发现电池故障或者报警,维修人员切除故障的电池分组,进行维修维护工作,修复后再将电池分组重新投入运行。
4. 失去1路主电源运行方式
a. UPS2主电源失电,则UPS2停止输出,通过STS将所有负载切到UPS1;
b. UPS1主电源失电,则UPS2停止输出,通过STS将所有负载切到UPS2。
5. 失去2路主电源运行方式
此时两台UPS同时转到电池组放电状态,通过STS后共同分担后面的负载。若此时任何1台UPS故障,其后面的负载都会通过STS转移到另外一台UPS上去,电池组也会全部转给正常的UPS使用,后备时间不受影响。
智能配电柜会结合各负荷的后备时间要求,按时切除相应的负载。
6. 检修运行方式
a. 检修单台UPS时,断开一台进行检修,另一台正常运行;
b. 检修单组蓄电池时,断开一组进行检修,其它电池组正常运行;
c. 当两台UPS同时检修时,可将两台UPS打到维修旁路或者轮流关闭进行检修。
其 他
方案特点分析
概括起来,该方案具有以下几个特点:
1. UPS电源采用集中式配置,跟分散式配置相比,该方案更能综合利用UPS和蓄电池资源,具有设备可靠性高、节省安装空间、维修和管理方便等优点,符合地铁行业的的发展趋势。
2. 输入电源采用双路同时分别供电,跟前端采用ATS切换装置相比,该方案更节省投资,使双路电源负载均分,并且避免了ATS的单点故障。
3.系统采用两台UPS双母线架构,跟单机和双机并联架构相比,减少了单故障点,增强了可靠度。
4.采用双机共享电池组方式,确保任何一台UPS故障时,系统总的后备时间不受影响,并且同时具备了以下优点:
a.节省购买电池的资金投资,相应的搬运、安装等投资也跟着减少。
b. 节省安装空间投资,相应的装修费、空调配置等投资也跟着减少。
c. 节省承重方面的投资。
d. 节省电耗、维护保养等运营成本方面的投资,更加环保。
e. 系统扩容比较方便,主机和电池组的扩容可以分别进行,非常安全、方便,可以灵活利用资金。
f. 发挥电池的最大效能,提高电池利用率。对于传统的电池配置方案,由于电池数量较多,停电后电池会小电流放电,电池容量可能还没有放掉多少,市电就已经恢复。这种小电流的浅度放电对电池是没有好处的,久而久之电池性能就会下降,一旦某台UPS坏掉,其它UPS电池的后备时间就会达不到要求。而对于共享电池组方案,由于电池数量相对较少,停电后电池的放电电流就会比较大,电池容量也可以放的比较多,这样有利于提高电池的活性,延长电池寿命。一旦某台UPS坏掉,系统的后备时间也不会受到影响,因为电池不会跟着UPS失效而失效。
5.根据负载重要程度,采用分时供电方式,合理分配资源,实现效益最大化。
6.采用台达NT系列UPS,该产品更能符合轨道交通方案需求,产品品质优异、厂家服务周到。同时采用冗余的通讯线代替LBS,节省了投资,提高了效率,增加了系统可靠度。
(转载)



