作者:
鞍山新和电气有限公司 技术部 王俊芳
鞍山新和电气有限公司 技术部 任惠峰
摘 要:本文分析了张力开环控制模式下,通过总线适配器TDS-PA01和SM-PROFIBUS-DP总线与上位机通讯在TD3300变频器上的应用,并分析了解决问题的方法和如何进行参数设置。
Abstract:This article analyze when tension is working under open-loop-control mode the application of communication between TD3300 and PC through bus adapter TDS-PA01 and SM-PROFIBUS-DP.
关键词: 张力 TD3300变频器 SM-PROFIBUS-DP总线控制 旋转编码器 参数设置
Key words: tension TD3300 Inverter SM-PRIFIBUS-DP bus control encodes parameter setting
1引言
天津华璟酸洗线成套项目:根据现场工艺要求,由于酸洗后的热轧板宽度为850mm,厚度2.75-5mm。系统对张力要求较高,在卷曲过程中需要恒定平稳的张力。本工程采用艾黙生TD3300-4T1320G张力控制专用变频器与EV3000-4T0550G矢量控制变频器相匹配组成张力开环系统,TD3300用作系统开卷机和收卷机的驱动电机,EV3000作为系统主牵引部分。这是艾默生变频器首次应用于大型热轧板卷曲,开卷张力系统中。现场操作控制方式为SM-PROFIBUS-DP总线方式,采用此总线控制方案,操作简单、便与维护、系统工作稳定性高、提高工作效率。
2方案确定
(1)现场为两条相同的酸洗线,每条酸洗线变频器及相对应的电机配置如下:见图1、2
·2辊张力辊变频器: EV3000-4T0550G 1台;
·变频电机 Y2VPEJS280S-61 1台;
·5辊矫直变频器: EV3000-4T0550G 1台;
·变频电机 YTSP280M-6 1台;
·收卷变频器: TD3300-4T1320G 1台;
·变频电机: YTSP315M2-6M 1台;
·开卷变频器: TD3300-4T1320G 2台;
·变频电机: YTSP225M-6 2台;
· 卷曲机和开卷机为变频电机并加装旋转编码器。
· 辅助传动是由一台S7-400PLC并配置1台ET200远程I/O子站实现;
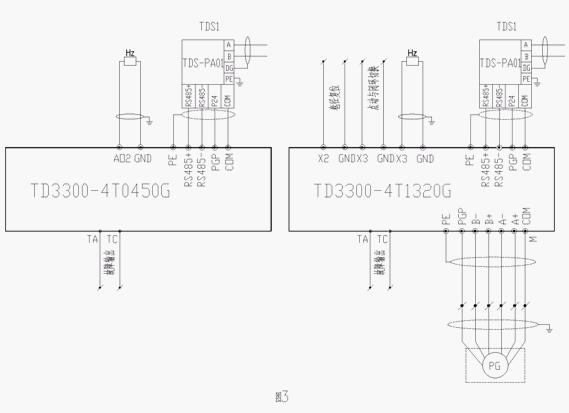
· 酸洗线控制系统配置:采用SM-PROFIBUS-DP总线与总线适配器TDS=PA01通讯控制变频器,操作方便简单。见图3


(2)张力系统选择
采用速度差建立张力系统(速度建张)普通变频器可以满足,张力值不准确,在实际工艺中驱动板材运行的张力辊和卷曲轴都是主动辊,对速度匹配要求极高,当速度出现偏差就会使板材出现褶皱或偏中,板材卷曲会出现松紧不一致,精度控制不稳。
采用张力计检测系统张力,系统控制精度高,工艺全过程要求张力闭环控制,成本造价高,工艺繁琐,不被采用。
零速建张力系统,在开始卷曲的同时建立起张力系统,有足够大的张力使板材之间绷紧,卷起板材全过程恒张力运行,通过SM-PROFIBUS-DP总线方式控制把张力辊AO1的线速度输出作为卷取机TD3300变频器的线速度输入。张力恒定速度匹配精准受到客户的高度认同,实现无人看守操作,控制线路维护简单方便。

3电气方案解析
根据工艺要求,对变频器进行如图3的设计
本系统采用的是siemens公司的S7系列PLC与艾默生TD3300,EV3000变频器通讯,笔者提供相应的GSD文件配置在上位机的应用程序中,并带有指令解析的对照表,与PROFIBUS总线接口模块之间进行通讯连接,通过上位机“控制字”的发送和对变频器“状态字”的读取来进行控制。将FF.20连接到PZD区,对运行张力进行时时监控,使设备稳定运行。
主速度通过总线适配器TDS-PA01与SM-PROFIBUS-DP总线网络连接对张力辊变频器EV3000进行给定。通过网络信号传输,采样张力辊输出的线速度作为卷曲机变频器TD3300-4T1320G的线速度输入。卷曲系统工作在张力开环控制模式下,为了更好的零速建张,使板材不出现松弛,把(X3)做为点动与闭环矢量切换。有卷径计算,每次工作完成后需要把卷径复位,故将(X2)端子设定为卷径复位。
在张力开环控制下旋转编码器选择正确十分重要,编码器输出与变频器接口相匹配,否则直接影响变频器准确工作。现场电机与变频器之间距离有130米,对编码器的硬件指标要求很高,选择长线驱动型,差动型输出,8-24V HTL型编码器,将码盘+V接到变频器PGP 端子上0V与COM相连,编码器与变频器的A+与A+,A-与A-,B+与B+,B-与B-,相对应连接,把CN4跳到DI侧。
张力开环系统中,电机运行有两种状态,即电动状态或发电状态。在卷曲张力开环系统中(张力辊与卷曲机之间构成卷曲张力系统),张力辊在运行的时候永远处于发电状态。所以,把控制张力辊的变频器配置相应的制动单元及自动电阻,将发电状态下的多余能量消耗掉。同样,在开卷张力开环系统中(开卷机与五辊矫直之间构成开卷张力系统),把控制开卷机的变频器也配置相应的自动单元及自动电阻。
4调试过程:
初步检查变频器,电机,旋转编码器的接线及参数设定。
·电机铭牌参数:
准确记录电机参数,并把数值分别设定到F1.00-F.05中。
·旋转编码器:
型号:EC40A6-L6AR-1024 瑞士(宜科)
注:原旋转编码器型号:E6B2-CWZ6C(欧姆龙)为客户选定
1024线输出,工作电压24VDC 长线驱动型,差动输出,8-24V HTL型编码器
注:重点检查旋转编码器与变频器的接线方式是否为差动式接线方式。
Fb.00=1024
Fb.01=0
Fb.02=0
Fb.03=5s
2.变频器对电机的自动调谐
正确输入电机铭牌参数,并认真核对。
检查电机与负载完全脱离,使电机处于完全空载状态,对电机进行自动调谐,以获得被控电机的准确电气参数,自动存入F1.11-F1.16参数组中。
注:电机运行时不能进行自动调谐。
3.在键盘控制模式下测试电机的驱动能力是否正常,编码器工作是否正常。
在开环矢量状态下,用键盘控制变频器对电机进行空载旋转,观察变频器运行状态一切正常,到电机旁,对电机进行仔细观察,看电机的安装平稳状况,电机轴的动平衡,电机是否有异常的声音。一切正常后,分别加不同频率进行空转。
在闭环矢量状态下 (F0.02=1,F3.06=3)运行,变频器起车报E001或E010故障,转到开环矢量状态后就恢复正常,经过几次测试结果相同。初步确定故障原因不在变频器,测量编码器开环矢量输出脉冲电压A,B与M之间8-13V波动,静态输出脉冲电压幅值为3.5V,检查屏蔽线接线完好,是单端接地。可能传输信号受干扰,现场没有欧姆龙编码器E6B2-CWZ6C的说明书,为了拿出充足依据让客户更换编码器,与欧姆龙客服反复沟通,得知E6B2-CWZ6C型的编码器传输距离只有10米,根本满足不了实际需求,旋转编码器为TTL输出。开路集电极输出编码器抗干扰能力差,不适合远距离工作。建议更换HTL型差动输出旋转编码器传输距离为100米。更换编码器后,变频器在闭环矢量模式下运行继续报E010故障。测量旋转编码器静态脉冲幅值电压A与A-,B与B-之间电压为22.5V,A、A-、B、B-与M之间电压为10.5V与旋转编码器正常工作状态相同,客户开始怀疑变频器有问题,经过反复调试结果不理想。询问客户,旋转变频器到变频器柜之间准确距离,可能是不足100米,为了逐步排除故障原因,自己亲自拿皮尺重新测量变频器柜与编码器之间的实际距离为130米,测试另外一组卷曲系统故障相同。最后,客户同意再次更换,把旋转编码器改型号为EC40A6-L6AR-1024 瑞士(宜科)。更换后测量旋转编码器静态幅值电压为20V,运行状态幅值电压为A与A-,B与B-之间电压为0V,A、A-、B、B-与M之间电压为10.9V符合TD3300变频器接口的要求,在张力开环模式下运行一切正常。
4.惯量补偿的应用。
在张力开环模式运行时,发现电机运行的不太平滑,频率有些波动,不管怎样调节参数的设置都无法消除。
启动调谐(F2.21= 1),变频器会自动辨识系统惯量。在现场进行辨识时,机器在加速过程中出现过流,将加减速时间延长,消除过流现象。机器两次加速到40HZ后,获取的系统惯量补偿系数和摩擦补偿系数,分别存入FC.12和FC.10。补偿之后运行发现电机经常运行到50HZ,速度也很快,满足不了工艺要求,时常报过流故障。改变加减速时间也不起作用,检查参数设置正确,考虑到不会有其它因素影响电机运行,试着减少摩擦补偿发现系统运行趋于平稳,同时对系统的惯量补偿也进行调节。经过多次调整,电机运行平稳,频率稳定,达到预期效果。
几次试车发现TD3300变频器启动时力矩突加较大,容易造成飞车,修改F3.12参数,使TD3300变频器启动时转矩模式限制输出转矩的变化率,减缓启动时力矩的突变,直到系统稳定运行。完全满足客户的要求,客户也非常满意。
3300参数设置:
F0.02=1 闭环矢量
F0.03=6 通讯设置
F0.05=6 通讯控制
F0.10=30s 加速时间
F0.11=20s 减速时间
F2.21 系统惯量调谐见说明书
F3.06=3 开环张力控制模式
F3.12=20s 转矩变化时间
F5.02=12 卷径复位1指令
F5.03=24 张力切换端子
F6.06= 按实际设置
F6.07= 按实际设置
F8.00=0 收卷模式
F8.02=10000N 张力数字设定(按工艺要求调节大小,不需设定由PLC通讯给定)
F8.03=30000N 最大张力
F8.07=50 张力锥度系数
F8.08=1 卷径来源计算
F8.09=2000 最大卷径
F8.10=620 空心卷径
F8.16=620 当前卷径
F8.17=1 张力方向设定
F9.00=6 波特率选择
F9.02= 本机地址(按实际设置)
FC.00=5 线速度输入选择
FC.03=90m/min 最大线速度
FC.09=8.1 静摩擦力矩补偿
FC.10=8.1 滑动摩擦补偿系数
FC.12=3.28 系统惯量补偿系数
6.卷径计算:
F8.08=1,卷径来源选择线速度计算,
FC.03=90m/min,工艺要求
此系统是SM-PROFIBUS-DP总线网络控制,卷径精确计算是在上位机实现的,在满足开环张力模式控制最大卷径设定即可。
结束语:
TD3300张力专用变频器首次成功应用于大型工矿企业热轧板的卷曲张力系统中,在无任何成熟案例和技术支持的情况下,通过不断的摸索,克服重重苦难,查阅大量相关资料,仔细推敲每一个技术细节,不放过任何一个有疑义的问题,经过长达28天的现场调试,最终达到所有设备稳定运行。为艾默生变频器应用开辟新的领域,为以后成熟稳定发展奠定基础。
作者简介:
王俊芳 男 工程师,现在鞍山新和电气有限公司技术部从事变频器及低压电气设计、调试和现场服务工作。
任惠峰 男 工程师,现在鞍山新和电气有限公司总工程师。



