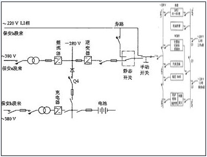
| 摘要:现代大型发电机组采用了复杂的计算机监控和安全保护系统,其交流220V电源要求稳定可靠,分秒不停。应运而生的不间断电源(简称UPS),满足了这种“苛刻”负载严格的需求,消除了电网电压瞬变波动对重要负载的影响。 关键词:UPS电源 现代大型发电机组采用了复杂的计算机监控和安全保护系统,其交流220V电源要求稳定可靠,分秒不停。应运而生的不间断电源(简称UPS),满足了这种“苛刻”负载严格的需求,消除了电网电压瞬变波动对重要负载的影响。 UPS电源对机组的安全稳定运行至关重要,UPS停电意味着停机停炉。如何提高UPS的可靠性,是现场技术人员经常思考的一个问题。 本文仅就黄埔发电厂5号、6号300MW机组UPS系统外围相关设备的规划、配置、选型及安装、调试、运行、维护方面多年来遇到的一些问题,进行分析研究,与同行交流切磋。 1 系统简况 UPS系统是一个多路电源输入的低压多端网络。网络的核心设备逆变器和静态开关等,是一套电子元件自动控制的电力装置。黄埔发电厂300MW机组UPS系统如图1。
图1 黄埔发电厂300 MW机组UPS系统 原设计主要设备技术规范为: a)整流器 输入参数——AC 380V,三相,50Hz,126A; 输出参数——DC 280V。 b)逆变器 输入参数——DC 210~280V,245A; 输出参数——AC 220V,50Hz,227A,50kVA; c)充电器 输入参数——AC 380V,三相,50 Hz; 输出参数——DC 160~310 V,250 A,65 kW。 2 系统电源的规划配置 2.1 电源配置分析 交流电源的取向,是UPS系统规划设计中的重要一环。 探索最佳方案,不妨从原理上进一步考究。电池的充电器与逆变前的整流器,同是三相半控桥,其功能是相似的。整流器承担着UPS的经常性负荷。充电器给电池浮充电,且与电池并列作为整流器的后备。旁路电源则是逆变器的后备。APS接带了部分热控次要负荷,并作为UPS的后备。据此,可以得出UPS系统电源配置的一般原则: a)整流器与充电器的电源应分别接至不同母线; b)旁路与整流器电源分开接不同母线; c)APS与旁路电源也应错开接不同母线。图1中的5路交流电源仅取自3段母线,其中的3路电源均来自保安b段。当UPS装置故障、逆变器检修或厂用电系统发生事故,在UPS装置静态开关已切换至旁路运行情况下,一旦保安b段失压,UPS母线和APS2母线均失电,WDPF和BMS控制系统就瘫痪了。 分析黄埔发电厂300 MW机组厂用电接线,2号及0号低压厂用变压器同接6 kV B段,6 kV A段失压时,0号变压器还可以自投为1号变压器所接的工作a段、保安a段供电,380 V工作a段及保安a段优胜于工作b段及保安b段。 鉴此,在减少改动的前提下,图1的电源配置还可以进一步调整: a)充电器改接至工作b段; b)APS2改接至保安a段。 电厂机组设有工作、备用高压厂用变压器及多台低压厂用变压器,还有柴油机或保安备用变压器,将UPS和APS的多路电源不重复地更合理地接至本机组不同的变压器和不同的低压母线,是可以办到的。机组事故解列后可能出现不同电源系统的频率不等,为了防止静态开关因不同步不能切换,或UPS与APS的切换因不同步而失败,这些电源应接入本机组同网络低压系统,而不宜接入公用系统或其它机组系统。 2.2 旁路及APS电源的相位 逆变器输出的单相交流电压与旁路电源的单相交流电压应该同步,才能并列转换。不论旁路取自交流的那一相,逆变器都可以调整输出电压,与旁路电压同频同相。 机组WDPF控制系统的DPU柜及计算、存储、记录站等电子设备由双电源供电,如图2所示。这是可控硅反向并联而成的二进一出的三端网络,UPS优先供电。UPS母线失压或欠压至一定值时,控制回路触发APS侧的双向可控硅,使其交替导通,并关断UPS侧的可控硅,由APS继续供电。这时的切换是先并后切,UPS电压正常后的自动回切也是先并后切。显然,在电压的相位和频率上,若UPS旁路侧与APS侧不一致,转换瞬间将短路或因差压大而产生很大的冲击电流,导致站内掉电及元件损坏。
图2 双电源供电 1991年,黄埔发电厂6号机组于UPS安装后期进行切换试验时,跳了许多开关,才第一次发现了相位不符、切换短路问题。其他电厂也有类似接错相位的情况。 必须指出,安装时接错了相位,不遇到UPS电压异常情况下的切换或回切,是不会觉察的。甚至许多开关跳闸了,若恢复时从UPS侧先送电(一般均如此),APS侧后送电,此时不会短路,仍掩盖了这个极大的隐患。 我们希望设计和施工部门,注意这一问题,图纸上标明相位,正确接线,防止类似现象重演。 2.3 APS的两路电源 APS1,APS2电源来自不同的变压器,不允许长期并列。如图1,一般应合上Q1,Q2,断开Q3。如果将Q1,Q2由手动操作改换为电动操作,或者加串交流接触器,联锁自投,还可以降低DPU和计算机站失电的概率。 2.4 UPS装置的冗余配置 有的电厂工程,制造厂商在旁路电源上加配了一套交流稳压器。有的技改工程,在APS侧另加1套UPS,1台机组用2套UPS装置。 看来UPS电源的配置方案,值得商榷。笔者认为: a)使用UPS的目的,并非发电厂的电压质量不能满足计算机系统的要求,而主要是为了不停电。1套UPS装置,本身已有电池和充电器冗余备用,旁路电源只是在逆变器输出故障情况下暂时起作用。计算机系统有时发生“掉站”和芯片元件损坏事件,非旁路电压波动所致。计算机系统各站主机硬件,带有自保护功能。旁路电源系统应该简化,而且可以简化。 b)逆变器是UPS系统的“瓶颈”。从多年的运行经验看,逆变器的控制部分故障率相对较高。有条件的工程,可以考虑1套UPS装置配2套独立的逆变器。双逆变配置,比旁路稳压器或2套UPS装置的方案,更合理、实用、简单。 c)热控重要负荷才需要接入UPS母线,而最重要的负荷(DPU和计算机站)则由UPS和APS双侧电源自动切换供电。APS侧再加1套UPS装置的方案是不可取的。如果硬要双UPS,其输出均应接UPS母线。 d)UPS装置的配置,力求科学合理。提高UPS的可靠性,不能过多依赖增加备用设备,而要从维护和管理上下功夫。冗余太多令装置复杂化,投资增加,利用效率却很低,故障率也可能更高了。 3 系统容量估算选配 3.1 UPS的输出容量 欲使UPS的容量确定得比较恰当,须进行详细的负荷统计,并搜集同型运行机组的实际资料。 负荷统计,需要搜集负荷的同时率、功率因数、经常性电流和最大可能的冲击电流等资料。 UPS的逆变器设有过载保护,输出电流超过(1.2~1.25)In时,将自动切换至旁路供电。为了避免多台负载同时启动迭加冲击电流,频频出现切换及回切,而且主回路元件不至于过热,UPS容量留有足够的余地是必要的,但容量富裕应有度。 黄埔发电厂300 MW机组UPS的输出容量,初拟30 kVA,136 A。与美国西屋公司洽谈后改为50 kVA,227 A。投产后的实际负荷,交流侧一般为90~100 A(直流侧约125 A),偶而达110~120 A。如选30 kVA,136 A,负荷率为110 A/136 A=0.73,容量有点偏小。如选40 kVA,182 A,负荷率为100 A/182 A=0.55,低于规程推荐值0.6,裕度系数为182 A/100 A=1.82,高于推荐值1.6,才是比较恰当的。 3.2 整流器(充电器)输出容量 UPS设备的功率关系见图3。
黄埔发电厂300 MW机组逆变器输入功率为 P2=UDC×IDC=280 V×245 A=68.6 kW. 以SCI公司推荐的公式计算整流器输入视在功率, S1=Uex×Iex×Ce/(kPF×η1). 式中 S1——整流器输入视在功率,VA; Uex——整流器输出电压,V; Iex——整流器输出电流,A; Ce——整流器过负荷因数(1.2~1.5); kPF——波峰因数(一般为0.8); η1——整流器效率(0.92~0.94)。 可得: S1=210 V×245 A×1.2×/(0.8×0.93)=82.9 kVA. 整流器输入功率因数 λ1=P2/(S1×η1)=68.6/(82.9×0.93)=0.889, UPS效率 η=S3/S1=50/82.9=0.603. 假定UPS负荷的功率因数λ=0.7,则逆变器输出有功功率 P3=S3×λ=50 kVA×0.7=35 kW, 逆变器效率 η2=P3/P2=35/68.6=0.51. 可见,整套UPS的效率是比较低的,这是由于各环节存在损耗。如果UPS的容量选择过大,实际负荷偏低,利用率低,效率则更低。 在充电器已选定输出功率65 kW情况下,参照上述公式,计算得整流变输入容量为87.3 kVA。国产充电器的整流变原设计选配输入容量140 kVA,偏大了。 鉴于整流、逆变各环节交直流侧P,U,I等参数换算与整流、逆变的方式、线路及负荷等有关,准确计算比较复杂,我们期待设计规程提供一套UPS系统适用的基本公式,作为容量选择估算的依据。 4 UPS专用电池个数的选择 4.1 认识上的反思 1988年,黄埔发电厂300 MW机组开始安装,笔者是甲方代表,初接触静态逆变的UPS,对其原理和特点还了解甚少,在UPS电池个数选择上走了一段弯路。原设计电池为日本汤浅公司生产的QFD-250型,250 Ah,碱性,180个,浮充电压1.35 V×180=243 V,均充电压1.47 V×180=264.6 V。拿一般直流系统去套,认为直流电压偏高,会缩短继电器、信号灯等元件寿命,遂提出建议减少电池。经设计代表、乙方代表同意,变更为171个,浮充电压231 V,均充电压251 V。 1991年9月26日,5号机组投产2 a后,进行UPS试验。断开整流器、充电器后不到10 min,电池从231 V急剧跌降至210 V,逆变器输入侧开关Q4跳闸,切至旁路。均衡充电10 h后,重新试验,放电约20 min,Q4跳闸。 电荷量Q=250 Ah电池,以2 h率电流放电(Q/2 h=125 A),为何不到0.5 h电压就跌至210 V呢?笔者认为主要是电池个数偏少。逆变器输入210 V跳闸时,单个电池电压为210 V/171=1.23 V。电池以0.5Q/h电流放电,允许终止电压为1.05 V,1.23 V以下的有效容量未充分利用。查QFD电池放电系数k=0.5 h-1的放电电压曲线,当电池降至1.23 V的时间约20 min,与前述试验结果相符。为此,1992年2月笔者草拟了UPS电池改进的意见,电池加装至186个。验算其放电至210 V时,单个电池仍有210 V/186=1.13 V,查k=0.5 h-1放电电压曲线,放电可持续约1.5 h。 QFD电池放电电压曲线见图4。 ![]() 图4 不同放电系数的放电电压曲线 4.2 对原设计的分析及修正 原设计计算书,以电池电电流227 A,0.5 h,放出电荷量113.5 Ah,45.4%容量,查0.908 h-1放电电压曲线,放电0.5 h单个电池电压1.17 V,电池个数n=210/1.17=180。 这里纠正两点: a)逆变器输入电流,即电池放电电流计算值应为245 A,而非227 A; b)考虑UPS电池的放电时间0.5 h,此时的电压1.17 V不是电池的终止放电电压。 修正计算如下: 按电池放电系数 k=IDC/Q=245 A/250 Ah=0.98 h-1, 查0.98 h-1≈h-1放电电压曲线,得终止放电电压为1.03 V。防止个别落后电池过放电损坏,留有余地,终止放电电压取Upn=1.03 V×1.04=1.07 V。电池个数n为逆变器最低输入电压UDC,min与电池终止放电电压Upn之比,即 n=210/1.07=196. 验算应满足条件: a)放电0.5 h后的单个电池电压应不小于电池的终止放电电压; b)放电0.5 h后的整组电池电压应不小于逆变器最低输入电压; c)放电至逆变器最低输入电压时单个电池电压应不小于电池的终止放电电压; d)放电时间不小于30 min。 经验算,n=196满足上述条件。 4.3 讨论 由于UPS的逆变器设置了低电压保护,为了充分发挥电池容量,希望UPS专用电池的个数多一点,放电至逆变器低电压跳闸时的单个电池电压低一点,以延长放电时间;而为了保护电池,电池个数应少一点,放电后期单个电池的电压才不致于过低,以防止过放电。设计人员应适当地处理这一矛盾。 电池放电时间与电池个数密切相关。在输出电流245 A,选定250 Ah电池条件下,若选196只,可以放电46 min,单个电池电压至1.07 V时放出76%容量(190 Ah);若选186只,至210 V/186=1.13 V时,放出49%容量(122.5 Ah),可以放电30 min;若选180只,至1.17 V时只能放出28%容量(70 Ah),持续时间仅有17.2 min,达不到期望值30 min。由此可见,充分的容量还要搭配足够的个数,才能发挥电池应有的效能。 5 逆变器输入电压的选择 逆变器输入电压的范围,与电池、充电器的选型有关。逆变器输入端与电池及充电器的输出端连接,中间一般设隔离二极管。逆变器正常输入电压,应高于电池正常浮充和均衡充电时的整组电压,电池才不会轻易放电。 为了防止电池过放电而垮掉,逆变器必须有低电压保护。这一保护定值,就是逆变器输入电压的下限,它直接决定着电池个数及直流系统电压,也影响着电池容量。 逆变器输入电压的上限,制约着电池的初充电和均衡充电。如选QFD型电池196只,长期浮充电压为1.35 V×196=264.4 V,超过了220 V×(1+10%)的范围,元件寿命大降;均充电压为1.47 V×196=288 V,初充电压为1.63 V×196=319 V,已高于逆变器输入电压的上限280 V,初充和均充时必须退出电池,而且也超出了GZKC2型充电器输出电压的上限310 V。此外,整流器输出电压实际值只有278 V,有时还出现波动。基于上述考虑,UPS改进后电池仅加装至186只是比较合适的。 6 结束语 a)从优化电源布局和操作需要出发,由设计部门绘制一张包含电源及负荷的UPS系统总图是很必要的。不少工程,恰恰欠缺了这张图。制造厂家系数列产品通用图或一般原理方框图,不能代替实际系统图施工图。运行部门总是希望设计部门消化厂家资料后,另出一份确认的图纸。电厂正常生产后,也应复制一套符合现场实际的竣工图。 b)UPS外围设备与厂用电和直流系统密切相关。电气人员比较熟悉电源,而热控人员则比较熟悉负荷分配和UPS装置。UPS装置的选型订货,又常与机炉控制系统一起考虑。因而,专业之间协调,才能规划设计出好的方案,避免接口上出现疏漏。UPS装置的监视、停送电和倒换操作,一般由熟悉电气系统的运行人员执行;但负荷端的UPS、DPU、APS柜内的开关,宜由热控人员操作。生产单位只有加强管理,明确职责,分工分界,才能管好UPS。 |
(转载)







