摘要:文章介绍了艾默生公司变频器EV2000系列在钢厂璇流井恒液位变频节能控制中的应用。
Abstract: Adoption of EV2000 inverter of Emerson in liquid level control
关键词:变频器 超声波液位仪 PID恒液位控制 数传电台
前言:
包钢带钢厂璇流井水系统是为轧线供生产用水,整个水系统是循环运行的。为保证璇流井内水位保证基本平衡,通过5#泵(110KW)将水池内循环水再抽到外面,防止水溢出。由于原有系统采用软启动启动,不能调节转速,水位的控制依靠人为值守,来通过开阀和关阀来控制。否则在低液位会造成水泵抽真空而损伤泵体(气蚀);高液位则会淹没水泵房造成停电事故。为此,我们设计变频恒液位控制系统,液位检测采用超声波液位器(百特公司),通过变频器内部PID构成液位闭环,实现液位的自动恒定控制。
1、变频恒液位控制系统构成
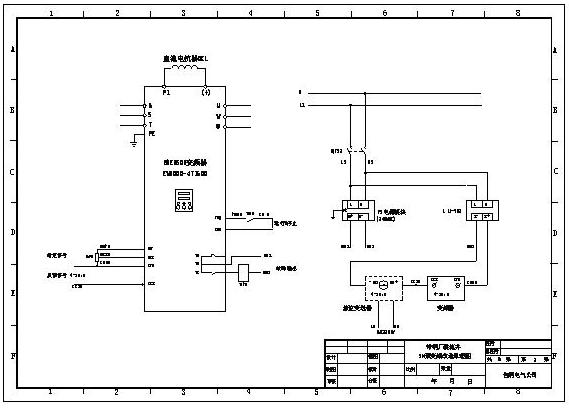
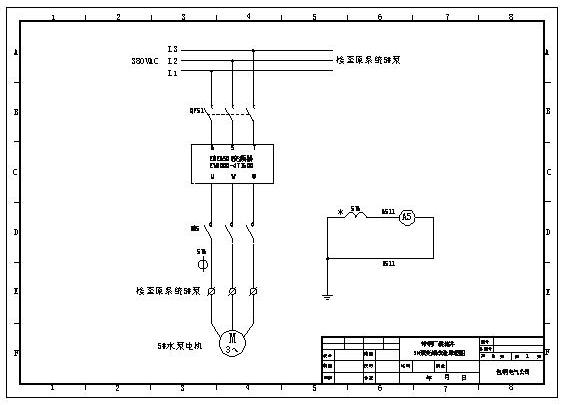
系统水泵电机为110KW,四级,转速1480r/min。设计采用EV2000-4T1100P系列通用变频器作为水泵电机控制核心。液位检测采用百特工控公司生产FBSON-Y-05-N系列超声波物位检测仪,供电电源为AC220V,一体式安装。量程最大可达到5米,实际检测水位最高1.85米。系统原理图附图一至三。
采用一台EC20-1006BRA作简单的继电连锁,除了和旧系统进行连锁(互锁),还有变频器的简单启动和停止及报警。本系统还另外装有一台EC20-1006BRA,通过串口与一台数传电台相通讯(MODBUS),来实现和另外一个水泵房(净环泵房)实现连锁。当璇流井有高液位报警时,通过PLC及数传电台传送到净环泵房,由操作人员确定水泵的启动和停止(由于二者距离太远,且不适合电缆敷设,所以采用无线数传的方式)。 其中璇流井内PLC设置为主站,净环内PLC为从站。数传电台采用深圳科立讯生产的PT6080无线数传电台是利用先进的单片机技术,无线射频技术,数字处理技术设计的功率较大,体积较小的模块式半双工数传电台,采用SMT新工艺,选用高质量的元器件。抗干扰能力强,精致坚固,结构紧凑,安装方便。数话兼容,数传可优先。RS232、RS485及TTL多种接口可供选择,适应面宽。参见下面原理图:
2、变频恒液位控制参数及工作原理:
2.1 EV2000 通用技术规格:
|
输入 |
额定电压;频率 |
三相,380V~440V;50Hz/60Hz |
|
允许电压工作范围 |
电压:320V~460V;电压失衡率:<3%;频率:±5% | |
|
输出 |
额定电压 |
380V |
|
频率 |
0Hz~650Hz | |
|
过载能力 |
G型:150%额定电流1分钟,200%额定电流0.5秒; P型:110%额定电流1分钟;150%额定电流1秒 | |
|
主要控制性能 |
调制方式 |
磁通矢量PWM调制 |
|
调速范围 |
1:100 | |
|
起动转矩 |
0.50Hz时180%额定转矩 | |
|
运行转速稳态精度 |
≤±0.5%额定同步转速 | |
|
频率精度 |
数字设定:最高频率×±0.01%;模拟设定:最高频率×±0.2% | |
|
频率分辨率 |
数字设定:0.01Hz;模拟设定:最高频率×0.1% | |
|
转矩提升 |
自动转矩提升,手动转矩提升0.1%~30.0% | |
|
V/F曲线 |
四种方式:1种用户设定V/F曲线方式和3种降转矩特性曲线方式(2.0次幂、1.7次幂、1.2次幂) | |
|
加减速曲线 |
三种方式:直线加减速、S曲线加减速及自动加减速方式;四种加减速时间,时间单位(分/秒)可选,最长60小时 | |
|
直流制动 |
直流制动开始频率:0.20~60.00Hz; 制动时间:0.0~30.0秒; 制动电流:G型:0.0~100.0% P型:0.0~80.0% | |
|
点动 |
点动频率范围:0.20Hz~50.00Hz;点动加减速时间0.1~60.0秒可设,点动间隔时间可设 | |
|
多段速运行 |
通过内置PLC或控制端子实现多段速运行 | |
|
内置PI |
可方便地构成闭环控制系统 | |
|
自动节能运行 |
根据负载情况,自动优化V/F曲线,实现节能运行 | |
|
自动电压调整(AVR) |
当电网电压变化时,能自动保持输出电压恒定 | |
| 自动限流 | 对运行期间电流自动限制,防止频繁过流故障跳闸 | |
| 自动载波调整 | 根据负载特性,自动调整载波频率;可选 | |
|
客户化功能 |
纺织摆频 | 纺织摆频控制,可实现中心频率可调的摆频功能 |
| 定长控制 | 到达设定长度后变频器停机 | |
| 下垂控制 | 适用于多台变频器驱动同一负载的场合 | |
| 音调调节 | 调节电机运行时的音调 | |
| 瞬停不停机控制 | 瞬时掉电时,通过母线电压控制,实现不间断运行 | |
|
捆绑功能 |
运行命令通道与频率给定通道可以任意捆绑,同步切换 | |
|
运行功能 |
运行命令通道 |
操作面板给定、控制端子给定、串行口给定,可通过多种方式切换 |
|
频率给定通道 |
数字给定、模拟电压给定、模拟电流给定、脉冲给定、串行口给定,可通过多种方式随时切换 | |
|
辅助频率给定 |
实现灵活的辅助频率微调、频率合成 | |
|
脉冲输出端子 |
0~50kHz的脉冲方波信号输出,可实现设定频率、输出频率等物理量的输出 | |
|
模拟输出端子 |
2路模拟信号输出,分别可选0/4~20mA或0/2~10V,可实现设定频率、输出频率等物理量的输出 |
2.2为实现璇流井内恒液位控制,我们采用给定电位计作为液位给定,反馈采用超声波液位(变送输出4-20MA)。通过变频器内部的PID调节器做压力闭环调节。变频器参数设置如下:
FP.01=0 参数写保护选择,全部参数允许改写
F0.00=3 给定为VCI模拟给定
F0.03=1 端子运行
F0.04=0 转向为正向
F0.08=1 负载为风机类
F0.10=15 加速时间
F0.11=15 减速时间
F0.14=1 V/F曲线设定(2次幂,泵类负载特性)
F5.00=1 闭环运行有效
F5.01=1 给定为VCI
F5.02=1 反馈为CCI(注意要做调线改动),超声波输出
F5.09=20 最小给定量对应反馈(4mA ,相对于20mA为20%)
F5.12=0.10 比例增益
F5.13=0.05 积分时间
FH.00=4 四极电机
FH.01=110 功率110KW
变频器内部PID控制框图:
2.3超声波参数设置
a、测量模式选择:距离测量
b、测量范围:0-185cm
c、响应速度选择:慢速
d、安全物位:保持
超声波工作电压220VAC,输出信号为4-20MA
为可靠检测液位,使用超声波变送器必须使其响应速度较慢。这是因为过快的响应速度,会造成外界干扰信号的扰动,使液位信号变化太快,影响了正常的设备运行。降低速度,可以使信号综合平均后输出实际稳定电流信号。
3、实际运行效果
经过现场一段时间的运行,变频恒液位运行效果非常好。当用电位计设定一个液位高度后,变频器以恒液位控制方式运行。当液位设定为70cm,实际检测璇流井内的液位基本在60-80cm之间恒定。当液位低于70cm,变频器频率降低,直到最后停止在最低运行频率(20HZ)。这是因为如果变频器运行频率过低,水泵的扬程不够,电机功率白白损耗掉,不利于节能运行。设置最低运行频率,能够使水泵扬程达到要求(璇流井内循环水不会造成在最低的运行功率下导致液位过低而水泵抽真空)。变频器的频率一般在生产的时候达到35-45HZ左右,这样的节能率是非常高的(40%左右),而且恒液位控制大大的降低了操作人员的劳动强度。当由于某种原因造成液位过高时,通过EC20 PLC和数传电台还可以为上级泵站提供信号,实现泵站水系统的连锁控制,保证了正常的生产供水要求,同时也大大地节约了电能(35%以上),为包钢节能降耗工程作了一个典范工程。
附原理图如下:
参考文献
①EV2000系列通用变频器 艾默生网络能源有限公司
②新型PID控制及其应用 机械工业出版社 陶永华
③EC20使用手册 艾默生网络能源有限公司
④通用变频器及其应用 机械工业出版社 韩安荣
⑤百特工控现场仪表选型手册 福州福光百特自动化设备有限公司
(转载)



