摘 要:电力机车机械式放电开关由于受接触火花、触头氧化、接触电阻、工作环境等因素的影响,使其放电回路内阻增大,致使放电开关无法使电容器的残压完全释放,由此威胁工作人员的人身安全。采用自放式电子放电开关,对电力机车功补电容放电装置改进,使电容器残压的释放更迅速、更可靠,同时起到对进入高压室前的工作人员提示是否有电的作用,防止人员触电事故的发生。
关键词:电力机车;功补电容;放电装置;自放式;电子放电开关
韶山7型电力机车功补电容的残压泄放,是通过机械式开关与电阻构成放电回路对电容进行放电的。功补电容放电开关的动触头与静触头的开闭,是通过高压室门联锁的旋转,经人为转动使放电开关闭合,从而达到放电的目的。由于高压室门联锁的转轴每次转动的速率不一致,在动作过慢时会造成触头拉弧现象发生,导致触头氧化及接触电阻增大,致使放电开关无法使电容器的残压完全释放,严重时根本无法放电,由此严重威胁司乘人员和检修人员的人身安全。为了解决这一安全难题,防止工作人员触电事故发生而对功补电容放电装置进行改进。
1 方案选择
方案 l:使用大功率双向可控硅及光电、互感两次隔离,外接信号源控制开通式电子放电开关。该方案主放电回路与外接控制信号回路进行光电、互感两次隔离,控制可靠,抗干扰能力强,无放电死区,但成本高,内部电路及外接电路繁杂。
方案 2:使用大功率双向可控硅及光电、互感两次隔离,自放式电子放电开关。该方案自放式电子放电开关无须外接控制电路,与机车原放电回路连接简单,安全可靠。
结合在机车上的安装位置及连接方式,及可控硅的导通和截止特性,方案2更适合电力机车设定要求。
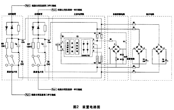
2 电路组成
自放式电子放电开关,由主放电回路(由大功率双向可控硅及放电电阻构成放电回路)、自储控制电路和显示电路组成(见图1)。

2.1 主放电电路
主放电电路由CK及外围元件C1、D1、R1、K1、K2、RZl、RZ2组成(详见图2),其中Cl为旁路电容,减少电源中的高频电流成份对功率放电厚膜CK控制端的干扰。D1为功率放电厚膜CK控制端的稳压二极管,其输入电压稳定在l2V范围内。R1为功率放电厚膜CK控制端的限流电阻。CK为大功率放电厚膜,对放电回路起开闭作用。Kl、K2为跳闸开关,限定放电电流不得超过l0A。RZ1、RZ2为功补装置电容器Cg的放电电阻。
2.2 自储控制电路
自储控制电路由R2、ZN1、R3、D2、D3、C2、K3组成(详见图2),其中R2、R3为降压电阻,功补电容器两端电压经Rl、R2分压向整流桥ZN1供电。ZN1为整流桥,把Rl、R2分压的交流电变换为直流电。D1、D2为稳压二极管,把整流桥输出的直流电稳定在24V范围内,向电容器C2充电,C2为储能电容,K3为高压室门联锁开关。
2.3 显示电路
显示电路由R4、R5、ZN2、D4组成(详见图2),其中R4、R5为分压电阻,ZN2为换向桥,D4为LED显示灯。
3 工作原理
3.1高压室门关闭 机车高压室门关闭时,门联锁开关K3断开,功率双向可控硅厚膜CK控制l、2端失电,其输出3、4端处于关断状态,功补装置电容器Cg无放电回路。
3.2 升弓合主断路器 当机车牵引运行时,机车电子柜检测主变压器无功功率达650kvar时,牵引绕组功补装置投入,功补电容两端电位通过K1、R2、ZN1、R3向放电装置自储电路储能电容C2充电直至达24V。
3.3 降弓断主断路器由于功补装置电容器Cg储蓄电荷,通过功补电容两端经R4、ZN2、D4、R5使LED亮,显示电容柜电容有电,打开高压室门,门联锁开关K3闭合, 自储电容C2两端24V经K2、R1向功率双向可控硅厚膜CK控制l、2端放电,其输出3、4端导通,功补电容Cg电荷经K1、CK、RZ形成放电回路,直至功补电容两端电位低于1.4V双向可控硅截止,LED灯灭表示放电完毕。

4 装置的主要技术参数
工作温度:一4℃~85℃
双向可控硅:2组;
最大放电电压:DC 2000V:
最大放电电流:DC 10A:
开通电压:DC l2V;
开通电流:DC 100IliA:
自储电压:DC 24V
自储放电时间:(DC:24V)≥5 S
主放电时间:(额定电压AC:630V)≤2 S
5 应用效果
电力机车功补电容放电装置于2004年3月加装改造成功,2004年4月进行车载功补投人放电试验。在试用初期发现放电开关在放电时,时有因放电电流过大而造成跳闸开关动作,针对这个问题,经多次跟车排查原因,重新改变放电开关双向可控硅的门极电路,使开通角由小到大逐步开通,并通过试验改进后,完全解决了上述问题。
改造后的电力机车功补电容放电装置于2004年5月,在南宁机务段韶山 型电力机车安装应用,至今工作正常,使电容器残压的释放更迅速、更可靠,同时起到对进入高压室前的工作人员提示是否有电的作用,从而避免触电事故发生,为工作人员提供了可靠的安全保障。整套装置结构简单,安装方便,安全可靠,是一套较好的安全装置。
(转载)



