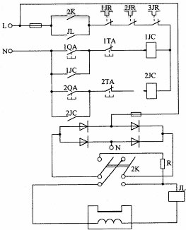
磨床电磁吸盘是一个用来吸牢工件,使工件能被安全加工的一个重要装置。为了防止因故吸盘对工件吸力不足(或失去吸力)而导致工件飞出,造成工件损坏或人身事故,目前生产中所用磨床的电磁吸盘电路采用的是单重保护,即只用一个欠流继电器JL作欠流保护,如图1所示。笔者在实践中发现两个问题:一是当出现欠流故障时,而欠流继电器JL的常开接点JL因故又不能松开时,将失去保护作用,容易出现事故;二是当吸盘线圈出现断线(或接触不良)故障时,没有报警功能,一方面不能引起操作者注意,另一方面维修时一时判断不准。

图1改进前的控制电路
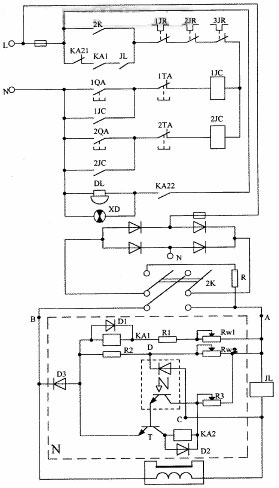
2改进后的吸盘电路及工作原理
2.1改进后的吸盘电路
为了克服上述存在的问题,在原电磁吸盘电路的基础上进行改进,改进后的吸盘电路,如图2所示,改进后的电路具有多重保护和报警功能。

图2改进后的控制电路
2.2工作原理
图2中的电路N部分是新增的控制电路。它使吸盘电路增加了二重保护及声光报警功能。继电器KA1和电阻R1、RW1支路构成吸盘失(欠)压保护电路,RW1的串入是为了确保在KA1闭合的电压范围内,吸盘吸力在允许范围。若AB两端电压正常,KA1的常开接点闭合,为电机的启动作好准备;若AB两端无电压(或电压降低,如全波整流因故变成半波整流)时,KA1的常开接点断开,电机控制支路断电,电机停机,达到了失(欠)压保护作用。N的其余部分是吸盘线圈断线或接触不良时的保护及报警电路。
若工作正常,N中的CD两端电压UCD<0.9V,光电耦合器截止,三极管T也截止(由于光耦器输出电流较小,故用三极管T来放大电流作为驱动元件),继电器KA2线圈不通电,其常闭接点KA21闭合,为电机的启动做好准备,其常开接点KA22断开,电铃DL不响,报警指示灯XD不亮;若吸盘线圈断开(或接触不良),N中的CD两端电压UCD>09V,光耦器导通,三极管饱和导通,KA2线圈获电,其常闭接点KA21断开,电机控制支路断电而使电机停机,达到了保护作用;同时常开接点KA22闭合,电铃DL响,信号灯XD亮。起到声光报警的功能。欠流继电器JL的保护作用与原电路一样。
3元件的选取
继电器KA1、KA2选为同型号的直流继电器,接点电流小于(AC220V)5A,线圈额定电压为12V。电阻R1和R2相同,由公式:
R1=R2=(UAB-12)/IKAN,
式中IKAN——继电器线圈额定电流
确定其值,其功率不小于I2KANR1,根据经验,为了达到RW1串入的目的,RW1取值约为R1的2%。电阻R3取为100kΩ,RW2选20kΩ,其值在实际电路中调节到:正常时不报警,吸盘故障时报警即可。电阻功率不小于1W。
二极管D1、D2、D3为同类型整流二极管。其反向电压不小于2UAB;三极管T选为开关管,其集射极反向工作电压不小于2UAB;光耦合器选为GD325。
电铃DL选工作电压为220V的小电铃,信号灯XD选工作电压为220V的红色灯泡。
4结束语
改进后的磨床电磁吸盘电路控制部分结构简单,制作方便,与原吸盘电路联接简捷,且不改变原系统的接线。工作稳定可靠,安全程度大大提高。在M7130卧轴矩平面磨床上应用此改进方法,使用者反映效果极好。该改进方法可适用于各种磨床。由于采用冷挤压工艺,硬模的质量将直接影响到滚子上模的质量。因此,在加工硬模时,要求较高,特别是型腔粗糙度要求达到Ra0.8以上,硬模型腔深度比滚子上模型腔深度加深0.05~0.08mm,型腔实际尺寸用样板检查。
(转载)



