1.前言
铝型材经过挤压成型之后,一般都需要经过表面工艺处理之后,才能作为成品使用。经过阳极氧化电解着色表面处理工艺的铝型材,其表面将得到一层具有良好的耐磨性、耐晒性、耐热性、耐蚀性和色泽稳定持久的氧化膜,被广泛应用在建筑和室内外装饰行业上。
在铝型材阳极氧化电解着色表面处理工艺中,有一道电解着色处理工序,是在铝型材表面阳极氧化工序之后,电泳或封孔工序之前,对需要着色的铝型材进行的一道工序,其原理是在槽体溶液中通过电化学作用使铝型材表面附着某些金属离子,从而显示出某一类的颜色来。不同的槽体溶液配置及工艺方法,铝型材电解着出的色彩效果也不一样,对所要求的着色电源提供的电流或电压的大小、波形及工作时间长短也不同。
其中有一种由日本发明的着色方法称为均匀化着色方法,可在较短的时间里得到效果好、颜色均匀的着色氧化膜。这种着色方法由于生产效率高,成品率高,已在日本广泛应用,目前在国内也正在逐步推广开来。
2.着色电源系统要求
配合均匀化着色方法的着色电源(简称均匀化着色电源)需按规定要求输出电流波形。均匀化着色电源的工作过程是:首先输出正向直流电流(称为P处理)一段时间,然后输出频率为1~30Hz范围内特定值,正负方波占宽比为0.005~0.30内特定值的脉冲电流(称为C处理)一段时间,接着再进行一次C处理(称为C2处理)一段时间,如图1所示。在工厂生产中,C处理常用的频率为5Hz,正负方波占宽比为1:9,C2处理根据工艺的要求来选择可有可无。
图1 均匀着色电源输出波形
均匀化着色电源的主要功能要求如下:
(1)输入电压及范围:三相、频率50Hz、380V±20%;
(2)额定输出电压:±30V~±80V;
(3)额定输出电流:1000A~4000A;
(4)最小输出电流:额定输出电流的10%;
(5)输出电流精度:±3%以下;
(6)输出电流纹波:7%以下(在额定电流的30%~100%内);
(7)入槽静泡时间:可在10~3000s内设定;
(8)P处理时间:可在0~3000s内设定;
(9)P处理与C处理间隔时间:可在10~3000s内设定;
(10)C处理时间:可在0~3000s内设定;
(11)C处理时脉冲周期:200ms(可根据要求在20ms~300ms范围内修改);
(12)C处理时正脉冲宽度:20ms(可根据要求在10ms~100ms范围内修改);
(13)能满足二次C处理的要求;
(14)能满足补色(即再进行C处理)的要求;
(15)有必要的保护措施。
3.着色电源系统组成及工作原理简介
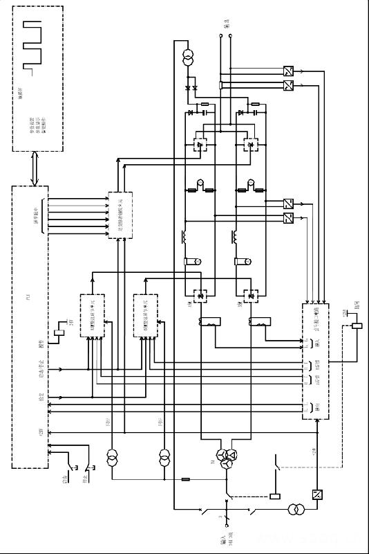
为实现上述的输出波形及满足工艺要求,设计的均匀化着色电源原理如图2所示。均匀化着色电源主要由主回路和控制部分组成。

图2 均匀化着色电源原理图
3.1主回路
主回路包括进线断路器,整流变压器TM,三相全控整流桥A组、B组,电抗器,逆变部分等。整流变压器TM付边采用双绕组的形式,一组Y接法,连到一整流桥A组,另一组Δ接法,连到另一整流桥B组。整流桥各自整流后经电抗器滤波,再逆变,然后并联输出。

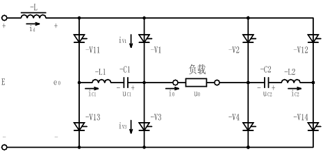
图3 逆变电路
图3是其中一组逆变部分的主电路图,如图所示,当主臂晶闸管V1、V4导通时,电流经电抗器L、主臂晶闸管V1,流向负载,然后从主臂晶闸管V4流回,此时负载承受的是正向电压、电流,当要使负载承受反向电压、电流时,首先应关掉主臂晶闸管V1、V4的控制脉冲,然后控制辅助晶闸管V11、V14导通,使电容C1、C2放电再反向充电,强迫关断主臂晶闸管V1、V4,接着关掉辅助晶闸管V11、V14的控制脉冲,再控制主臂晶闸管V2、V3导通,这时电流经电抗器L、主臂晶闸管V2,流向负载,然后从主臂晶闸管V3流回,此时负载承受的就是反向电压、电流。要使负载从承受反向电压、电流转换到承受正向电压、电流,其原理一样,先关掉主臂晶闸管V2、V3的控制脉冲,然后控制辅助晶闸管V12、V13导通,使电容C1、C2放电再反向充电,强迫关断主臂晶闸管V2、V3,接着关掉辅助晶闸管V12、V13控制脉冲,再控制主臂晶闸管V1、V4导通,就完成了负载从承受反向电压、电流到承受正向电压、电流的转换。主臂晶闸管和辅助晶闸管的导通是通过PLC发出的逆变脉冲来控制的,由于负载承受正向电压、电流向反向电压、电流转换,或由反向转换到正向,都是在极短的时间内完成(一般只有几百个微秒),因此PLC的选型和编程设计将直接关系到整个逆变部分的正常工作和输出波形的准确性。
3.2控制部分
控制部分包括A组、B组整流调节单元,逆变脉冲触发单元,信号接口电路,可编程逻辑控制器PLC和触摸屏等。
A组、B组整流调节单元主要功能是按照PLC发出的给定信号来调节三相全控整流桥输出的电流,其内部包括PI调节电路、移相触发电路、功放电路等。
逆变脉冲触发单元主要是接收PLC的逆变脉冲,对逆变脉冲再进行调制、功放后控制逆变部分的主臂晶闸管和辅助晶闸管准确可靠的导通,从而实现P处理和C处理的波形输出。
信号接口电路主要功能是对各种信号进行整理变换,以满足各个单元对信号的需求。
可编程逻辑控制器PLC选用西门子的S7-200 CPU226 DC/DC/DC 和一模拟量扩展模块EM235组成。PLC作为本电源系统的核心控制器件,主要完成下列功能:
(1)开、停机控制;
(2)运行流程控制;
(3)逆变部分晶闸管的导通控制;
(4)整流给定控制;
(5)电源装置状态量的采集;
(6)模拟量采集;
(7)设置、显示参数的计算;
(8)与触摸屏通讯。
PLC输入输出定义如表1所示。
表1 PLC输入输出定义
输入地址 定义 输出地址 定义 I0.0 启动(外部按钮) Q0.0 0脉冲 I0.1 停止(外部按钮) Q0.1 1脉冲 I0.2 总开关合 Q0.2 2脉冲 I0.3 着色材料入槽 Q0.3 3脉冲 I0.4 紧急停止 Q0.4 4脉冲 I0.5 备用 Q0.5 5脉冲 I0.6 备用 Q0.6 整流 I0.7 备用 Q0.7 装置故障 I1.0 A组快熔熔断 Q1.0 合总开关 I1.1 B组快熔熔断 Q1.1 分总开关 I1.2 同步故障 Q1.2 装置运行信号 I1.3 电源失压 Q1.3 电容预充电 I1.4 A组整流过压 Q1.4 着色完成 I1.5 B组整流过压 Q1.5 备用 I1.6 A组过流 Q1.6 备用 I1.7 B组过流 Q1.7 备用 I2.0 逆变过流 I2.1 冷却水水压偏低 I2.2 冷却水水温过高 I2.3 电容预充电接点返回 I2.4 备用 I2.5 备用 I2.6 备用 I2.7 备用 AIW0 A组电压(模拟量) AQW0 给定输出(模拟量) AIW2 B组电压(模拟量) AIW4 逆变输出电压(模拟量) AIW6 逆变输出电流(模拟量)
触摸屏采用Hakko的MONITOUCH V708C型彩色触摸屏,与PLC之间进行点对点(PPI)通讯。触摸屏主要实现如下功能:
(1)表计功能指示;
(2)装置的启动、停止操作;
(3)增、减操作;
(4)进线断路器的分、合操作;
(5)电流调节设置;
(6)着色档选择;
(7)生产工艺过程选择;
(8)P处理时间、间隔时间、C处理时间设置;
(9)装置状态显示;
(10)装置故障闪烁报警。
4.软件编程
软件主要由触摸屏程序和PLC程序组成。
触摸屏共编辑了25个画面,包括1个主显示操作画面、16个着色档参数设置画面、1个补色参数设置画面、2个着色数据查询画面、1个PLC内部数据查询画面、1个时钟调整画面和2个欢迎画面、1个帮助画面。当电源装置出现故障时,触摸屏还会自动弹出故障小画面,并以红色闪烁报警,引起运行人员的注意。触摸屏的画面不仅完成了上述的功能,而且良好的中文界面非常方便用户操作使用。
着色电源的操作执行、控制、设置参数的计算等都是通过PLC的程序来实现完成的,PLC的程序设计是着色电源控制性能的关键。
为了便于查找、修改和调试程序,以及缩短CPU的扫描周期,均匀化着色电源设计的PLC程序除主程序外,还有10个子程序和4个中断程序,PLC的程序方框图见图4、图5、图6所示。如图中所示,主程序主要完成采样、操作、故障处理、判断开停机等内容;子程序0主要完成运行时的工作流程控制;子程序1主要完成在静泡时间内的控制操作;子程序2主要完成P处理时间内的控制操作;子程序3主要完成在间隔时间内的控制操作;子程序4主要完成C处理时间内的控制操作;子程序5主要完成着色完成后的处理工作;子程序6是在P处理和C处理起动前对逆变脉冲的控制;子程序7是停机时对逆变脉冲的控制;子程序8主要完成停机时着色参数的输入和计算等内容;子程序9主要完成补色参数的输入和计算等内容。中断程序主要是完成C处理时对逆变脉冲的控制,其中逆变脉冲的立即开通和立即关断时间间隔是采用语句延时来实现的。

图4 PLC程序框图(1)

图5 PLC程序框图(2)

图6 PLC程序框图(3)
5.实测波形
图7是一台输出能力为±55V,3000A的均匀化着色电源在试验室的电阻性负载下输出的电流、电压的波形全过程。图中P处理时间是3s,输出电流是750 A,电压30V;间隔时间是10s;C处理时间是5s,输出电流是1000 A,电压±40V,正向脉冲宽度为20ms,周期为200 ms,与设置值完全符合。
图8是图7中C处理放大后的波形。图9是图8中波形放大后的一部分。图10是C处理过程中PLC发出的逆变脉冲与输出的控制关系。

图7 电阻负载下输出波形全过程

图8 电阻负载下C处理波形全过程

图9 电阻负载下C处理波形

图10 C处理过程中PLC发出的逆变脉冲与输出的控制关系
图11是同台均匀化着色电源在现场输出3000A,±30V,正向脉冲宽度为20ms,周期为200 ms的C处理电压电流波形。图12是在现场输出2000A,±20V,正向脉冲宽度为20ms,周期为200 ms的C处理电压电流波形。

图11 现场输出3000A时的C处理波形

图12 现场输出2000A时的C处理波形
6.结论
均匀化着色电源是为了取代进口,降低成本,按照生产工艺要求国内自主研发的一种大功率电源产品。从设计之初,选用西门子的小型PLC S7-200来进行小于毫秒级的逆变换流控制,曾是一种大胆的设想,如今通过实践证明是可行的。在现场,均匀化着色电源完全满足生产工艺的要求,铝材着出的颜色效果与国外进口设备一致,并且均匀化着色电源选用西门子的S7-200 PLC作为核心控制器件,运行稳定可靠,控制精度高,加之采用触摸屏显示中文界面,操作更加方便简单,受到了用户的欢迎。



